商品分类
常规选型
图纸选型

型号筛选

未生成型号,还有 2 项未选择

重置

代码

产品选型

公称尺寸

螺母材质

图片仅供参考,请以已选的规格为准

卫生级管道配件 3A标准 高压卡箍 SUS304材质

条件筛选:

材质 SUS304
产品名称 高压卡箍
标准 3A标准
种类筛选 卫生级管道配件

产品型号:

请先点击左侧选项进行选型>>

登录后可查看价格、加入购物车、一键购买

立即登录

SKU信息
3D模型
PDF下载
3D图库

技术图档

全部型号

3D预览

产品问答

材质图

参数图

材质图
代码 类型
标准
材质
BLA42 高压卡箍 3A标准 SUS304

 

 

参数图

 

选型表

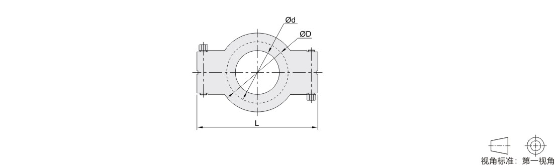
型号 螺母材质 适用管径 d D L
代码 公称尺寸
BLA42 5 无指定(黄铜)
S(SUS304)
1/2"~3/4" 20 28 55
10 1"~1.5" 43.3 52 103
20 2" 56.4 65.5 114.5
25 2.5" 69.5 79 127
30 3" 77.5 92.5 140.6
40 4" 108.8 120.5 165

 

Copyright © 2010-2026 东莞怡合达自动化股份有限公司 版权所有 粤ICP备14032684号

营业执照: 91441900566614589Q