型号筛选
可选加工(可选)
未生成型号,还有 4 项未选择
重置
代码
无数据
参数选型
固定夹材质
无数据
固定夹表面处理
无数据
产品选型
代码
无数据
D
无数据
价格生成中...
图片仅供参考,请以已选的规格为准
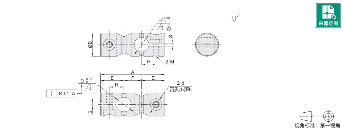
圆形支柱固定夹 同径正交 开口式夹紧固定型 无安装孔
条件筛选:
产品型号:
未税折扣单价: -- --
含税折扣单价: ----
含税总价 (税率13%): ¥--
预计发货天数:-- 天 (发货天数以下单次日起算,不含周日与法定假日)
购买数量():
起订量:0
, 加量幅度:0
登录后可查看价格、加入购物车、一键购买
立即登录
价格生成中...
登录后可查看价格、加入购物车、一键购买
立即登录
代码的技术资料信息曾有所变更,可前往 型号勘误表 查看变更记录
相似商品
同类人气商品
引导式选型
技术图档
全部型号
3D预览
技术图档
产品问答
材质图
参数图
| 代码 |
类型 |
材质 | 表面处理 |
附件(螺钉) |
|
| 国标 | 相当 | ||||
| RDB01 | 同径正交 | 45 | S45C | 发黑 | TAC01 |
| RDB02 | 喷细砂无电解镀镍 | TAC21 | |||
| RDB11 | LD31 | A6063 | 黑色阳极氧化 | TAC01 | |
| RDB12 | 本色阳极氧化 | TAC21 | |||
如对防锈有要求 ,请优先选用喷细砂无电解镀镍产品 。
DH7公差和垂直度均为开口槽加工前的标准。

选型表
RDB01/02无D6规格。
RDB11/12无D30规格。
配合轴的公差建议使用g6~f8。
| +0.05 0 |
公差、垂直度为开口加工前的公差。 |
产品问答
关于此产品的常见问题
1、在安装支柱固定夹拧紧螺丝时出现滑牙,无法拧紧怎么办?
建议在拧螺丝前,首先分别检查螺丝和螺纹孔周边是否有磨损;拧紧时切忌用力过猛或者过偏,容易导致滑丝。
2、支柱固定夹是否附属螺栓?附属几个?
支柱固定夹产品均配有附属螺栓。不同规格的支柱固定夹,附属螺栓个数会有不同。
详细请参考我司目录书的附件螺钉部分。
3、除了方形支柱固定夹之外,是否还有其他种类的支柱固定夹可供选择?
根据支柱的固定位置(垂直,平行)和支柱直径(同径,异径)区分,具有不同种类,不同形状可供选择,
详细请输入“支柱固定夹”到官网查找。
1. 添加筛选条件,生成产品型号
客服
购物车
小程序
怡合达商城小程序
随身商城一手掌握
公众号
微信公众号
订单/资讯随手掌握
微信技术交流服务群
扫码添加进群
浏览记录
问题反馈
置顶
Copyright © 2010-2026 东莞怡合达自动化股份有限公司 版权所有 粤ICP备14032684号
营业执照: 91441900566614589Q