图片仅供参考,请以已选的规格为准
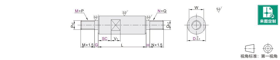
台阶型圆形支柱 两端外螺纹型 扳手槽指定型
条件筛选:
产品型号:
未税折扣单价: -- --
含税折扣单价: ----
含税总价 (税率13%): ¥--
预计发货天数:-- 天 (发货天数以下单次日起算,不含周日与法定假日)
购买数量():
起订量:0
, 加量幅度:0
登录后可查看价格、加入购物车、一键购买
立即登录
价格生成中...
登录后可查看价格、加入购物车、一键购买
立即登录
代码的技术资料信息曾有所变更,可前往 型号勘误表 查看变更记录
相似商品
同类人气商品
引导式选型
型号筛选
可选加工(可选)
未生成型号,还有 10 项未选择
重置
代码
无数据
参数选型
支柱材质
无数据
支柱表面处理
无数据
产品选型
代码
无数据
D
无数据
L
SC
M
无数据
N
无数据
G
H
价格生成中...
技术图档
全部型号
3D预览
技术图档
可选加工参数
材质图
参数图
| 代码 | 类型 | 材质 | 表面处理 | |||
| 国标 | 相当 | |||||
| RAJ51 | 台阶型 | 两端外螺纹型 | 带扳手槽型 | Q235 | SS400 | — |
| RAJ52 | 发黑 | |||||
| RAJ53 | 无电解镀镍 | |||||
| RAJ56 | 0Cr18Ni9 | SUS304 | — | |||
| L | 公差 |
| 20~300 | ±0.2 |
| 300.5~600 | ±0.3 |
| 601~720 | ±0.4 |

Q235材质的产品出货时带有防锈油。
选型表
可选加工参数

1. 添加筛选条件,生成产品型号
客服
购物车
公众号
微信公众号
订单/资讯随手掌握
微信技术交流服务群
扫码添加进群
浏览记录
问题反馈
置顶
Copyright © 2010-2026 东莞怡合达自动化股份有限公司 版权所有 粤ICP备14032684号
营业执照: 91441900566614589Q