型号筛选
可选加工(可选)
未生成型号,还有 2 项未选择
重置
代码
无数据
产品选型
代码
无数据
规格
无数据
输出轴数
无数据
价格生成中...
图片仅供参考,请以已选的规格为准
磁滞制动器 标准型 Q235A材质
条件筛选:
产品型号:
未税折扣单价: -- --
含税折扣单价: ----
含税总价 (税率13%): ¥--
预计发货天数:-- 天 (发货天数以下单次日起算,不含周日与法定假日)
购买数量(PCS):
起订量:1PCS
, 加量幅度:1PCS
登录后可查看价格、加入购物车、一键购买
立即登录
价格生成中...
登录后可查看价格、加入购物车、一键购买
立即登录
代码BMT61的技术资料信息曾有所变更,可前往 型号勘误表 查看变更记录
相似商品
同类人气商品
技术图档
全部型号
3D预览
技术图档
材质图
参数图
| 代码 | 类型 | 主体材质 |
| BMT61 | 标准型 | Q235A |

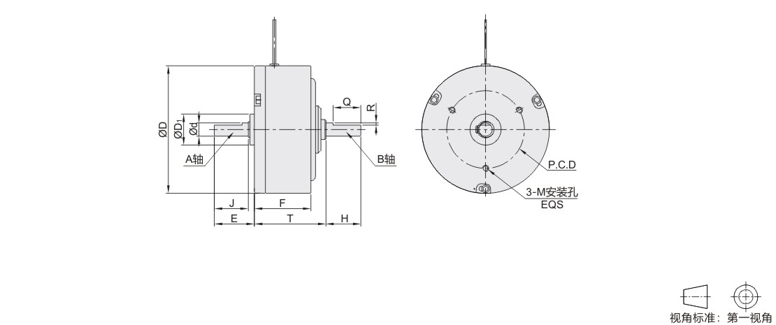
选型表
| 型号 |
D |
d(h6) |
D1 |
E |
F |
H |
T |
J |
M |
P.C.D |
Q |
R |
|
| 代码 | 规格 | ||||||||||||
| BMT61 | 0.2 | 35 | 3 | 8 | 13.5 | 22 | 10.7 | 25.8 | 13 | M3深5 | 20 | 8 | 0.3 |
| 1 | 53 | 5 | 14 | 22.7 | 26 | 21 | 31.3 | 20 | M3深6 | 30 | 12 | 0.5 | |
| 2 | 58 | 6 | 15 | 23 | 27 | 20 | 32 | M4深6 | |||||
| 3 | 69 | 8 | 22 | 28.5 | 35 | 25.5 | 41 | 25 | M4深8 | 40 | 15 | 0.8 | |
| 10 | 91 | 10 | 32 | 40 | 27 | 51 | 29 | M4深10 | 38 | 18 | 1 | ||
1. 添加筛选条件,生成产品型号
客服
购物车
小程序
怡合达商城小程序
随身商城一手掌握
公众号
微信公众号
订单/资讯随手掌握
微信技术交流服务群
扫码添加进群
浏览记录
问题反馈
置顶
Copyright © 2010-2026 东莞怡合达自动化股份有限公司 版权所有 粤ICP备14032684号
营业执照: 91441900566614589Q