型号筛选
可选加工(可选)
未生成型号,还有 4 项未选择
重置
代码
无数据
参数选型
主体材质
无数据
表面处理
无数据
产品选型
代码
无数据
规格
无数据
价格生成中...
图片仅供参考,请以已选的规格为准
套子
条件筛选:
产品型号:
未税折扣单价: -- --
含税折扣单价: ----
含税总价 (税率13%): ¥--
预计发货天数:-- 天 (发货天数以下单次日起算,不含周日与法定假日)
购买数量():
起订量:0
, 加量幅度:0
登录后可查看价格、加入购物车、一键购买
立即登录
价格生成中...
登录后可查看价格、加入购物车、一键购买
立即登录
代码的技术资料信息曾有所变更,可前往 型号勘误表 查看变更记录
相似商品
同类人气商品
技术图档
全部型号
3D预览
技术图档
材质图
参数图
| 代码 | 类型 | 材质 | 表面处理 | |
| BLL50 | 标准型 | 套子 | S45C | 无电解镀镍 |
| BLL51 | SUS303 | — | ||
| E-BLL50 | 经济型 | S45C | 无电解镀镍 | |
| E-BLL51 | SUS303 | — | ||

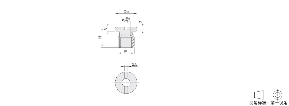
选型表
| 型号 |
适用板厚 |
d |
D |
M(细牙) |
H |
重量(g) |
适用按钮型锁紧器 |
||
| 代码 | 规格 | 标准型 | 经济型 | ||||||
| 标准型 BLL50 BLL51 经济型 E-BLL50 E-BLL51 |
12 | 6以上 | 6 | 16 | M12 × 1.5 | 15 | 9 |
BLL40-10
BLL41-10 BLL42-10
|
E-BLL40-10
E-BLL41-10 E-BLL42-10
|
| 16 | 10 | 20 | M16 × 1.5 | 17 | 13 |
BLL40-16
BLL41-16 BLL42-16
|
E-BLL40-16
E-BLL41-16 E-BLL42-16
|
||
安装方式

安装方式尺寸表
| 型号 |
适用板厚 | 安装方式 | M | d1 | d2 | H1 | 标配螺母 | |
| 代码 | 规格 | |||||||
| 标准型 BLL50 BLL51 经济型 E-BLL50 E-BLL51 |
12 | 6 ~10 | A | — | 13 | 16 | — | M12×1 .5(细牙) |
| 大于10 | B | M12×1.5(细牙) | — | 15.5 | — | |||
| 16 | 6 ~10 | A | — | 17 | 20 | — | M16 ×1 .5(细牙) | |
| 大于10 | B | M16×1.5(细牙) | — | 17.5 | — | |||
1. 添加筛选条件,生成产品型号
客服
购物车
公众号
微信公众号
订单/资讯随手掌握
微信技术交流服务群
扫码添加进群
浏览记录
问题反馈
置顶
Copyright © 2010-2026 东莞怡合达自动化股份有限公司 版权所有 粤ICP备14032684号
营业执照: 91441900566614589Q