型号筛选
未生成型号,还有 6 项未选择
代码
参数选型
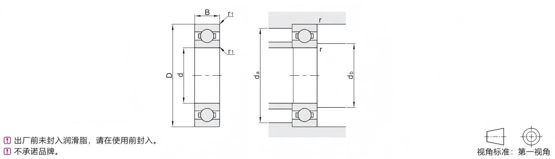
B(厚度)
D(外径)
d(内径)
种类筛选
产品选型
轴承型号
图片仅供参考,请以已选的规格为准
进口型 深沟球轴承 开放式
品牌名称:
怡合达
条件筛选:
产品型号:
登录后可查看价格、加入购物车、一键购买
立即登录
技术图档
全部型号
3D预览
材质图
参数图
| 代码 | 类型 | 轴承类型 类型 |
轴承精度 | 轴承材质 | |
| 国标 | 相当 | ||||
| BAR...-J | 进口型 | 6 | GB/T307.16级 | GCr15 | SUJ2 |
| J-BAR06 | 16 | ||||

轴承类型代码6
| 型号 | d | D | B | r1 (min) |
基本额定负载(KN) | 极限转速 rpm (参考) |
安装尺寸 | 重量 (g) (参考) |
|||||
| 代码 | 轴承型号 | Cr(动) | Cor(静) | db | da (max) |
r (max) |
|||||||
| (min) | (max) | ||||||||||||
| BAR…-J |
6700 | 10 | 15 | 3 | 0.2 | 0.85 | 0.43 | 15000 | 10.4 | 11.21 | 14.2 | 0.2 | 5 |
| 6800 | 19 | 5 | 0.3 | 1.83 | 0.93 | 24000 | 12 | 12.5 | 17 | 0.3 | |||
| 6900 | 22 | 6 | 2.7 | 1.27 | 21000 | 13 | 20 | 9 | |||||
| 6000 | 26 | 8 | 4.55 | 1.97 | 21000 | 13.5 | 24 | 19 | |||||
| 6200 | 30 | 9 | 0.6 | 5.1 | 2.39 | 18000 | 14 | 16 | 26 | 0.6 | 32 | ||
| 6701 | 12 | 18 | 4 | 0.2 | 1.1 | 0.7 | 8300 | 13.6 | 13.8 | 16.4 | 0.2 | 2 | |
| 6801 | 21 | 5 | 0.3 | 1.92 | 1.04 | 20000 | 14 | 14.5 | 19 | 0.3 | 6 | ||
| 6901 | 24 | 6 | 2.89 | 1.46 | 19000 | 15 | 22 | 11 | |||||
| 6001 | 28 | 8 | 5.1 | 2.37 | 18000 | 16 | 26 | 22 | |||||
| 6201 | 32 | 10 | 0.6 | 6.82 | 3.08 | 16000 | 16 | 17 | 28 | 0.6 | 37 | ||
| 6802 | 15 | 24 | 5 | 0.3 | 2.1 | 1.25 | 17000 | 17 | 17.5 | 22 | 0.3 | 7 | |
| 6902 | 28 | 7 | 4.3 | 2.3 | 16000 | 26 | 16 | ||||||
| 6002 | 32 | 9 | 5.6 | 2.84 | 15000 | 19 | 30 | 30 | |||||
| 6202 | 35 | 11 | 0.6 | 7.6 | 3.7 | 15000 | 19 | 20 | 31 | 0.6 | 45 | ||
| 6803 | 17 | 26 | 5 | 0.3 | 2.2 | 1.5 | 15000 | 19 | 19.5 | 24 | 0.3 | 8 | |
| 6903 | 30 | 7 | 4.6 | 2.6 | 14000 | 20 | 28 | 18 | |||||
| 6003 | 35 | 10 | 6 | 3.25 | 14000 | 21 | 33 | 39 | |||||
| 6203 | 40 | 12 | 0.6 | 9.57 | 4.8 | 12000 | 21 | 23 | 36 | 0.6 | 66 | ||
| 6804 | 20 | 32 | 7 | 0.3 | 3.5 | 2.2 | 13000 | 22 | 22.5 | 30 | 0.3 | 19 | |
| 6904 | 37 | 9 | 6.4 | 3.7 | 12000 | 24 | 35 | 36 | |||||
| 6004 | 42 | 12 | 0.6 | 9.38 | 5.03 | 11000 | 26 | 38 | 0.6 | 69 | |||
| 6204 | 47 | 14 | 1 | 12.8 | 6.65 | 10000 | 25 | 42 | 1 | 106 | |||
| 6805 | 25 | 37 | 7 | 0.3 | 4.3 | 2.95 | 10000 | 27 | 28 | 35 | 0.3 | 22 | |
| 6905 | 42 | 9 | 7.02 | 4.53 | 9800 | 29 | 40 | 42 | |||||
| 6005 | 47 | 12 | 0.6 | 10.07 | 5.82 | 9400 | 29 | 30.5 | 43 | 0.6 | 80 | ||
| 6205 | 52 | 15 | 1 | 14 | 7.88 | 8900 | 30 | 32 | 47 | 1 | 128 | ||
| 6806 | 30 | 42 | 7 | 0.3 | 4.96 | 3.62 | 8800 | 32 | 33 | 40 | 0.3 | 26 | |
| 6906 | 47 | 9 | 7.24 | 5 | 8400 | 34 | 45 | 48 | |||||
| 6006 | 55 | 13 | 1 | 13.2 | 8.27 | 7700 | 35 | 37 | 50 | 1 | 116 | ||
| 6206 | 62 | 16 | 19.5 | 11.3 | 7300 | 39 | 57 | 199 | |||||
| 6807 | 35 | 47 | 7 | 0.3 | 4.2 | 3.5 | 7600 | 37 | 38 | 45 | 0.3 | 29 | |
| 6907 | 55 | 10 | 0.6 | 9.6 | 6.8 | 7100 | 39 | 40 | 51 | 0.6 | 74 | ||
| 6007 | 62 | 14 | 1 | 15.9 | 10.3 | 6800 | 40 | 42 | 57 | 1 | 155 | ||
| 6207 | 72 | 17 | 1.1 | 25.7 | 15.3 | 6300 | 41.5 | 45 | 65.5 | 288 | |||
| 6808 | 40 | 52 | 7 | 0.3 | 5.07 | 4.37 | 6700 | 42 | 43 | 50 | 0.3 | 33 | |
| 6908 | 62 | 12 | 0.6 | 13.7 | 9.9 | 6300 | 44 | 45 | 58 | 0.6 | 110 | ||
| 6008 | 68 | 15 | 1 | 16.8 | 11.5 | 6100 | 45 | 47 | 63 | 1 | 190 | ||
| 6208 | 80 | 18 | 1.1 | 30.8 | 19.8 | 5800 | 46.5 | 51 | 73.5 | 366 | |||
| 6010 | 50 | 80 | 16 | 1 | 21.8 | 16.6 | 4600 | 55 | 57.5 | 75 | 1 | 261 | |
| 6210 | 90 | 20 | 1.1 | 35 | 23.2 | 4700 | 56.5 | 60 | 83.5 | 454 | |||
| 6811 | 55 | 72 | 9 | 0.3 | 9.1 | 8.5 | 4800 | 57 | 59 | 70 | 0.3 | 83 | |
| 6911 | 80 | 13 | 1 | 15.96 | 13.25 | 4300 | 60 | 61.5 | 75 | 1 | 180 | ||
| 6011 | 90 | 18 | 1.1 | 30.9 | 22.4 | 4500 | 61.5 | 64 | 83.5 | 388 | |||
| 6812 | 60 | 78 | 10 | 0.3 | 9.1 | 8.7 | 4400 | 62 | 64.5 | 76 | 0.3 | 106 | |
| 6912 | 85 | 13 | 1 | 28.7 | 17.2 | 4300 | 65 | 66.5 | 80 | 1 | 193 | ||
| 6012 | 95 | 18 | 1.1 | 30.7 | 22.7 | 4100 | 66.5 | 69 | 88.5 | 414 | |||
| 6813 | 65 | 85 | 10 | 0.6 | 11.9 | 11.5 | 4100 | 69 | 70 | 81 | 0.6 | 128 | |
| 6913 | 90 | 13 | 1 | 17.4 | 16.1 | 4000 | 70 | 71.5 | 85 | 1 | 206 | ||
| 6013 | 100 | 18 | 1.1 | 29.2 | 23.5 | 3900 | 71.5 | 74 | 93.5 | 421 | |||
| 6814 | 70 | 90 | 10 | 0.6 | 12.2 | 11.9 | 3800 | 74 | 75.5 | 86 | 0.6 | 137 | |
| 6914 | 100 | 16 | 1 | 23.7 | 21.1 | 3700 | 75 | 77.5 | 95 | 1 | 334 | ||
| 6014 | 110 | 20 | 1.1 | 38.6 | 30.4 | 3600 | 76.5 | 80.5 | 103.5 | 604 | |||
| 6815 | 75 | 95 | 10 | 0.6 | 12.5 | 12.8 | 3600 | 79 | 80 | 91 | 0.6 | 145 | |
| 6915 | 105 | 16 | 1 | 24.3 | 22.5 | 3500 | 80 | 82.5 | 100 | 1 | 353 | ||
| 6015 | 115 | 20 | 1.1 | 40.1 | 33.1 | 3300 | 81.5 | 85.5 | 108.5 | 649 | |||
| 6816 | 80 | 100 | 10 | 0.6 | 12.8 | 12.7 | 3400 | 84 | 85 | 96 | 0.6 | 154 | |
| 6916 | 110 | 16 | 1 | 25 | 23.9 | 3200 | 85 | 88 | 105 | 1 | 373 | ||
| 6016 | 125 | 22 | 1.1 | 47.5 | 39.8 | 3100 | 86.5 | 91.5 | 118.5 | 854 | |||
| 6817 | 85 | 110 | 13 | 1 | 19.8 | 19.2 | 3100 | 90 | 91 | 105 | 270 | ||
| 6917 | 120 | 18 | 1.1 | 31.9 | 29.7 | 3000 | 91.5 | 94 | 113.5 | 536 | |||
| 6017 | 130 | 22 | 52.8 | 44.5 | 2900 | 97 | 123.5 | 890 | |||||
| 6818 | 90 | 115 | 13 | 1 | 19 | 19.7 | 3000 | 95 | 96 | 110 | 285 | ||
| 6918 | 125 | 18 | 1.1 | 32.8 | 31.5 | 2900 | 96.5 | 99 | 118.5 | 554 | |||
| 6018 | 140 | 24 | 1.5 | 61.2 | 50.6 | 2800 | 98 | 102 | 132 | 1.5 | 1020 | ||
| 6819 | 95 | 120 | 13 | 1 | 20.8 | 19.8 | 2800 | 100 | 101 | 115 | 1 | 300 | |
| 6919 | 130 | 18 | 1.1 | 33.7 | 33.4 | 2800 | 101.5 | 104 | 123.5 | 579 | |||
| 6019 | 145 | 24 | 1.5 | 60.8 | 51 | 2600 | 103 | 109 | 137 | 1.5 | 1080 | ||
| 6820 | 100 | 125 | 13 | 1 | 20.1 | 22 | 2700 | 105 | 106 | 120 | 1 | 313 | |
| 6920 | 140 | 20 | 1.1 | 42.7 | 41.9 | 2600 | 106.5 | 110 | 133.5 | 783 | |||
| 6020 | 150 | 24 | 1.5 | 60.2 | 54.2 | 2600 | 108 | 110 | 142 | 1.5 | 1150 | ||
| 6821 | 105 | 130 | 13 | 1 | 19.8 | 22 | 4800 | 110 | 110.5 | 125 | 1 | 330 | |
| 6921 | 145 | 20 | 1.1 | 42.5 | 42 | 2500 | 111.5 | 115 | 138.5 | 816 | |||
| 6021 | 160 | 26 | 2 | 59.2 | 61.2 | 2400 | 114 | 119 | 151 | 2 | 1590 | ||
| 6822 | 110 | 140 | 16 | 1 | 28.1 | 30.7 | 4300 | 115 | 117 | 135 | 1 | 515 | |
| 6922 | 150 | 20 | 1.1 | 43.5 | 44.5 | 2400 | 116.5 | 120 | 143.5 | 849 | |||
| 6022 | 170 | 28 | 2 | 82 | 73 | 2300 | 119 | 126 | 161 | 2 | 1960 | ||
| 6824 | 120 | 150 | 16 | 1 | 28.9 | 32.1 | 4000 | 125 | 127 | 145 | 1 | 555 | |
| 6924 | 165 | 22 | 1.1 | 53 | 53.9 | 3800 | 126.5 | 132 | 158.5 | 1150 | |||
| 6024 | 180 | 28 | 2 | 88.1 | 79.7 | 2100 | 129 | 136 | 171 | 2 | 2070 | ||
| 6826 | 130 | 165 | 18 | 1.1 | 37.9 | 42.9 | 3600 | 136.5 | 138 | 158.5 | 1 | 800 | |
| 6926 | 180 | 24 | 1.5 | 65.1 | 67.2 | 3400 | 138 | 144 | 172 | 1.5 | 1520 | ||
| 6026 | 200 | 33 | 2 | 105 | 96.8 | 3200 | 139 | 148 | 191 | 2 | 3160 | ||
| 6828 | 140 | 175 | 18 | 1.1 | 38.2 | 44.3 | 3400 | 146.5 | 148.5 | 168.5 | 1 | 850 | |
| 6928 | 190 | 24 | 1.5 | 68.5 | 71.5 | 3200 | 148 | 153.5 | 182 | 1.5 | 1620 | ||
| 6028 | 210 | 33 | 2 | 105.4 | 101.8 | 3000 | 149 | 158 | 201 | 2 | 3350 | ||
| 6830 | 150 | 190 | 20 | 1.1 | 47.5 | 55 | 3000 | 156.5 | 160 | 183.5 | 1 | 1160 | |
| 6930 | 210 | 28 | 2 | 84.7 | 90.2 | 2800 | 159 | 166 | 201 | 2 | 2470 | ||
| 6030 | 225 | 35 | 2.1 | 131.7 | 124.5 | 2600 | 161 | 169 | 214 | 4080 | |||
1Kgf=9.81N
轴承类型代码16
| 型号 | d | D | B | r1 (min) |
基本额定负载 | 容许转速 rpm(参考) |
安装尺寸 | 重量(g) (参考) |
||||
| 代码 | 轴承型号 | Cr(动) |
Cor(静) |
db(min) | da(max) | r(max) | ||||||
| J-BAR06 | 16001 | 12 | 28 | 7 | 0.3 | 5.1 | 2.37 | 32000 | 14 | 26 | 0.3 | 19 |
| 16002 | 15 | 32 | 8 | 5.6 | 2.83 | 28000 | 17 | 30 | 27 | |||
| 16003 | 17 | 35 | 6 | 3.25 | 26000 | 19 | 33 | 33 | ||||
| 16004 | 20 | 42 | 7.9 | 4.45 | 20000 | 22 | 40 | 48 | ||||
| 16005 | 25 | 47 | 8.85 | 5.6 | 18000 | 27 | 45 | 59 | ||||
| 16006 | 30 | 55 | 9 | 11.2 | 7.35 | 15000 | 32 | 53 | 87 | |||
| 16007 | 35 | 62 | 11.7 | 8.2 | 13000 | 37 | 60 | 107 | ||||
| 16008 | 40 | 68 | 12.6 | 9.65 | 12000 | 42 | 66 | 130 | ||||
| 16009 | 45 | 75 | 10 | 0.6 | 14.9 | 11.4 | 11000 | 49 | 71 | 0.6 | 167 | |
| 16010 | 50 | 80 | 15.4 | 12.4 | 10000 | 54 | 76 | 175 | ||||
| 16011 | 55 | 90 | 11 | 19.4 | 16.3 | 9000 | 59 | 86 | 257 | |||
| 16012 | 60 | 95 | 20 | 17.5 | 8500 | 64 | 91 | 281 | ||||
| 16013 | 65 | 100 | 20.5 | 18.7 | 8000 | 69 | 96 | 300 | ||||
| 16014 | 70 | 110 | 13 | 26.8 | 23.6 | 7100 | 74 | 106 | 441 | |||
| 16015 | 75 | 115 | 27.6 | 25.3 | 6700 | 79 | 111 | 463 | ||||
| 16016 | 80 | 125 | 14 | 32 | 29.6 | 6300 | 84 | 121 | 621 | |||
| 16017 | 85 | 130 | 33 | 31.5 | 6000 | 89 | 126 | 652 | ||||
| 16018 | 90 | 140 | 16 | 1 | 41.5 | 39.5 | 5600 | 95 | 135 | 1 | 873 | |
| 16019 | 95 | 145 | 43 | 42 | 5300 | 100 | 140 | 904 | ||||
| 16020 | 100 | 150 | 42.5 | 105 | 145 | 945 | ||||||
| 16021 | 105 | 160 | 18 | 52 | 50.5 | 4800 | 110 | 155 | 1240 | |||
| 16022 | 110 | 170 | 19 | 57.5 | 56.5 | 4500 | 115 | 165 | 1510 | |||
| 16024 | 120 | 180 | 56.5 | 57.5 | 4300 | 125 | 175 | 1600 | ||||
| 16026 | 130 | 200 | 22 | 1.1 | 75.5 | 77.5 | 3600 | 136.5 | 193.5 | 2400 | ||
| 16028 | 140 | 210 | 77.5 | 82.5 | 3400 | 146.5 | 203.5 | 2840 | ||||
| 16030 | 150 | 225 | 24 | 84 | 91 | 3000 | 156.5 | 218.5 | 3620 | |||
| 16032 | 160 | 240 | 25 | 1.5 | 99 | 108 | 2800 | 168 | 232 | 1.5 | 4200 | |
| 16034 | 170 | 260 | 28 | 114 | 126 | 2600 | 178 | 252 | 5710 | |||
| 16036 | 180 | 280 | 31 | 2 | 145 | 157 | 2400 | 189 | 271 | 2 | 7500 | |
| 16038 | 190 | 290 | 149 | 168 | 199 | 281 | 7780 | |||||
| 16040 | 200 | 310 | 34 | 161 | 180 | 2200 | 209 | 301 | 10000 | |||
1Kgf=9.81N
