型号筛选
可选加工(可选)
未生成型号,还有 6 项未选择
重置
代码
无数据
产品选型
代码
无数据
整机宽度
无数据
XY轴行程
无数据
θ轴行程
无数据
编码器分辨率
无数据
线缆选择
无数据
驱动器选配
无数据
价格生成中...
图片仅供参考,请以已选的规格为准
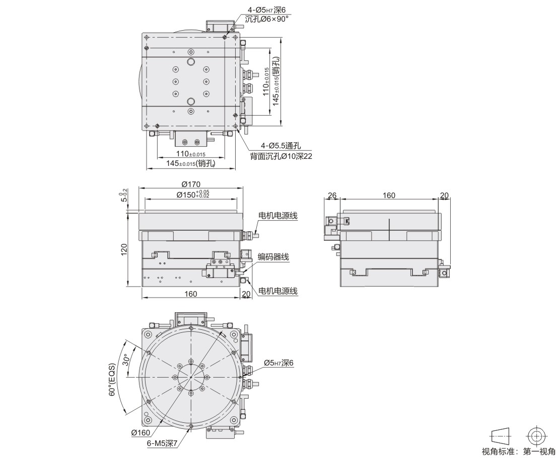
直驱式对位平台 宽度160
品牌名称:
怡合达
条件筛选:
产品型号:
未税折扣单价: -- --
含税折扣单价: ----
含税总价 (税率13%): ¥--
预计发货天数:-- 天 (发货天数以下单次日起算,不含周日与法定假日)
购买数量(PCS):
起订量:1PCS
, 加量幅度:1PCS
登录后可查看价格、加入购物车、一键购买
立即登录
价格生成中...
登录后可查看价格、加入购物车、一键购买
立即登录
代码BCW02的技术资料信息曾有所变更,可前往 型号勘误表 查看变更记录
相似商品
同类人气商品
技术图档
全部型号
3D预览
技术图档
材质图
参数图
| 代码 | 类型 | 底座材质 | 表面处理 |
| BCW02 | 直驱式对位平台 | 铝合金 | 黑色阳极氧化 |
特点:
● 采用直驱结构,搭配高精度编码器使用,实现高精度定位和控制;
● XYθ结构简单、紧凑,维护方便,使用寿命长;
● 快速响应,实现多轴独立控制,快速实现位置调整;
● 高精度、高响应、高稳定性。

选型表
| 型号 | XY轴行程 | θ轴行程 | 编码器分辨率 | 线缆选择 | 驱动器选配 | |
| 代码 | 整机宽度 | |||||
| BCW02 | K160 | 30 | 15 | RA (1μm分辨率读头+磁栅尺) |
N(不配线缆) |
N(不配驱动器) S(高创脉冲) SE(高创EtherCat总线协议) |
性能参数(XY轴)
| 行程 | mm | ±15 |
| 连续推力 | N | 120 |
| 峰值推力 | N | 480 |
| 连续电流 | Arms | 2.5 |
| 峰值电流 | Arms | 10 |
| 电阻 | Ω(25°C) | 6.4 |
| 电感 | mH(25°C) | 23 |
| 力常数 | N/Arms | 48 |
| 反向电动势 | Vms/m/s | 39.2 |
| 磁极距 | mm | 20 |
| 编码器分辨率 | μm | 1 |
| 重复精度 | μm | ±1.5 |
| 定位精度 | μm | ±5 |
| 电机重量 | kg | 6 |
性能参数(θ轴)
| 行程 | 。 | ±7.5 |
| 连续转矩 | Nm | 7.2 |
| 峰值转矩 | Nm | 18 |
| 连续电流 | Arms | 3 |
| 峰值电流 | Arms | 7.5 |
| 电阻 | Ω(25°C) | 6.1 |
| 电感 | mH(25°C) | 15.8 |
| 转矩常数 | Nm/Arms | 2.4 |
| 反电势常数 | Vms/rad/s | 1.87 |
| 极数 | — | 22 |
| 编码器分辨率 | P/rev | 543495 |
| 重复精度 | Arc sec | ±5 |
| 定位精度 | Arc sec | ±30 |
| 电机重量 | kg | 4.95 |
1. 添加筛选条件,生成产品型号
客服
购物车
公众号
微信公众号
订单/资讯随手掌握
微信技术交流服务群
扫码添加进群
浏览记录
问题反馈
置顶
Copyright © 2010-2026 东莞怡合达自动化股份有限公司 版权所有 粤ICP备14032684号
营业执照: 91441900566614589Q