型号筛选
可选加工(可选)
未生成型号,还有 2 项未选择
重置
代码
无数据
产品选型
代码
无数据
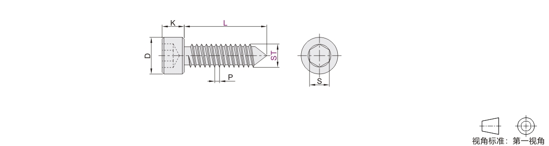
自攻ST(mm)
无数据
长度L(mm)
无数据
价格生成中...
图片仅供参考,请以已选的规格为准
内六角圆柱头自攻螺钉 盒装 SUS304材质 全牙 粗牙
品牌名称:
怡合达
条件筛选:
产品型号:
未税折扣单价: -- --
含税折扣单价: ----
含税总价 (税率13%): ¥--
预计发货天数:-- 天 (发货天数以下单次日起算,不含周日与法定假日)
购买数量(盒):
起订量:1盒
, 加量幅度:1盒
登录后可查看价格、加入购物车、一键购买
立即登录
价格生成中...
登录后可查看价格、加入购物车、一键购买
立即登录
代码BOX-TBS41的技术资料信息曾有所变更,可前往 型号勘误表 查看变更记录
相似商品
同类人气商品
技术图档
全部型号
3D预览
技术图档
产品问答
材质图
参数图
| 代码 | 类型 | 销售方式 | 材质 |
| BOX-TBS41 | 内六角圆柱头自攻螺钉 | 盒装 | SUS304 |

适用标准:WS 9200-2014
选型表
产品问答
关于此产品的常见问题
1、不锈钢材质的螺钉为什么有磁性?
材料在冷加工过程中,由于应力原因改变了部分奥氏体组织特性,变成马氏体及铁素体,随变形量的加大而磁性增大,故产品会有弱磁性,且随产品变形量大小表现出不同的磁性。
2、不锈钢材质的螺钉最高使用温度是多少?
依据GB/T 3098.6-2014标准规定,不锈钢304以及316产品在100℃以内不影响抗拉,但超过100℃后,每升高100℃,抗拉强度降低5%,超过400℃后不建议使用。
3、如何避免螺钉生锈?
如对防锈有要求,请优先选择SUS304材质,或者选择表面经过镀锌,镀镍(盐雾至少24H),镀达克罗,镀黑色达克罗(盐雾至少400H),镀铬,不锈钢发黑的产品。
碳钢发黑处理的产品,需定期涂抹防锈油进行维护,以此延长防锈时间。
4、目前销售的螺钉的材质和等级主要有哪些?
材质主要有不锈钢,碳钢,树脂,铝合金,钛合金,陶瓷,哈氏合金等。
不锈钢强度等级主要有A2-70,A4-70,A4-80
碳钢强度等级主要有8.8级,10.9级,12.9级
5、不同材质的自攻螺钉的适用板材是什么?
304/316材质防锈能力强,仅适用于塑料、铝合金以及木材;
410材质防锈较弱,但不仅适用于塑料、铝合金、木材、还适用于不锈钢板;
碳钢镀锌材质可适用于轻质金属板材以及铁皮等。
1. 添加筛选条件,生成产品型号
客服
购物车
公众号
微信公众号
订单/资讯随手掌握
微信技术交流服务群
扫码添加进群
浏览记录
问题反馈
置顶
Copyright © 2010-2026 东莞怡合达自动化股份有限公司 版权所有 粤ICP备14032684号
营业执照: 91441900566614589Q