型号筛选
可选加工(可选)
未生成型号,还有 5 项未选择
重置
代码
无数据
参数选型
主体材质
无数据
强度等级
无数据
产品选型
代码
无数据
公称直径M(mm)
无数据
长度L(mm)
无数据
价格生成中...
图片仅供参考,请以已选的规格为准
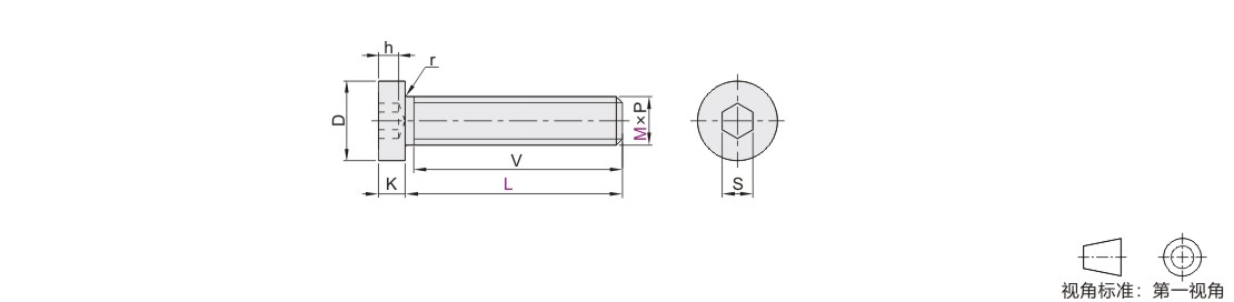
内六角圆柱头螺钉 薄圆柱头型 ML40Cr材质/SUS304材质 盒装 全牙 粗牙
品牌名称:
怡合达
条件筛选:
产品型号:
未税折扣单价: -- --
含税折扣单价: ----
含税总价 (税率13%): ¥--
预计发货天数:-- 天 (发货天数以下单次日起算,不含周日与法定假日)
购买数量():
起订量:0
, 加量幅度:0
登录后可查看价格、加入购物车、一键购买
立即登录
价格生成中...
登录后可查看价格、加入购物车、一键购买
立即登录
代码的技术资料信息曾有所变更,可前往 型号勘误表 查看变更记录
相似商品
同类人气商品
技术图档
全部型号
3D预览
技术图档
产品问答
材质图
参数图
| 代码 | 类型 | 螺纹 | 销售方式 | 材质 | 表面处理 | 强度等级 |
| BOX-TAF01 | 薄圆柱头型 | 粗牙 | 盒装 | ML40Cr | 发黑 | 12.9 |
| BOX-TAF02 | SUS304 | — | A2-70 |

适用标准:DIN 7984-2002
ML40Cr
| 型号 | L | PCS盒 |
P |
V | D | K | S | h | r (min) |
||||||||||||||||
| 代码 | M | max | min | max | min | max | min | max | min | ||||||||||||||||
| BOX-TAF01 | 3 | 5 | 3000 | 0.5 | 全牙 | 5.5 | 5.32 | 2 | 1.86 | 2.1 | 2.02 | 1.62 | 1.38 | 0.1 | |||||||||||
| 6 | |||||||||||||||||||||||||
| 8 | |||||||||||||||||||||||||
| 10 | 2500 | ||||||||||||||||||||||||
| 12 | |||||||||||||||||||||||||
| 16 | |||||||||||||||||||||||||
| 20 | |||||||||||||||||||||||||
| 4 | 6 | 3000 | 0.7 | 7 | 6.78 | 2.8 | 2.66 | 2.6 | 2.52 | 2.42 | 2.18 | 0.2 | |||||||||||||
| 8 | |||||||||||||||||||||||||
| 10 | 2500 | ||||||||||||||||||||||||
| 12 | |||||||||||||||||||||||||
| 16 | |||||||||||||||||||||||||
| 5 | 8 | 2200 | 0.8 | 8.5 | 8.28 | 3.5 | 3.32 | 3.1 | 3.02 | 2.82 | 2.58 | 0.2 | |||||||||||||
| 10 | 1700 | ||||||||||||||||||||||||
| 12 | 1500 | ||||||||||||||||||||||||
| 16 | 1300 | ||||||||||||||||||||||||
| 20 | 1200 | ||||||||||||||||||||||||
| 25 | 1000 | ||||||||||||||||||||||||
| 6 | 10 | 1700 | 1.0 | 10 | 9.78 | 4 | 3.82 | 4.12 | 4.02 | 3.12 | 2.88 | 0.25 | |||||||||||||
| 12 | 1000 | ||||||||||||||||||||||||
| 16 | 900 | ||||||||||||||||||||||||
| 20 | 800 | ||||||||||||||||||||||||
| 25 | 600 | ||||||||||||||||||||||||
| 30 | |||||||||||||||||||||||||
| 35 | 400 | ||||||||||||||||||||||||
| 40 | |||||||||||||||||||||||||
| 8 | 12 | 500 | 1.25 | 13 | 12.73 | 5 | 4.82 | 5.14 | 5.02 | 3.95 | 3.65 | 0.4 | |||||||||||||
| 16 | |||||||||||||||||||||||||
| 20 | 450 | ||||||||||||||||||||||||
| 25 | 350 | ||||||||||||||||||||||||
| 30 | 300 | ||||||||||||||||||||||||
| 35 | 250 | ||||||||||||||||||||||||
| 40 | 200 | ||||||||||||||||||||||||
| 45 | 180 | ||||||||||||||||||||||||
| 50 | |||||||||||||||||||||||||
| 10 | 20 | 250 | 1.5 | 16 | 15.73 | 6 | 5.82 | 7.175 | 7.025 | 4.65 | 4.35 | 0.4 | |||||||||||||
| 25 | 220 | ||||||||||||||||||||||||
| 30 | 180 | ||||||||||||||||||||||||
| 35 | 130 | ||||||||||||||||||||||||
| 40 | |||||||||||||||||||||||||
| 45 | 120 | ||||||||||||||||||||||||
| 50 | 100 | ||||||||||||||||||||||||
SUS304
| 型号 | L | PCS/盒 | P 螺距 |
V | D | K | S | h | r (min) |
|||||||||||||||
| 代码 | M | max | min | max | min | max | min | max | min | |||||||||||||||
| BOX-TAF02 | 4 | 6 | 5000 | 0.7 | 全牙 | 7 | 6.78 | 2.8 | 2.66 | 2.6 | 2.52 | 2.42 | 2.18 | 0.2 | ||||||||||
| 8 | 4500 | |||||||||||||||||||||||
| 10 | 4000 | |||||||||||||||||||||||
| 12 | 3000 | |||||||||||||||||||||||
| 16 | 2000 | |||||||||||||||||||||||
| 5 | 8 | 2200 | 0.8 | 8.5 | 8.28 | 3.5 | 3.32 | 3.1 | 3.02 | 2.82 | 2.58 | 0.2 | ||||||||||||
| 10 | 1700 | |||||||||||||||||||||||
| 12 | 1500 | |||||||||||||||||||||||
| 16 | 1300 | |||||||||||||||||||||||
| 20 | 1200 | |||||||||||||||||||||||
| 25 | 1000 | |||||||||||||||||||||||
| 6 | 10 | 1.0 | 10 | 9.78 | 4 | 3.82 | 4.12 | 4.02 | 3.12 | 2.88 | 0.25 | |||||||||||||
| 12 | ||||||||||||||||||||||||
| 16 | 900 | |||||||||||||||||||||||
| 20 | 800 | |||||||||||||||||||||||
| 25 | 600 | |||||||||||||||||||||||
| 30 | ||||||||||||||||||||||||
| 35 | 400 | |||||||||||||||||||||||
| 40 | ||||||||||||||||||||||||
| 8 | 10 | 500 | 1.25 | 13 | 12.73 | 5 | 4.82 | 5.14 | 5.02 | 3.95 | 3.65 | 0.4 | ||||||||||||
| 12 | ||||||||||||||||||||||||
| 16 | ||||||||||||||||||||||||
| 20 | 450 | |||||||||||||||||||||||
| 25 | 350 | |||||||||||||||||||||||
| 30 | 300 | |||||||||||||||||||||||
| 35 | 250 | |||||||||||||||||||||||
| 40 | 200 | |||||||||||||||||||||||
| 45 | 180 | |||||||||||||||||||||||
| 50 | ||||||||||||||||||||||||
| 10 | 20 | 250 | 1.5 | 16 | 15.73 | 6 | 5.82 | 7.175 | 7.025 | 4.65 | 4.35 | 0.4 | ||||||||||||
| 25 | 220 | |||||||||||||||||||||||
| 30 | 180 | |||||||||||||||||||||||
| 35 | 130 | |||||||||||||||||||||||
产品问答
关于此产品的常见问题
1、不锈钢材质的螺钉为什么有磁性?
材料在冷加工过程中,由于应力原因改变了部分奥氏体组织特性,变成马氏体及铁素体,随变形量的加大而磁性增大,故产品会有弱磁性,且随产品变形量大小表现出不同的磁性。
2、不锈钢材质的螺钉最高使用温度是多少?
依据GB/T 3098.6-2014标准规定,不锈钢304以及316产品在100℃以内不影响抗拉,但超过100℃后,每升高100℃,抗拉强度降低5%,超过400℃后不建议使用。
3、如何避免螺钉生锈?
如对防锈有要求,请优先选择SUS304材质,或者选择表面经过镀锌,镀镍(盐雾至少24H),镀达克罗,镀黑色达克罗(盐雾至少400H),镀铬,不锈钢发黑的产品。
碳钢发黑处理的产品,需定期涂抹防锈油进行维护,以此延长防锈时间。
4、目前销售的螺钉的材质和等级主要有哪些?
材质主要有不锈钢,碳钢,树脂,铝合金,钛合金,陶瓷,哈氏合金等。
不锈钢强度等级主要有A2-70,A4-70,A4-80
碳钢强度等级主要有8.8级,10.9级,12.9级
1. 添加筛选条件,生成产品型号
客服
购物车
小程序
怡合达商城小程序
随身商城一手掌握
公众号
微信公众号
订单/资讯随手掌握
微信技术交流服务群
扫码添加进群
浏览记录
问题反馈
置顶
Copyright © 2010-2026 东莞怡合达自动化股份有限公司 版权所有 粤ICP备14032684号
营业执照: 91441900566614589Q