型号筛选
可选加工(可选)
未生成型号,还有 2 项未选择
重置
代码
无数据
产品选型
代码
无数据
M
无数据
L
无数据
价格生成中...
图片仅供参考,请以已选的规格为准
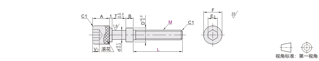
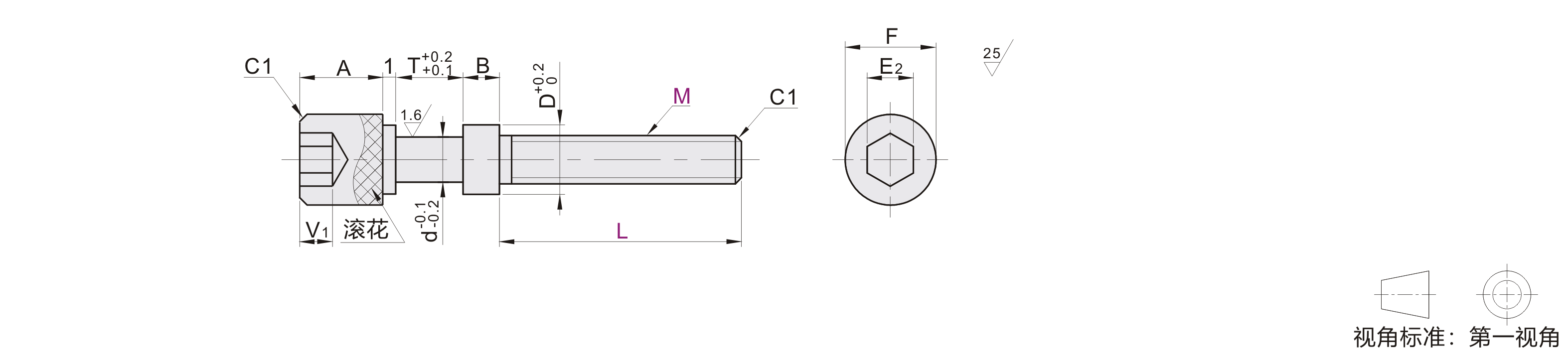
经济型调整螺栓 内六角孔型 粗牙 S45C材质 镀锌
条件筛选:
产品型号:
未税折扣单价: -- --
含税折扣单价: ----
含税总价 (税率13%): ¥--
预计发货天数:-- 天 (发货天数以下单次日起算,不含周日与法定假日)
购买数量(PCS):
起订量:1PCS
, 加量幅度:1PCS
登录后可查看价格、加入购物车、一键购买
立即登录
价格生成中...
登录后可查看价格、加入购物车、一键购买
立即登录
代码E-PAZ31的技术资料信息曾有所变更,可前往 型号勘误表 查看变更记录
相似商品
同类人气商品
技术图档
全部型号
3D预览
技术图档
产品问答
材质图
参数图
产品问答
关于此产品的常见问题
1、调整螺栓的用途?
主要用于对工件进行位置调整(与工件螺纹配合)。
2、调整螺栓的螺纹头部是否有硬度?
调整螺栓并没有硬度,因此前端无法受力,仅可与螺纹孔配合拧入工件后调整用。不适合用于阻挡定位。
3、调整螺栓一般与哪些零部件配套使用?
建议与调整螺栓用固定块、导轨等配套使用。
4、调整螺栓的强度等级是多少?
该产品为调整用螺栓,并非紧固用螺栓,所以并无强度等级。
1. 添加筛选条件,生成产品型号
客服
购物车
小程序
怡合达商城小程序
随身商城一手掌握
公众号
微信公众号
订单/资讯随手掌握
微信技术交流服务群
扫码添加进群
浏览记录
问题反馈
置顶
Copyright © 2010-2026 东莞怡合达自动化股份有限公司 版权所有 粤ICP备14032684号
营业执照: 91441900566614589Q