型号筛选
可选加工(可选)
未生成型号,还有 2 项未选择
重置
代码
无数据
产品选型
代码
无数据
公称尺寸
无数据
螺距
无数据
价格生成中...
图片仅供参考,请以已选的规格为准
怡合达自营 精密锁紧螺母 圆型 普通锁紧型 45/S45C材质 发黑处理
品牌名称:
怡合达
条件筛选:
产品型号:
未税折扣单价: -- --
含税折扣单价: ----
含税总价 (税率13%): ¥--
预计发货天数:-- 天 (发货天数以下单次日起算,不含周日与法定假日)
购买数量(PCS):
起订量:1PCS
, 加量幅度:1PCS
登录后可查看价格、加入购物车、一键购买
立即登录
价格生成中...
登录后可查看价格、加入购物车、一键购买
立即登录
代码BKB01的技术资料信息曾有所变更,可前往 型号勘误表 查看变更记录
相似商品
同类人气商品
技术图档
全部型号
3D预览
技术图档
材质图
参数图
| 代码 | 类型 | 材质 | 热处理 | 表面处理 | ||
| 国标 | 相当 | |||||
| BKB01 | 圆形 | 普通锁紧型 | 45 | S45C | 28~32HRC | 发黑 |
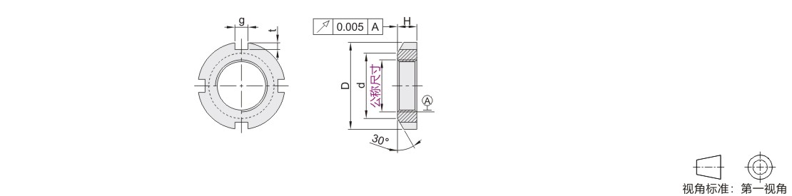
特点:该产品结构简单,内螺纹和端面同时加工,可确保偏摆精度要求。
螺纹精度:ISO 4H
端面偏摆:0.005

选型表
1. 添加筛选条件,生成产品型号
客服
购物车
公众号
微信公众号
订单/资讯随手掌握
微信技术交流服务群
扫码添加进群
浏览记录
问题反馈
置顶
Copyright © 2010-2026 东莞怡合达自动化股份有限公司 版权所有 粤ICP备14032684号
营业执照: 91441900566614589Q