型号筛选
可选加工(可选)
未生成型号,还有 2 项未选择
重置
代码
无数据
产品选型
代码
无数据
公称尺寸
无数据
螺距
无数据
价格生成中...
图片仅供参考,请以已选的规格为准
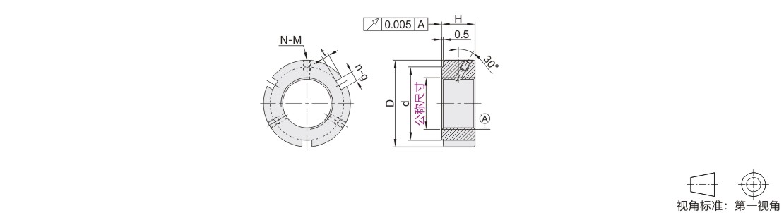
锁紧螺母 圆形 牙腹锁紧型·三/六槽
品牌名称:
怡合达
条件筛选:
产品型号:
未税折扣单价: -- --
含税折扣单价: ----
含税总价 (税率13%): ¥--
预计发货天数:-- 天 (发货天数以下单次日起算,不含周日与法定假日)
购买数量(PCS):
起订量:1PCS
, 加量幅度:1PCS
登录后可查看价格、加入购物车、一键购买
立即登录
价格生成中...
登录后可查看价格、加入购物车、一键购买
立即登录
代码BKJ73的技术资料信息曾有所变更,可前往 型号勘误表 查看变更记录
相似商品
同类人气商品
技术图档
全部型号
3D预览
技术图档
材质图
参数图
| 代码 | 类型 | 槽数 | 材质 | 热处理 | 表面处理 | |
| 国标 | 相当 | |||||
| BKJ73 | 牙腹锁紧型 | 三/六槽 | 45 | S45C | 28~32HRC | 发黑 |
特点:该产品锁紧铜与螺纹呈30°角设计,不承受作用于螺纹上的
轴向负荷。当螺母锁紧时,螺纹面不会解除轴向负荷,螺母不会
变形。等间距锁紧铜可以用来调整即将装到轴上其他部件的偏差。
由于锁紧铜不会变形,螺母经多次拆装仍可以保持精密度。
本产品自带螺钉。
螺纹精度:ISO 4H
端面偏摆:0.005

选型表
1. 添加筛选条件,生成产品型号
客服
购物车
小程序
怡合达商城小程序
随身商城一手掌握
公众号
微信公众号
订单/资讯随手掌握
微信技术交流服务群
扫码添加进群
浏览记录
问题反馈
置顶
Copyright © 2010-2026 东莞怡合达自动化股份有限公司 版权所有 粤ICP备14032684号
营业执照: 91441900566614589Q