商品分类
常规选型
图纸选型

型号筛选

未生成型号,还有 4 项未选择

代码

参数选型

主体材质

主体表面处理

产品选型

规格

查看大图

图片仅供参考,请以已选的规格为准

圆螺母用止动垫圈 碳钢材质/SUS304材质

条件筛选:

品名 圆螺母用止动垫圈
分类 止动垫圈
标准号 GB 858

产品型号:

请先点击左侧选项进行选型>>

登录后可查看价格、加入购物车、一键购买

立即登录

SKU信息
3D模型
PDF下载
3D图库

技术图档

全部型号

3D预览

产品问答

材质图

参数图

材质图
代码

类型
材质
表面处理
适用标准
国标 相当
TBY41 圆螺母用止动垫圈 碳钢 发黑 GB 858-1988
TBY42 0Cr18Ni9 SUS304

 

                                                                            

 

参数图

 

选型表

型号
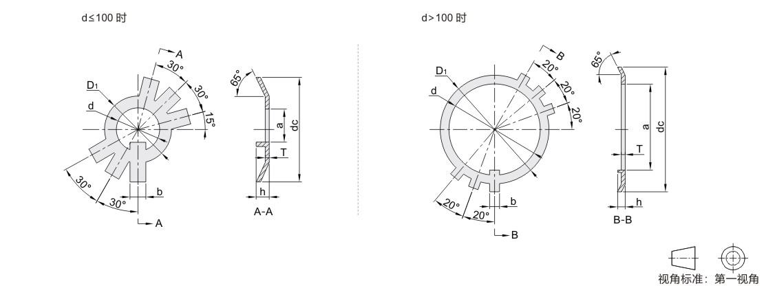
d
dc
D1
T
h
b
a
代码 规格

(碳钢)
TBY41


(SUS304)
TBY42

10 10.5 25 16 1 3 3.8 8
12 12.5 28 19 9
14 14.5 32 20 11
*16 16.5 34 22 4.8 13
18 18.5 35 24 4 15
*20 20.5 38 27 17
22 22.5 42 30 19
*24 24.5 45 34 21
25 25.5 22
*27 27.5 48 37 5 24
30 30.5 52 40 27
*33 33.5 56 43 1.5 5.7 30
*35 35.5 32
*36 36.5 60 46 33
39 39.5 62 49 36
*40 40.5 37
42 42.5 66 53 39
*45 45.5 72 59 42
*48 48.5 76 61 7.7 45
50 50.5 47
52 52.5 82 67 6 49
55 56 52
*56 57 90 74 53
*60 61 94 79 57
*64 65 100 84 61
65 66 62
*68 69 105 88 9.6 65
72 73 110 93 7 69
76 77 115 98 72
80 81 120 103 76
85 86 125 108 81
90 91 130 112 2 11.6 86
95 96 135 117 91
100 101 140 122 96
105 106 145 127 101
110 111 156 135 13.5 106
115 116 160 140 111
*120 121 166 145 116
*125 126 170 150 121
*130 131 176 155 126
140 141 186 165 136

*号规格仅适用TBY41(碳钢)

Copyright © 2010-2026 东莞怡合达自动化股份有限公司 版权所有 粤ICP备14032684号

营业执照: 91441900566614589Q