型号筛选
未生成型号,还有 5 项未选择
代码
参数选型
材质
种类
产品选型
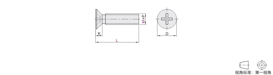
公称直径M(mm)
长度L(mm)
图片仅供参考,请以已选的规格为准
十字槽沉头螺钉 树脂型 全牙 粗牙
品牌名称:
怡合达
条件筛选:
产品型号:
登录后可查看价格、加入购物车、一键购买
立即登录
技术图档
全部型号
3D预览
产品问答
材质图
参数图
| 代码 | 类型 |
材质 | 销售方式 | |
| TAB31 | 树脂型 |
全牙 |
PEEK(聚醚醚酮) | 单个 |
| TAB32 | PPS(聚苯硫醚) | |||
| TAB36 | PVDF(聚偏氟乙烯) | |||
| TAB37 | PTFE(聚四氟乙烯) | |||
| PACK-TAB33 | PA66(尼龙66) | 袋装(100PCS/袋) |
||
| PACK-TAB35 | PVC(聚氯乙烯) | |||
| PACK-TAB38 | PC(聚碳酸酯) | |||
适用标准:GB/T 819-1985
ISO 7046-1-1994
JIS B 1111-1996
不同批次生产的产品可能会出现颜色差异。

销售方式:单个
| 型号 | L | P螺距 | D | K | |
| 代码 | M | ||||
| (PEEK) TAB31 |
1.6 | 4 6 | 0.35 | 3.6 | 1 |
| 2 | 5 6 | 0.4 | 4.4 | 1.2 | |
| 2.5 | 6 8 | 0.45 | 5.5 | 1.5 | |
| 3 | 4 5 6 8 10 12 16 20 | 0.5 | 6.3 | 1.65 | |
| 4 | 6 8 10 12 16 20 25 30 35 | 0.7 | 9.4 | 2.7 | |
| 5 | 6 8 10 12 16 20 25 30 40 50 | 0.8 | 10.4 | 2.7 | |
| 6 | 8 10 12 16 20 25 30 40 50 | 1 | 12.6 | 3.3 | |
| 8 | 16 20 25 30 40 50 | 1.25 | 17.3 | 4.65 | |
| 10 | 20 25 30 | 1.5 | 20 | 5 | |
| (PPS) TAB32 |
2 | 5 6 8 10 12 16 20 | 0.4 | 4.4 | 1.2 |
| 3 | 4 5 6 8 10 12 16 20 25 | 0.5 | 6.3 | 1.65 | |
| 4 | 6 8 10 12 16 20 25 30 | 0.7 | 9.4 | 2.7 | |
| 5 | 6 8 10 12 16 20 25 30 35 40 | 0.8 | 10.4 | 2.7 | |
| 6 | 8 10 12 16 20 25 30 40 | 1 | 12.6 | 3.3 | |
| 8 | 10 12 16 20 25 30 35 40 45 50 60 | 1.25 | 17.3 | 4.65 | |
| (PVDF) TAB36 |
3 | 4 5 6 8 10 12 16 20 25 | 0.5 | 6.3 | 1.65 |
| 4 | 6 8 10 12 16 20 25 30 | 0.7 | 9.4 | 2.7 | |
| 5 | 6 8 10 12 16 20 25 30 40 | 0.8 | 10.4 | 2.7 | |
| 6 | 6 8 10 12 16 20 25 30 40 | 1 | 12.6 | 3.3 | |
| 8 | 10 12 16 20 25 30 35 40 50 60 | 1.25 | 17.3 | 4.65 | |
| 10 | 20 25 30 | 1.5 | 20 | 5 | |
| (PTFE) TAB37 |
4 | 12 16 20 25 30 | 0.7 | 9.4 | 2.7 |
| 5 | 12 16 20 25 30 35 40 | 0.8 | 10.4 | 2.7 | |
| 6 | 12 16 20 25 30 35 40 45 50 | 1 | 12.6 | 3.3 | |
| 8 | 12 16 20 25 30 35 40 45 50 55 60 65 70 75 80 85 90 | 1.25 | 17.3 | 4.65 | |
| 10 | 12 16 20 25 30 35 40 45 50 55 60 65 70 75 80 85 90 95 100 | 1.5 | 20 | 5 | |
销售方式:袋装
| 型号 | L | P螺距 | D | K | |
| 代码 | M | ||||
| (PA66) PACK-TAB33 |
2 | 5 6 8 10 12 16 20 | 0.4 | 4.4 | 1.2 |
| 3 | 4 5 6 8 10 12 16 20 25 | 0.5 | 6.3 | 1.65 | |
| 4 | 6 8 10 12 16 20 25 30 | 0.7 | 9.4 | 2.7 | |
| 5 | 6 8 10 12 16 20 25 30 35 40 | 0.8 | 10.4 | 2.7 | |
| 6 | 6 8 10 12 16 20 25 30 40 | 1 | 12.6 | 3.3 | |
| 8 | 10 12 16 20 25 30 35 40 45 50 | 1.25 | 17.3 | 4.65 | |
| 10 | 20 25 30 | 1.5 | 20 | 5 | |
| (PVC) PACK-TAB35 |
3 | 6 8 10 12 16 20 25 | 0.5 | 6.3 | 1.65 |
| 4 | 6 8 10 12 16 20 25 30 | 0.7 | 9.4 | 2.7 | |
| 5 | 6 8 10 12 16 20 25 30 | 0.8 | 10.4 | 2.7 | |
| 6 | 10 12 16 20 25 30 40 | 1 | 12.6 | 3.3 | |
| 8 | 12 16 20 25 30 35 40 45 50 | 1.25 | 17.3 | 4.65 | |
| 10 | 20 25 30 | 1.5 | 20 | 5 | |
| (PC) PACK-TAB38 |
2 | 5 6 8 10 12 16 20 | 0.4 | 4.4 | 1.2 |
| 3 | 4 5 6 8 10 12 16 20 25 | 0.5 | 6.3 | 1.65 | |
| 4 | 6 8 10 12 16 20 25 30 | 0.7 | 9.4 | 2.7 | |
| 5 | 6 8 10 12 16 20 25 30 35 40 | 0.8 | 10.4 | 2.7 | |
| 6 | 8 10 12 16 20 25 30 40 | 1 | 12.6 | 3.3 | |
| 8 | 10 12 16 20 25 30 35 40 50 60 | 1.25 | 17.3 | 4.65 | |
| 10 | 20 25 30 35 | 1.5 | 20 | 5 | |