型号筛选
可选加工(可选)
未生成型号,还有 2 项未选择
重置
代码
无数据
产品选型
代码
无数据
M
无数据
L
无数据
价格生成中...
图片仅供参考,请以已选的规格为准

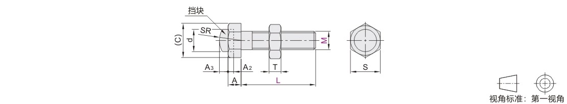
六角头带挡块螺栓 SR型尾部平端型 粗牙
条件筛选:
产品型号:
未税折扣单价: -- --
含税折扣单价: ----
含税总价 (税率13%): ¥--
预计发货天数:-- 天 (发货天数以下单次日起算,不含周日与法定假日)
购买数量(PCS):
起订量:1PCS
, 加量幅度:1PCS
登录后可查看价格、加入购物车、一键购买
立即登录
价格生成中...
登录后可查看价格、加入购物车、一键购买
立即登录
代码Y-JAB11的技术资料信息曾有所变更,可前往 型号勘误表 查看变更记录
相似商品
同类人气商品
技术图档
全部型号
3D预览
技术图档
材质图
参数图
| 代码 |
类型 |
螺纹 |
主体 | 挡块 |
附件(1个六角螺帽) | ||
| 材质 | 材质 | 颜色 | 硬度 | 材质 | |||
| Y-JAB11 | SR型 |
粗牙 |
SUS304 | 聚氨酯 | 黑色 | 肖氏A90 | SUS304 相当 |

适用于中小型移动机构和定位机构,如需支撑大型工件,推荐选择挡块烧结工艺的产品(Y-JAB26)。
挡块采用粘结工艺。
选型表
1. 添加筛选条件,生成产品型号
客服
购物车
公众号
微信公众号
订单/资讯随手掌握
微信技术交流服务群
扫码添加进群
浏览记录
问题反馈
置顶
Copyright © 2010-2026 东莞怡合达自动化股份有限公司 版权所有 粤ICP备14032684号
营业执照: 91441900566614589Q