型号筛选
可选加工(可选)
未生成型号,还有 1 项未选择
重置
代码
无数据
产品选型
代码
无数据
规格
无数据
价格生成中...
图片仅供参考,请以已选的规格为准
起重旋转吊环 重载荷 合金钢材质 烤漆(橙色)
条件筛选:
产品型号:
未税折扣单价: -- --
含税折扣单价: ----
含税总价 (税率13%): ¥--
预计发货天数:-- 天 (发货天数以下单次日起算,不含周日与法定假日)
购买数量(PCS):
起订量:1PCS
, 加量幅度:1PCS
登录后可查看价格、加入购物车、一键购买
立即登录
价格生成中...
登录后可查看价格、加入购物车、一键购买
立即登录
代码TCC14的技术资料信息曾有所变更,可前往 型号勘误表 查看变更记录
相似商品
同类人气商品
技术图档
全部型号
3D预览
技术图档
产品问答
材质图
参数图
| 代码 | 类型 | 材质 | 表面处理 | |||||||||||||
| TCC14 | 重载荷 | 合金钢 | 烤漆(橙色) | |||||||||||||

因烤漆工艺,可能会导致产品吊装处部分区域未能烤漆。
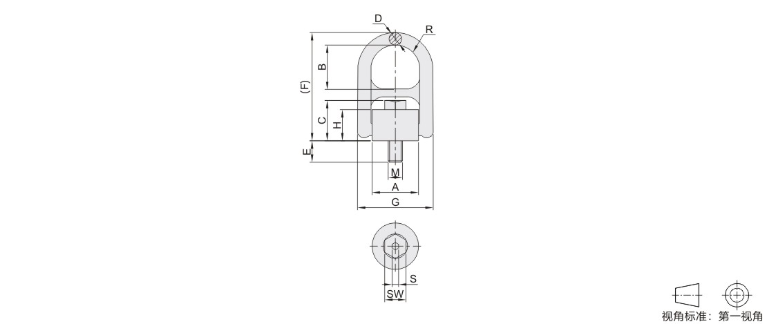
选型表
| 型号 | M | 安全系数 | A | B | C | D | E | (F) | G | H | R | S | SW | 净重 (kg) |
||||||||||||||||||||||||||||||||||
| 代码 | 规格 | |||||||||||||||||||||||||||||||||||||||||||||||
| TCC14 | 0.5T | 8 | 4 | 33 | 35 | 30 | 10 | 12 | 85 | 56 | 23.5 | 17.5 | 6 | 13 | 0.3 | |||||||||||||||||||||||||||||||||
| 0.7T | 10 | 15 | ||||||||||||||||||||||||||||||||||||||||||||||
| 1T | 12 | 20 | ||||||||||||||||||||||||||||||||||||||||||||||
| 1.5T | 14 | 50 | 55 | 46 | 13 | 21 | 130 | 85 | 36 | 27 | 8 | 18 | 1 | |||||||||||||||||||||||||||||||||||
| 2T | 16 | 24 | ||||||||||||||||||||||||||||||||||||||||||||||
| 2.5T | 18 | 65 | 66 | 57 | 16 | 26 | 163 | 109 | 44 | 34.5 | 10 | 24 | 2 | |||||||||||||||||||||||||||||||||||
| 3T | 20 | 30 | ||||||||||||||||||||||||||||||||||||||||||||||
| 5T | 24 | 36 | ||||||||||||||||||||||||||||||||||||||||||||||
| 5.6T | 27 | 87 | 80 | 82.5 | 25 | 38 | 219 | 150 | 62.5 | 45.5 | 12 | 30 | 5.5 | |||||||||||||||||||||||||||||||||||
| 7.8T | 30 | 48 | 5.6 | |||||||||||||||||||||||||||||||||||||||||||||
| 9T | 36 | 54 | 5.7 | |||||||||||||||||||||||||||||||||||||||||||||
工作极限载荷
| 吊环 安装方式 |
![]() |
![]() |
![]() |
![]() |
![]() |
![]() |
![]() |
![]() |
||||||||||||||||||||||||||||||||||||||||
| 吊环数量 | 1 | 2 | 1 | 2 | 2 | 2 | 2 | 3~4 | 3~4 | 3~4 | ||||||||||||||||||||||||||||||||||||||
| 起吊角度 | 0° | 0° | 90° | 90° | 0~45° | 45~60° | 不对称 | 0~45° | 45~60° | 不对称 | ||||||||||||||||||||||||||||||||||||||
| 型号 | 螺纹 | 工作极限载荷(吨) | ||||||||||||||||||||||||||||||||||||||||||||||
| 代码 | 规格 | |||||||||||||||||||||||||||||||||||||||||||||||
| TCC14 | 0.5T | M8 | 0.8 | 1.6 | 0.5 | 1 | 0.7 | 0.5 | 0.5 | 1.05 | 0.75 | 0.5 | ||||||||||||||||||||||||||||||||||||
| 0.7T | M10 | 1.2 | 2.4 | 0.7 | 1.4 | 0.98 | 0.7 | 0.7 | 1.47 | 1.05 | 0.7 | |||||||||||||||||||||||||||||||||||||
| 1T | M12 | 2 | 4 | 1 | 2 | 1.4 | 1 | 1 | 2.1 | 1.5 | 1 | |||||||||||||||||||||||||||||||||||||
| 1.5T | M14 | 2.4 | 4.8 | 1.5 | 3 | 2.1 | 1.5 | 1.5 | 3.15 | 2.25 | 1.5 | |||||||||||||||||||||||||||||||||||||
| 2T | M16 | 3.2 | 6.4 | 2 | 4 | 2.8 | 2 | 2 | 4.2 | 3 | 2 | |||||||||||||||||||||||||||||||||||||
| 2.5T | M18 | 5 | 10 | 2.5 | 5 | 3.5 | 2.5 | 2.5 | 5.25 | 3.75 | 2.5 | |||||||||||||||||||||||||||||||||||||
| 3T | M20 | 5.6 | 11.2 | 3 | 6 | 4.2 | 3 | 3 | 6.3 | 4.5 | 3 | |||||||||||||||||||||||||||||||||||||
| 5T | M24 | 9.2 | 18.4 | 5 | 10 | 7 | 5 | 5 | 10.5 | 7.5 | 5 | |||||||||||||||||||||||||||||||||||||
| 5.6T | M27 | 9.5 | 19 | 5.6 | 11.2 | 7.84 | 5.6 | 5.6 | 11.76 | 8.4 | 5.6 | |||||||||||||||||||||||||||||||||||||
| 7.8T | M30 | 12 | 24 | 7.8 | 15.6 | 10.92 | 7.8 | 7.8 | 16.38 | 11.7 | 7.8 | |||||||||||||||||||||||||||||||||||||
| 9T | M36 | 12.5 | 25 | 8 | 16 | 11.2 | 8 | 8 | 16.8 | 12 | 8 | |||||||||||||||||||||||||||||||||||||
产品问答
关于此产品的常见问题
1、吊环型号中的吨位是极限负载吗?
是安全工作负载,旋转吊环都是有4倍安全系数,不同数量和不同角度都有对应的安全负载
2、吊环可以定制吗?
目前最常见的吊环定制是针对于螺纹长度的改变,负载不变;以及少数客户有外观和材质不同的定制,例如白色外观要求,盐雾720H高要求,以及双相不锈钢整体定制
3、吊环有认证吗?如何保障其安全问题?
旋转吊环都有CE认证以及各种第三方认证,同时有国内龙头保险公司承保,且产品本身有4倍安全系数
4、吊环安装要求有哪些?
螺纹孔需要严格按照标准加工,安装前需要清理干净异物和灰尘,同时需要将螺纹完全拧入起吊工件或者设备,使得吊环本体完全贴合
1. 添加筛选条件,生成产品型号
客服
购物车
小程序
怡合达商城小程序
随身商城一手掌握
公众号
微信公众号
订单/资讯随手掌握
微信技术交流服务群
扫码添加进群
浏览记录
问题反馈
置顶
Copyright © 2010-2026 东莞怡合达自动化股份有限公司 版权所有 粤ICP备14032684号
营业执照: 91441900566614589Q






