型号筛选
可选加工(可选)
未生成型号,还有 1 项未选择
重置
代码
无数据
产品选型
代码
无数据
规格
无数据
价格生成中...
图片仅供参考,请以已选的规格为准
重型旋转吊环 拉环型 合金钢材质 烤漆
条件筛选:
产品型号:
未税折扣单价: -- --
含税折扣单价: ----
含税总价 (税率13%): ¥--
预计发货天数:-- 天 (发货天数以下单次日起算,不含周日与法定假日)
购买数量(PCS):
起订量:1PCS
, 加量幅度:1PCS
登录后可查看价格、加入购物车、一键购买
立即登录
价格生成中...
登录后可查看价格、加入购物车、一键购买
立即登录
代码TCC16的技术资料信息曾有所变更,可前往 型号勘误表 查看变更记录
相似商品
同类人气商品
技术图档
全部型号
3D预览
技术图档
产品问答
材质图
参数图
| 代码 | 类型 |
材质 | 表面处理 | |
| TCC16 | 重型旋转吊环 | 拉环型 | 合金钢 | 烤漆 |
产品升级螺栓性能由黑色升级成银色久美特,不影响质量,自然更替,
可能存在同一批货两种螺栓。

因烤漆工艺,可能会导致产品吊装处部分区域未能烤漆。
选型表
| 型号 | 安全系数 | 锁紧扭矩 (牛顿/米) |
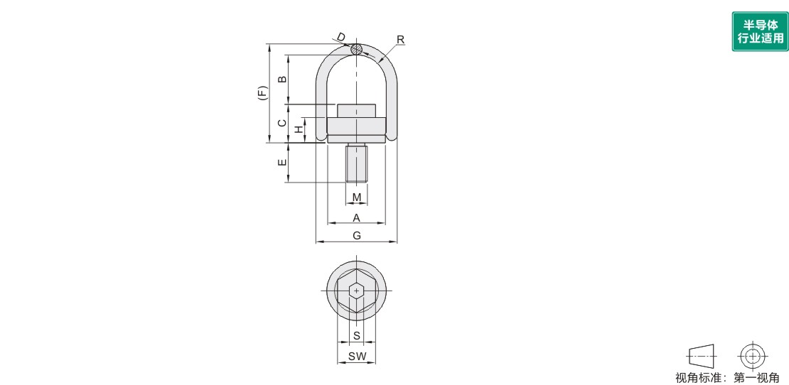
M | A | B | C | D | E | F | G | H | R | S | SW | 净重 (kg) |
|||
| 代码 | 规格 | |||||||||||||||||
| TCC16 | 0.5T | 4 | 30 | 8 | 33 | 42 | 28 | 11 | 12 | 80 | 58 | 23 | 17 | 6 | 13 | 0.3 |
||
| 0.7T | 60 | 10 | 41 | 29 | 15 | 17 | ||||||||||||
| 1.0T | 100 | 12 | 40 | 31 | 18 | 8 | 19 | |||||||||||
| 1.5T | 120 | 14 | 51 | 56 | 45 | 17 | 21 | 117 | 90 | 36 | 27 | 10 | 22 | 0.9 | ||||
| 2.0T | 150 | 16 | 54 | 46 | 24 | 24 | ||||||||||||
| 2.5T | 200 | 18 | 65 | 78 | 57 | 20 | 27 | 153 | 108 | 44 | 34 | 12 | 30 | 1.9 | ||||
| 3.0T | 250 | 20 | 51 | 52 | 49 | 17 | 30 | 117 | 90 | 36 | 27 | 1 | ||||||
| 5.0T | 400 | 24 | 72 | 81 | 59 | 22 | 36 | 162 | 125 | 44 | 37 | 14 | 36 | 2.6 | ||||
工作极限载荷
| 吊环 安装方式 |
![]() |
![]() |
![]() |
![]() |
![]() |
![]() |
![]() |
![]() |
|||||||||||||||||||||||||||||||||||||||
| 吊环数量 | 1 | 2 | 1 | 2 | 2 | 2 | 2 | 3~4 | 3~4 | 3~4 | |||||||||||||||||||||||||||||||||||||
| 起吊角度 | 0 | 0 | 90° | 90° | 0~45° | 45~60° | 不对称 | 0~45° | 45~60° | 不对称 | |||||||||||||||||||||||||||||||||||||
| 型号 | 螺纹 | 工作极限载荷(吨) | |||||||||||||||||||||||||||||||||||||||||||||
| 代码 | 规格 | ||||||||||||||||||||||||||||||||||||||||||||||
| TCC16 | 0.5T | M8 | 0.8 | 1.6 | 0.5 | 1 | 0.7 | 0.5 | 0.5 | 1.1 | 0.8 | 0.5 | |||||||||||||||||||||||||||||||||||
| 0.7T | M10 | 1.2 | 2.4 | 0.7 | 1.4 | 1 | 0.7 | 0.7 | 1.5 | 1.1 | 0.7 | ||||||||||||||||||||||||||||||||||||
| 1.0T | M12 | 2 | 4 | 1 | 2 | 1.4 | 1 | 1 | 2.1 | 1.5 | 1 | ||||||||||||||||||||||||||||||||||||
| 1.5T | M14 | 2.4 | 4.8 | 1.5 | 3 | 2.1 | 1.5 | 1.5 | 3.2 | 2.3 | 1.5 | ||||||||||||||||||||||||||||||||||||
| 2.0T | M16 | 3.2 | 6.4 | 2 | 4 | 2.8 | 2 | 2 | 4.2 | 3 | 2 | ||||||||||||||||||||||||||||||||||||
| 2.5T | M18 | 5 | 10 | 2.5 | 5 | 3.5 | 2.5 | 2.5 | 5.3 | 3.8 | 2.5 | ||||||||||||||||||||||||||||||||||||
| 3.0T | M20 | 5.6 | 11.2 | 3 | 6 | 4.2 | 3 | 3 | 6.3 | 4.5 | 3 | ||||||||||||||||||||||||||||||||||||
| 5.0T | M24 | 9.2 | 18.4 | 5 | 10 | 7 | 5 | 5 | 10.5 | 7.5 | 5 | ||||||||||||||||||||||||||||||||||||
产品问答
关于此产品的常见问题
1、吊环型号中的吨位是极限负载吗?
是安全工作负载,旋转吊环都是有4倍安全系数,不同数量和不同角度都有对应的安全负载
2、吊环可以定制吗?
目前最常见的吊环定制是针对于螺纹长度的改变,负载不变;以及少数客户有外观和材质不同的定制,例如白色外观要求,盐雾720H高要求,以及双相不锈钢整体定制
3、吊环有认证吗?如何保障其安全问题?
旋转吊环都有CE认证以及各种第三方认证,同时有国内龙头保险公司承保,且产品本身有4倍安全系数
4、吊环安装要求有哪些?
螺纹孔需要严格按照标准加工,安装前需要清理干净异物和灰尘,同时需要将螺纹完全拧入起吊工件或者设备,使得吊环本体完全贴合
1. 添加筛选条件,生成产品型号
客服
购物车
小程序
怡合达商城小程序
随身商城一手掌握
公众号
微信公众号
订单/资讯随手掌握
微信技术交流服务群
扫码添加进群
浏览记录
问题反馈
置顶
Copyright © 2010-2026 东莞怡合达自动化股份有限公司 版权所有 粤ICP备14032684号
营业执照: 91441900566614589Q






