型号筛选
可选加工(可选)
未生成型号,还有 2 项未选择
重置
代码
无数据
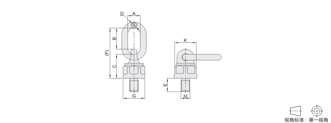
产品选型
代码
无数据
规格
无数据
M
无数据
价格生成中...
图片仅供参考,请以已选的规格为准
万向旋转吊环 螺钉型 合金钢材质 橙色 烤漆(橙色)
条件筛选:
产品型号:
未税折扣单价: -- --
含税折扣单价: ----
含税总价 (税率13%): ¥--
预计发货天数:-- 天 (发货天数以下单次日起算,不含周日与法定假日)
购买数量(PCS):
起订量:1PCS
, 加量幅度:1PCS
登录后可查看价格、加入购物车、一键购买
立即登录
价格生成中...
登录后可查看价格、加入购物车、一键购买
立即登录
代码TCF34的技术资料信息曾有所变更,可前往 型号勘误表 查看变更记录
相似商品
同类人气商品
技术图档
全部型号
3D预览
技术图档
产品问答
材质图
参数图
| 代码 |
类型 |
材质 |
表面处理 | |
| TCF34 | 万向旋转吊环 | 螺钉型 | 合金钢 | 烤漆(橙色) |

因烤漆工艺,可能会导致产品吊装处部分区域未能烤漆。
选型表
工作极限载荷
| 吊环安装方式 | ![]() |
![]() |
![]() |
![]() |
![]() |
![]() |
![]() |
![]() |
|||||||||||||||||||||||||||||||||||||||
| 吊环数量 | 1 | 2 | 1 | 2 | 2 | 2 | 2 | 3~4 | 3~4 | 3~4 | |||||||||||||||||||||||||||||||||||||
| 起吊角度 | 0° | 0° | 90° | 90° | 0~45° | 45~60° | 不对称 | 0~45° | 45~60° | 不对称 | |||||||||||||||||||||||||||||||||||||
| 型号 | 螺纹 | 工作极限载荷(吨) | |||||||||||||||||||||||||||||||||||||||||||||
| 代码 | 规格 | ||||||||||||||||||||||||||||||||||||||||||||||
| TCF34 | 0.4T | M8 | 0.6 | 1.2 | 0.4 | 0.8 | 0.6 | 0.4 | 0.4 | 0.8 | 0.6 | 0.4 | |||||||||||||||||||||||||||||||||||
| 0.6T | M10 | 0.9 | 1.8 | 0.6 | 1.2 | 0.8 | 0.6 | 0.6 | 1.3 | 0.9 | 0.6 | ||||||||||||||||||||||||||||||||||||
| 0.7T | M12 | 1.2 | 2.4 | 0.7 | 1.4 | 1 | 0.7 | 0.7 | 1.5 | 1.1 | 0.7 | ||||||||||||||||||||||||||||||||||||
| 1.05T | 1.6 | 3.2 | 1.05 | 2.1 | 1.5 | 1.1 | 1.1 | 2.2 | 1.6 | 1.1 | |||||||||||||||||||||||||||||||||||||
| 1.25T | M14 | 2 | 4 | 1.25 | 2.5 | 1.8 | 1.3 | 1.3 | 2.6 | 1.9 | 1.3 | ||||||||||||||||||||||||||||||||||||
| 1.5T | M16 | 2.6 | 5.2 | 1.5 | 3 | 2.1 | 1.5 | 1.5 | 3.2 | 2.3 | 1.5 | ||||||||||||||||||||||||||||||||||||
| 1.9T | M16 | 3 | 6 | 1.9 | 3.8 | 2.7 | 1.9 | 1.9 | 4 | 2.9 | 1.9 | ||||||||||||||||||||||||||||||||||||
| M18 | |||||||||||||||||||||||||||||||||||||||||||||||
| 2T | M18 | 3.6 | 7.2 | 2 | 4 | 2.8 | 2 | 2 | 4.2 | 3 | 2 | ||||||||||||||||||||||||||||||||||||
| M20 | 3.5 | 7 | |||||||||||||||||||||||||||||||||||||||||||||
| M22 | |||||||||||||||||||||||||||||||||||||||||||||||
| 2.5T | M20 | 4 | 8 | 2.5 | 5 | 3.5 | 2.5 | 2.5 | 5.3 | 3.8 | 2.5 | ||||||||||||||||||||||||||||||||||||
| M22 | |||||||||||||||||||||||||||||||||||||||||||||||
| 3.15T | M24 | 5 | 10 | 3.15 | 6.3 | 4.4 | 3.2 | 3.2 | 6.6 | 4.7 | 3.2 | ||||||||||||||||||||||||||||||||||||
| 4T | M24 | 7 | 14 | 4 | 8 | 5.6 | 4 | 4 | 8.4 | 6 | 4 | ||||||||||||||||||||||||||||||||||||
| M27 | |||||||||||||||||||||||||||||||||||||||||||||||
| 5T | M30 | 5 | 10 | 7 | 5 | 5 | 10.5 | 7.5 | 5 | ||||||||||||||||||||||||||||||||||||||
| 6T | 10 | 20 | 6 | 12 | 8.4 | 6 | 6 | 12.6 | 9 | 6 | |||||||||||||||||||||||||||||||||||||
| 7.5T | M33 | 15 | 30 | 7.5 | 15 | 10.5 | 7.5 | 7.5 | 15.8 | 11.3 | 7.5 | ||||||||||||||||||||||||||||||||||||
| 10T | M36 | 10 | 20 | 14 | 10 | 10 | 21 | 15 | 10 | ||||||||||||||||||||||||||||||||||||||
| M39 | |||||||||||||||||||||||||||||||||||||||||||||||
| 13T | M42 | 17 | 34 | 13 | 26 | 18.2 | 13 | 13 | 27.3 | 19.5 | 13 | ||||||||||||||||||||||||||||||||||||
| M45 | |||||||||||||||||||||||||||||||||||||||||||||||
| 14T |
M48 | 18 | 36 | 14 | 28 | 19.6 | 14 | 14 | 29.4 | 21 | 14 | ||||||||||||||||||||||||||||||||||||
| 20T | M52 | 25 | 50 | 20 | 40 | 28 | 20 | 20 | 42 | 30 | 20 | ||||||||||||||||||||||||||||||||||||
| M56 | 28 | 56 | |||||||||||||||||||||||||||||||||||||||||||||
| M60 | |||||||||||||||||||||||||||||||||||||||||||||||
| M64 | |||||||||||||||||||||||||||||||||||||||||||||||
| 25T | M72 | 31.5 | 63 | 25 | 50 | 35 | 25 | 25 | 52.5 | 37.5 | 25 | ||||||||||||||||||||||||||||||||||||
| 30T | M80 | 38 | 76 | 30 | 60 | 42 | 30 | 30 | 63 | 45 | 30 | ||||||||||||||||||||||||||||||||||||
| 31.5T | M72 | 40 | 80 | 31.5 | 63 | 44.1 | 31.5 | 31.5 | 66.2 | 47.3 | 31.5 | ||||||||||||||||||||||||||||||||||||
| 35T | M80 | 35 | 70 | 49 | 35 | 35 | 73.5 | 52.5 | 35 | ||||||||||||||||||||||||||||||||||||||
| M90 | |||||||||||||||||||||||||||||||||||||||||||||||
| M100 | |||||||||||||||||||||||||||||||||||||||||||||||
| 40T | M90 | 50 | 100 | 40 | 80 | 56 | 40 | 40 | 84 | 60 | 40 | ||||||||||||||||||||||||||||||||||||
| M100 | |||||||||||||||||||||||||||||||||||||||||||||||
产品问答
关于此产品的常见问题
1、吊环型号中的吨位是极限负载吗?
是安全工作负载,旋转吊环都是有4倍安全系数,不同数量和不同角度都有对应的安全负载
2、吊环可以定制吗?
目前最常见的吊环定制是针对于螺纹长度的改变,负载不变;以及少数客户有外观和材质不同的定制,例如白色外观要求,盐雾720H高要求,以及双相不锈钢整体定制
3、吊环有认证吗?如何保障其安全问题?
旋转吊环都有CE认证以及各种第三方认证,同时有国内龙头保险公司承保,且产品本身有4倍安全系数
4、吊环安装要求有哪些?
螺纹孔需要严格按照标准加工,安装前需要清理干净异物和灰尘,同时需要将螺纹完全拧入起吊工件或者设备,使得吊环本体完全贴合
1. 添加筛选条件,生成产品型号
客服
购物车
小程序
怡合达商城小程序
随身商城一手掌握
公众号
微信公众号
订单/资讯随手掌握
微信技术交流服务群
扫码添加进群
浏览记录
问题反馈
置顶
Copyright © 2010-2026 东莞怡合达自动化股份有限公司 版权所有 粤ICP备14032684号
营业执照: 91441900566614589Q






