型号筛选
可选加工(可选)
未生成型号,还有 1 项未选择
重置
代码
无数据
产品选型
代码
无数据
规格
无数据
价格生成中...
图片仅供参考,请以已选的规格为准
螺柱固定吊点 合金钢 烤漆
条件筛选:
产品型号:
未税折扣单价: -- --
含税折扣单价: ----
含税总价 (税率13%): ¥--
预计发货天数:-- 天 (发货天数以下单次日起算,不含周日与法定假日)
购买数量(PCS):
起订量:1PCS
, 加量幅度:1PCS
登录后可查看价格、加入购物车、一键购买
立即登录
价格生成中...
登录后可查看价格、加入购物车、一键购买
立即登录
代码TCC81的技术资料信息曾有所变更,可前往 型号勘误表 查看变更记录
技术图档
全部型号
3D预览
技术图档
产品问答
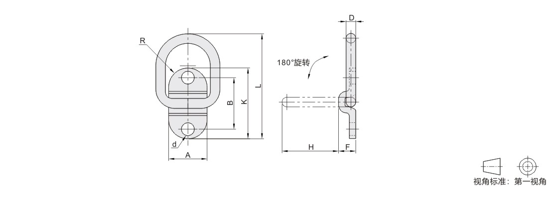
材质图
参数图
| 代码 | 类型 | 材质 | 表面处理 |
| TCC81 | 螺柱固定吊点 | 合金钢 | 烤漆 |
特性:
● 锻造合金钢-淬火和回火;
● 具有优秀的焊接质量;
● 广泛应用于农业机械 、卡车,
钢铁船身等起重设备。
因烤漆工艺,可能会导致产品吊装处部分区域未能烤漆。

产品问答
关于此产品的常见问题
1、吊环型号中的吨位是极限负载吗?
是安全工作负载,旋转吊环都是有4倍安全系数,不同数量和不同角度都有对应的安全负载
2、吊环可以定制吗?
目前最常见的吊环定制是针对于螺纹长度的改变,负载不变;以及少数客户有外观和材质不同的定制,例如白色外观要求,盐雾720H高要求,以及双相不锈钢整体定制
3、吊环有认证吗?如何保障其安全问题?
旋转吊环都有CE认证以及各种第三方认证,同时有国内龙头保险公司承保,且产品本身有4倍安全系数
4、吊环安装要求有哪些?
螺纹孔需要严格按照标准加工,安装前需要清理干净异物和灰尘,同时需要将螺纹完全拧入起吊工件或者设备,使得吊环本体完全贴合
1. 添加筛选条件,生成产品型号
客服
购物车
公众号
微信公众号
订单/资讯随手掌握
微信技术交流服务群
扫码添加进群
浏览记录
问题反馈
置顶
Copyright © 2010-2026 东莞怡合达自动化股份有限公司 版权所有 粤ICP备14032684号
营业执照: 91441900566614589Q