型号筛选
可选加工(可选)
未生成型号,还有 2 项未选择
重置
代码
无数据
产品选型
代码
无数据
M
无数据
D
无数据
价格生成中...
图片仅供参考,请以已选的规格为准
行程销 标准型 轻载
条件筛选:
产品型号:
未税折扣单价: -- --
含税折扣单价: ----
含税总价 (税率13%): ¥--
预计发货天数:-- 天 (发货天数以下单次日起算,不含周日与法定假日)
购买数量(PCS):
起订量:1PCS
, 加量幅度:1PCS
登录后可查看价格、加入购物车、一键购买
立即登录
价格生成中...
登录后可查看价格、加入购物车、一键购买
立即登录
代码ZAB91的技术资料信息曾有所变更,可前往 型号勘误表 查看变更记录
技术图档
全部型号
3D预览
技术图档
材质图
参数图
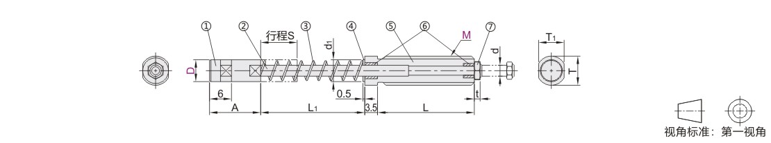
| 代码 | 类型 | ①销前端 | ②销 | ③弹簧 | ④垫片 | ⑤主体 | ⑥无油衬套 | ⑦螺帽 | |||
| 前端 | 金属芯 | ||||||||||
| 材质 | 材质 | 材质 | 材质 | 材质 | 表面处理 | 材质 | 材质 | 表面处理 | |||
| ZAB91 | 标准型 | 聚缩醛 | SUS304 | SUS303 | SUS304-WPB | SUS304 | S45C | 无电解 镀镍 |
PTFE | 相当于 SUM22 |
镀锌 |

※ 后部⑦螺帽已铆接,不可拆卸。
1. 添加筛选条件,生成产品型号
客服
购物车
公众号
微信公众号
订单/资讯随手掌握
微信技术交流服务群
扫码添加进群
浏览记录
问题反馈
置顶
Copyright © 2010-2026 东莞怡合达自动化股份有限公司 版权所有 粤ICP备14032684号
营业执照: 91441900566614589Q