型号筛选
可选加工(可选)
未生成型号,还有 7 项未选择
重置
代码
无数据
产品选型
代码
无数据
缸径
无数据
动作形式
无数据
摆动角度
无数据
内置磁石
无数据
磁性开关接点类型
无数据
磁性开关线长(m)
无数据
磁性开关数量
无数据
价格生成中...
图片仅供参考,请以已选的规格为准
夹爪 摆动型
品牌名称:
怡合达
条件筛选:
产品型号:
未税折扣单价: -- --
含税折扣单价: ----
含税总价 (税率13%): ¥--
预计发货天数:-- 天 (发货天数以下单次日起算,不含周日与法定假日)
购买数量(PCS):
起订量:1PCS
, 加量幅度:1PCS
登录后可查看价格、加入购物车、一键购买
立即登录
价格生成中...
登录后可查看价格、加入购物车、一键购买
立即登录
代码WGY86的技术资料信息曾有所变更,可前往 型号勘误表 查看变更记录
相似商品
同类人气商品
计算选型
技术图档
全部型号
3D预览
技术图档
产品简介
产品问答
材质图
参数图
| 代码 | 类型 | 动作形式 | |||||||||
| WGY86 | 摆动型 | 双作用/单作用 | |||||||||

选型表
| 型号 | 动作形式 | 摆动角度 (注1) |
内置磁石 | 磁性开关接点类型 | 磁性开关线长 (m) |
磁性开关数量 (注3) |
|||||||||||||||||||||||||||||||||||||||||||||
| 代码 | 缸径 | ||||||||||||||||||||||||||||||||||||||||||||||||||
| WGY86 | 10 | D(双作用) S(单作用,常开) |
90(90°±10°) 180(180°±10°) |
Y(有) | 无指定(无磁性开关) 2(电子式无接点2线) N(电子式无接点NPN型) P(电子式无接点PNP型) |
2 3 5 |
4 | ||||||||||||||||||||||||||||||||||||||||||||
| 16 | |||||||||||||||||||||||||||||||||||||||||||||||||||
| 20 | |||||||||||||||||||||||||||||||||||||||||||||||||||
| 25 | |||||||||||||||||||||||||||||||||||||||||||||||||||
| 型号 | 使用压力范围(Mpa) | 夹爪部手指- 开闭重复精度 (mm) |
摆动时间 调整范围 (注2) |
工作环境 温度 (℃) |
允许 动能 (J) |
开闭 行程 |
重量(g) | |||||||||||||||||||||||||||||||||||
| 代码 | 缸径 | 摆动部 | 夹爪部 | 双作用 | 单作用(常开) |
|||||||||||||||||||||||||||||||||||||
| 双作用 | 单作用 | 摆动90° | 摆动180° | 摆动90° | 摆动180° | |||||||||||||||||||||||||||||||||||||
| WGY86 | 10 | 0.25~0.7 | 0.25~0.7 | 0.35~0.7 | ±0.01 | 0.07~0.3S/90° (05Mpa时) |
5~60 | 0.0046 | 4 | 306 | 305 | 307 | 306 | |||||||||||||||||||||||||||||
| 16 | 0.10~0.7 | 0.25~0.7 | 0.014 | 6 | 593 | 591 | 594 | 592 | ||||||||||||||||||||||||||||||||||
| 20 | 0.25~1.0 | 0.034 | 10 | 1055 | 1052 | 1060 | 1057 | |||||||||||||||||||||||||||||||||||
| 25 | 0.074 | 14 | 1561 | 1555 | 1566 | 1560 | ||||||||||||||||||||||||||||||||||||
注1:两侧摆动端各±5°可调整。 注2:用超过低速限值进行速度控制时,会发生卡死现象或不动作,请在速度调整范围内使用。
注3:当选择无磁性开关时,无需选择磁性开关线长;选择带磁性开关时配套磁性开关摆动部标配2条,夹爪部标配2条,共4条。
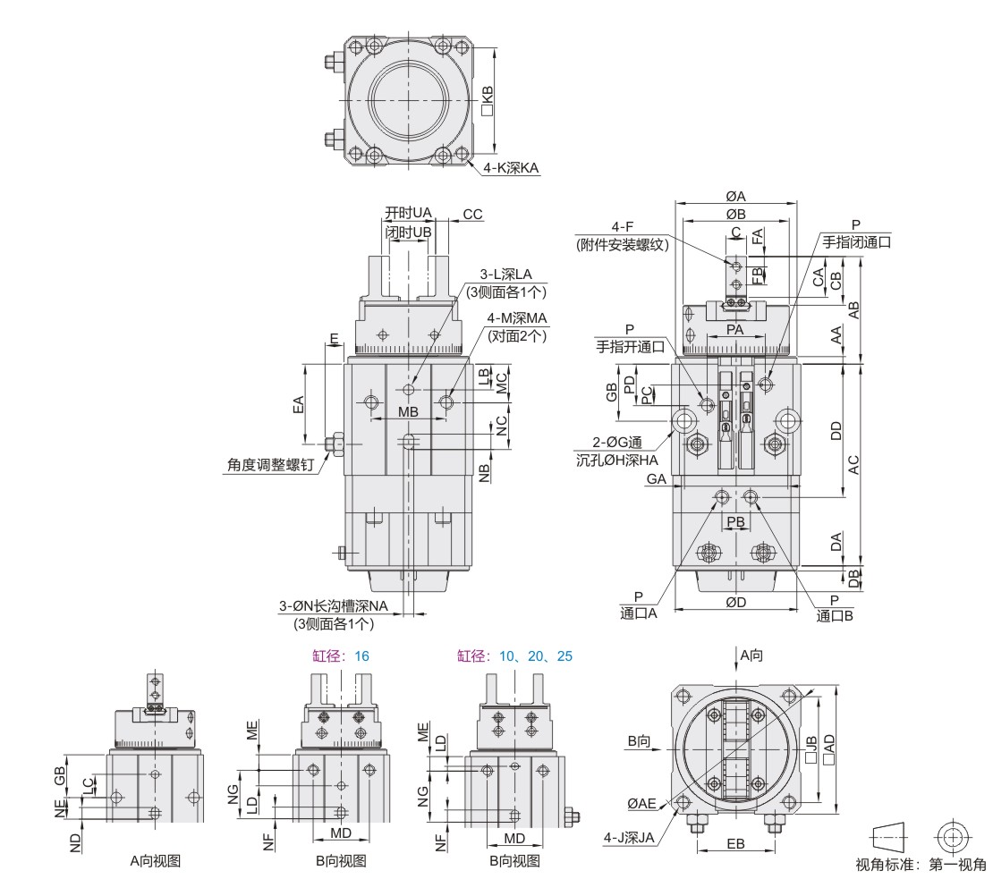
尺寸表
| 缸径 | A | AA | AB | AC | AD | AE | B | C | CA | CB | CC |
D |
DA | DB | DD | E(max) | EA | EB | F | FA | FB | G | GA | GB | H | HA | J | JA | JB | |||||||||||||||
| 10 | 37h9 | 0 -0.062 |
2.5 | 34 | 63 | 41 | 54.5 | 31 | 5 | 0 -0.1 |
12 | 13.7 | 4 | 0 -0.1 |
37h9 | 0 -0.062 |
2 | 10 | 41.5 | 6.1 | 25 | 24.5 | M2.5 | 3 | 5.7 | 4.5 | 33 | 18 | 8 | 2.5 | M4 | 6 | 34 | |||||||||||
| 16 | 47h9 | 3 | 42 | 78 | 50 | 66.5 | 41 | 8 | 15 | 18.8 | 5 | 47h9 | 51.5 | 7.3 | 31 | 30 | M3 | 4 | 7 | 5.5 | 40 | 22 | 9.5 | 3 | M5 | 8 | 41 | |||||||||||||||||
| 20 | 54h9 | 0 -0.074 |
3.4 | 51 | 101 | 59 | 78 | 51 | 10 | 0 -0.06 |
20 | 24.5 | 8 | 50h9 | 62 | 9.2 | 39 | 38.5 | M4 | 5 | 9 | 6.5 | 46 | 26 | 11 | 2.8 | M6 | 10 | 48 | |||||||||||||||
| 25 | 66h9 | 4 | 63 | 107 | 70 | 93 | 64 | 12 | 25 | 30.4 | 10 | 50h9 | 69 | 14 | 45 | 47 | M5 | 6 | 12 | 8.5 | 54 | 27.5 | 14 | 4 | 58 | |||||||||||||||||||
| 缸径 | K | KA | KB | L |
LA | LB | LC | LD | M | MA | MB | MC | MD | ME | N |
NA | NB | NC | ND | NE | NF | NG | P | PA | PB | PC | PD | UA |
UB |
||||||||||||||||||||||
| 10 | M4 | 6 | 34 | 3H9 | +0.025 0 |
4 | 13.5 | 6 | 2 | M4 | 6 | 23 | 11.5 | 23 | 6 | 3H9 | +0.025 0 |
3 | 5 | 15.5 | 5 | 9 | 5 | 21 | M5 | 22.5 | 11 | 4.5 | 11 | 15.2 | +2.2 0 |
11.2 | 0 -0.7 |
||||||||||||||||||
| 16 | M5 | 8 | 41 | 4H9 | +0.030 0 |
6 | 5 | 12 | 8 | M5 | 8 | 29 | 15 | 29 | 8 | 4H9 | +0.030 0 |
4 | 6 | 18 | 6 | 11 | 6 | 25 | 8 | 16 | 20.9 | +2.2 -0.2 |
14.9 | ||||||||||||||||||||||
| 20 |
M6 |
10 |
48 |
5H9 |
6 |
10 |
16 |
6.5 | M6 |
9 |
36 |
16.5 | 36 |
16.5 | 5H9 |
8 | 27 |
8 | 17.5 |
8 | 27 |
24 | 12 | 9 |
19 |
26.3 |
16.3 |
0 -0.8 |
|||||||||||||||||||||||
| 25 | 6H9 | 8 | 17.5 | 7 | M8 | 12 | 42 | 17 | 42 | 17 | 6H9 | 32 | 21.5 | 32 | 11 | 23 | 33.3 | +5.2 -0.2 |
19.3 | ||||||||||||||||||||||||||||||||
产品简介
产品问答
关于此产品的常见问题
1、气缸是否附磁性开关,是否为NPN,PNP磁性开关?
气缸选型尾部-0,表示单独气缸,-2表示附2条磁性开关;-2表示我司标配的磁开为电子式,两线制,2米线长磁开,如需NPN,PNP需在型号后备注。
2、磁性开关能否定位气缸?
磁性开关只是辅助检测气缸有没有走到位,不能起到定位的作用,它靠磁石的感应范围没有精度的。
3、气缸是否有LA,FB安装附件?
目前怡合达官网暂时没有上型该部分附件,如客户需要可以询价备注,按需配好附件。
4、怎么计算气缸的出力大小?
在“产品简介”部分,有气缸理论出力表,可作为参考;但部分特殊气缸需要根据客户实际应用需求具体分析,可联系我司工作人员。
5、WGU02此款气缸导杆伸出较多,可以切掉?
不可以切掉,导杆切了导杆长度不够,气缸活塞杆伸出去会摆动。
1. 添加筛选条件,生成产品型号
客服
购物车
小程序
怡合达商城小程序
随身商城一手掌握
公众号
微信公众号
订单/资讯随手掌握
微信技术交流服务群
扫码添加进群
浏览记录
问题反馈
置顶
Copyright © 2010-2026 东莞怡合达自动化股份有限公司 版权所有 粤ICP备14032684号
营业执照: 91441900566614589Q