型号筛选
未生成型号,还有 7 项未选择
代码
参数选型
轴承类型
产品选型
缸径
行程
内置磁石
磁性开关接点类型
磁性开关线长(m)
图片仅供参考,请以已选的规格为准
三轴气缸 缸径6~100 直线轴承/铜套轴承
品牌名称:
怡合达
条件筛选:
产品型号:
登录后可查看价格、加入购物车、一键购买
立即登录
计算选型
技术图档
全部型号
3D预览
材质图
参数图
| 代码 | 类型 | 轴承 | 动作形式 |
| WGU05 | 三轴气缸 | 直线轴承 | 双作用 |
| WGU06 | 铜套轴承 |

----------------------------------------------------------------------------------------------------------------------------------------------------------------------------------------------

----------------------------------------------------------------------------------------------------------------------------------------------------------------------------------------------

----------------------------------------------------------------------------------------------------------------------------------------------------------------------------------------------

选型表
| 型号 |
行程 |
内置 磁石 |
磁性开关接点类型 |
磁性开关线长 (m) |
P 接管螺纹 |
|
| 代码 | 缸径 | |||||
| 铜套轴承 WGU06 |
6 | 5 10 15 20 | Y(有) | 无指定(无磁性开关) 2(电子式无接点2线) N(电子式无接点NPN型) P(电子式无接点PNP型) |
2 3 5 |
M3 |
| 10 | 5 10 15 20 25 30 | |||||
| 直线轴承 WGU05 铜套轴承 WGU06 |
12 | 10 20 25 30 40 50 60 70 75 80 90 100 125 150 | M5 | |||
| 16 | 10 20 25 30 40 50 60 70 75 80 90 100 125 150 175 200 | |||||
| 20 | 20 25 30 40 50 60 70 75 80 90 100 125 150 175 200 225 250 | PT1/8 | ||||
| 25 | ||||||
| 32 | 25 30 40 50 60 70 75 80 90 100 125 150 175 200 225 250 | |||||
| 40 | ||||||
| 50 | PT1/4 | |||||
| 63 | ||||||
| 80 | PT3/8 | |||||
| 100 | ||||||
WGU05/06全系列附磁,选择无磁性开关时,无需选择磁性开关线长;选择带磁性开关时,配套磁性开关为WHS33系列,磁性开关数量默认为2pcs。
| 型号 |
缓冲形式 |
工作介质 |
使用压力范围 (MPa) |
保证耐压力 (MPa) |
使用速度范围 (mm/s) |
工作温度 (℃) |
不回转精度※ |
||
| 代码 | 缸径 | WGU05 | WGU06 | ||||||
| 铜套轴承 WGU06 |
6 | 防撞垫 | 空气 (经40μm以上 滤网过滤) |
0.2~0.7 | 1.2 | 50~500 | -20~70 | — | ±0.1° |
| 10 | |||||||||
| 直线轴承 WGU05 铜套轴承 WGU06 |
12 | 0.15~1.0 | 1.5 | 30~500 | ±0.08° | ±0.1° | |||
| 16 | |||||||||
| 20 | ±0.07° | ±0.09° | |||||||
| 25 | |||||||||
| 32 | ±0.06° | ±0.08° | |||||||
| 40 | |||||||||
| 50 | ±0.05° | ±0.06° | |||||||
| 63 | |||||||||
| 80 | 50~400 | ±0.04° | ±0.05° | ||||||
| 100 | |||||||||
※不回转精度为气缸完全收回状态时,气缸固定板可回转的角度。
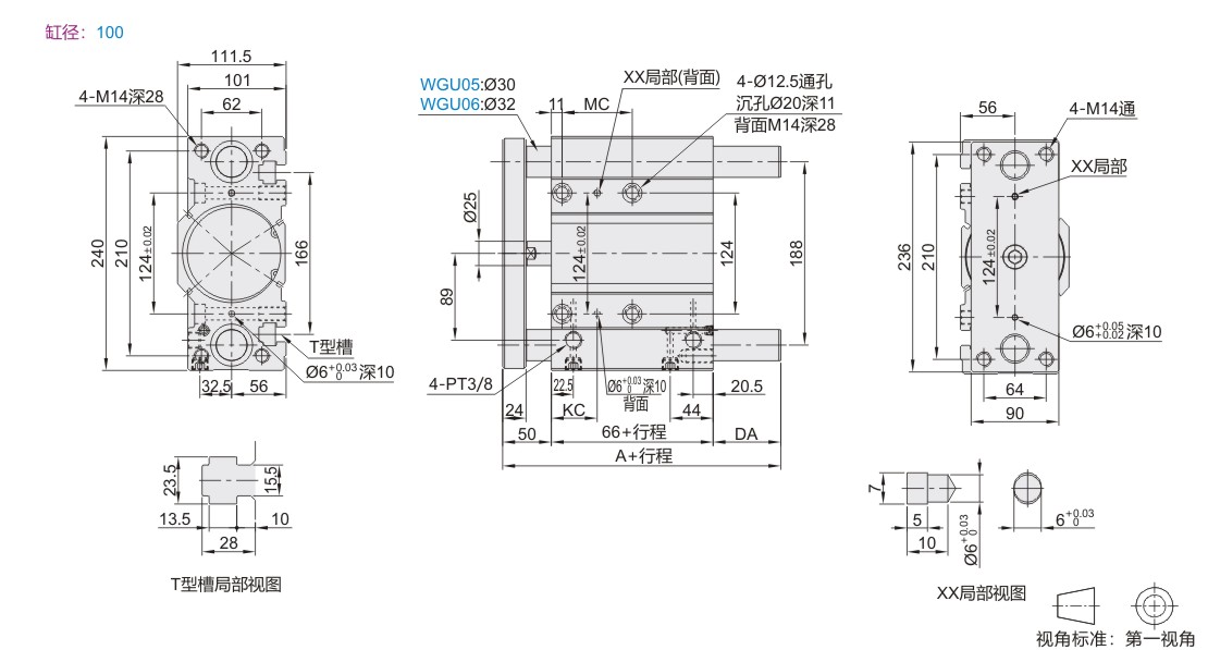
尺寸表(缸径6-10)
| 代码 | A | AB | AC |
AD | B | BA | C | CA | CB | D | DB | G | K | L | LA | LB | LC | LD | M | MA | MB | N | P | PD | PF | ||||||||||||
| 6 | 29.5 | 6 | 23.5 | 5 | 30 | 29 | 14.5 | 9 | 6 | 5 | 3 | 20.5 | M2.5 | M3 | 5 |
20.5 | 6 | 9 | 6 | 3 | 9.5 | 3.5 | M3 | 9.5 | 5.5 | ||||||||||||
| 10 | 32 | 26 | 34 | 33 | 18 | 10 | 7.5 | 6 | 5 | 23 | M3 | M4 | 23 | 8 | 11 | 8 | 4 | 8.5 | 4.5 | 11.5 | 5 | ||||||||||||||||
尺寸表(缸径12-63)
| 缸径 | A | DA | MC | KC | ||||||||||||||
| WGU05 | WGU06 | WGU05/06 | WGU05 | WGU06 | WGU05/06 | WGU05/06 | WGU05/06 | |||||||||||
| 行程 10~30 |
行程 40~100 |
行程 60~100 |
行程 125~200 |
行程 200以上 |
行程 10~30 |
行程 40~100 |
行程 60~100 |
行程 125~200 |
行程 200以上 |
行程 10~30 |
行程 40~100 |
行程 125~200 |
行程 200以上 |
行程 10~30 |
行程 40~100 |
行程 125~200 |
行程 200以上 |
|
| 12 | 42 | 55 | 55 | 85 | — | 0 | 13 | 13 | 43 | — | 20 | 40 | 110 | — | 15 | 25 | 60 | — |
| 16 | 46 | 65 | 65 | 95 | 19 | 19 | 49 | 17 | 27 | |||||||||
| 20 | 53 | 80 | 80 | 104 | 122 | 27 | 27 | 51 | 69 | 24 | 44 | 120 | 200 | 29 | 39 | 77 | 117 | |
| 25 | 53.5 | 82 | 82 | 104.5 | 28.5 | 28.5 | 68.5 | |||||||||||
| 缸径 | A | DA | MC | KC | |||||||||||||||||
| WGU05 | WGU06 | WGU05/06 | WGU05 | WGU06 | WGU05/06 | WGU05/06 | WGU05/06 | ||||||||||||||
| 行程 25~50 |
行程 60~100 |
行程 25~50 |
行程 60~100 |
行程 125~200 |
行程 200以上 |
行程 25~50 |
行程 60~100 |
行程 25~50 |
行程 60~100 |
行程 125~200 |
行程 200以上 |
行程 25~40 |
行程 50~100 |
行程 125~200 |
行程 200以上 |
行程 25~40 |
行程 50~100 |
行程 125~200 |
行程 200以上 |
||
| 32 | 65 | 102 | 78 | 102 | 118 | 140 | 5.5 | 42.5 | 18.5 | 42.5 | 58.5 | 80.5 | 24 | 48 | 124 | 200 | 33 | 45 | 83 | 121 | |
| 40 | 66 | 0 | 36 | 12 | 36 | 52 | 74 | 34 | 46 | 84 | 122 | ||||||||||
| 50 | 76 | 118 | 89 | 118 | 134 | 161 | 4 | 46 | 17 | 46 | 62 | 89 | 36 | 48 | 86 | 124 | |||||
| 63 | 77 | 0 | 41 | 12 | 41 | 57 | 84 | 28 | 52 | 128 | 38 | 50 | 88 | ||||||||
| 缸径 |
AB |
AC |
AD |
B |
BA |
C |
CA |
D |
DB |
G |
J | JA |
K |
KA |
KB |
L |
LA |
LB |
LC |
|
| WGU05 | WGU06 | |||||||||||||||||||
| 12 | 13 | 29 | 8 | 58 | 56 | 26 | 22 | 6 | 8 | 6 | 41 | 3.5 | 3 | 3 | 6 | 23 | M4 | 10 | 50 | 18 |
| 16 | 33 | 64 | 62 | 30 | 25 | 8 | 10 | 8 | 46 | 24 | M5 | 12 | 56 | 22 | ||||||
| 20 | 16 | 37 | 10 | 83 | 81 | 36 | 30 | 10 | 12 | 10 | 54 | 28 | 13 | 72 | 24 | |||||
| 25 | 37.5 | 93 | 91 | 42 | 38 | 12 | 16 | 12 | 64 | 4.5 | 4 | 34 | M6 | 15 | 82 | 30 | ||||
| 32 | 22 | 12 | 112 | 110 | 48 | 44 | 16 | 20 | 16 | 78 | 42 | M8 | 20 | 98 | 34 | |||||
| 40 | 44 | 120 | 118 | 54 | 86 | 50 | 106 | 40 | ||||||||||||
| 50 | 28 | 16 | 148 | 146 | 64 | 60 | 20 | 20 | 110 | 6 | 4 | 5 | 8 | 66 | 130 | 46 | ||||
| 63 | 49 | 162 | 158 | 78 | 70 | 124 | 80 | M10 | 22 | 142 | 58 | |||||||||
| 缸径 | LD | LE | M | MA | MB | N | P | PA | PB | PC | PD | PE | PF | R | RA | S | U | V | W | X | Y | ||||||||||||||||||||||||
| 12 | 48 | 14 | 8 | 4.5 | 5 | 4.5 | M5 | 8 | 18 | 11 | 11 | 13 | 7.5 | M5 | 12 | 37 | 7.5 | 4.5 | 4 | 2 | 6.5 | ||||||||||||||||||||||||
| 16 | 54 | 16 | 10 | 19 | 15 | 8 | 10 | 38 | 2.5 | 7 | |||||||||||||||||||||||||||||||||||
| 20 | 70 | 18 | 9.5 | 5.5 | 17 | 5.5 | 11 | 25 | 10.5 | 10.5 | 12.5 | 9 | M6 | 12 | 44 | 8.5 | 5.5 | 4.5 | 3 | 8 | |||||||||||||||||||||||||
| 25 | 78 | 26 | PT1/8 | 13.5 | 28.5 | 11.5 | 11.5 | 50 | 8.5 | ||||||||||||||||||||||||||||||||||||
| 32 | 96 | 30 | 11 | 7.5 | 21 | 6 | 16 | 34 | 12.5 | 12.5 | 7 | M8 | 16 | 63 | 10.5 | 6.5 | 5.5 | 3.5 | 9.5 | ||||||||||||||||||||||||||
| 40 | 104 | 22 | 5 | 18 | 38 | 14 | 16 | 13 | 10 | M10 | 20 | 72 | 4 | 11 | |||||||||||||||||||||||||||||||
| 50 | 130 | 40 | 14 | 9 | 24 | 8.5 | PT1/4 | 21.5 | 47 | 12 | 12 | 9 | 11 | 92 | 13.5 | 8.5 | 7.5 | 4.5 | 13.5 | ||||||||||||||||||||||||||
| 63 | 50 | 28 | 55 | 16.5 | 16.5 | 14 | 13.5 | 110 | 18 | 11 | 10 | 7 | 18.5 | ||||||||||||||||||||||||||||||||
尺寸表(缸径80)
| 缸径 | A | DA | KC | MC | ||||||||||||||
| WGU05 | WGU06 | WGU05/06 | WGU05 | WGU06 | WGU05/06 | WGU05/06 | WGU05/06 | |||||||||||
| 行程 25~60 |
行程 70~100 |
行程 125~150 |
行程 150以上 |
行程 25~60 |
行程 70~100 |
行程 125~150 |
行程 150以上 |
行程 25~40 |
行程 50~100 |
行程 125~200 |
行程 200以上 |
行程 25~40 |
行程 50~100 |
行程 125~200 |
行程 200以上 |
|||
| 80 | 106.5 | 112.5 | 165.5 | 165.5 | 187.5 | 10 | 16 | 69 | 69 | 91 | 42 | 54 | 92 | 128 | 28 | 52 | 128 | 200 |
尺寸表(缸径100)
| 缸径 | A | DA | KC | MC | ||||||||||||||
| WGU05 | WGU06 | WGU05/06 | WGU05 | WGU06 | WGU05/06 | WGU05/06 | WGU05/06 | |||||||||||
| 行程 25~60 |
行程 70~100 |
行程 125~150 |
行程 150以上 |
行程 25~60 |
行程 70~100 |
行程 125~150 |
行程 150以上 |
行程 25~40 |
行程 50~100 |
行程 125~200 |
行程 200以上 |
行程 25~40 |
行程 50~100 |
行程 125~200 |
行程 200以上 |
|||
| 100 | 122 | 128 | 186 | 186 | 208 | 6 | 12 | 70 | 70 | 92 | 35 | 47 | 85 | 121 | 48 | 72 | 148 | 220 |
理论输出力表
| 缸径 | 杆径 |
动作形式 |
受压面积 (m㎡) |
使用压力(MPa) |
|||||||
| 0.1 | 0.2 | 0.3 | 0.4 | 0.5 | 0.6 | 0.7 | |||||
| 6 | 3 | 双作用 | 伸出 | 28.3 | 2.8 | 5.7 | 8.5 | 11.3 | 14.1 | 17 | 19.8 |
| 缩回 | 21.2 | 2.1 | 4.2 | 6.4 | 8.5 | 10.6 | 12.7 | 14.8 | |||
| 10 | 5 | 双作用 | 伸出 | 78.5 | 7.9 | 15.7 | 23.6 | 31.4 | 39.3 | 47.1 | 55 |
| 缩回 | 58.9 | 5.9 | 11.8 | 17.7 | 23.6 | 29.5 | 35.3 | 41.2 | |||
| 12 | 6 | 双作用 | 伸出 | 113.1 | 11.3 | 22.6 | 33.9 | 45.2 | 56.5 | 67.9 | 79.2 |
| 缩回 | 84.8 | 8.5 | 17 | 25.4 | 33.9 | 42.4 | 50.9 | 59.4 | |||
| 16 | 8 | 双作用 | 伸出 | 201.1 | 20.1 | 40.2 | 60.3 | 80.4 | 100.5 | 120.6 | 140.7 |
| 缩回 | 150.8 | 15.1 | 30.2 | 45.2 | 60.3 | 75.4 | 90.5 | 105.6 | |||
| 20 | 10 | 双作用 | 伸出 | 314.2 | 31.4 | 62.8 | 94.2 | 125.7 | 157.1 | 188.5 | 219.9 |
| 缩回 | 235.6 | 23.6 | 47.1 | 70.7 | 94.2 | 117.8 | 141.4 | 164.9 | |||
| 25 | 12 | 双作用 | 伸出 | 490.9 | 49.1 | 98.2 | 147.3 | 196.3 | 245.4 | 294.5 | 343.6 |
| 缩回 | 377.8 | 37.8 | 75.6 | 113.3 | 151.1 | 188.9 | 226.7 | 264.4 | |||
| 32 | 16 | 双作用 | 伸出 | 804.2 | 80.4 | 160.8 | 241.3 | 321.7 | 402.1 | 482.5 | 563 |
| 缩回 | 603.2 | 60.3 | 120.6 | 181 | 241.3 | 301.6 | 361.9 | 422.2 | |||
| 40 | 16 | 双作用 | 伸出 | 1256.6 | 125.7 | 251.3 | 377 | 502.7 | 628.3 | 754 | 879.6 |
| 缩回 | 1055.6 | 105.6 | 211.1 | 316.7 | 422.2 | 527.8 | 633.3 | 738.9 | |||
| 50 | 20 | 双作用 | 伸出 | 1963.5 | 196.3 | 392.7 | 589 | 785.4 | 981.7 | 1178.1 | 1374.4 |
| 缩回 | 1649.3 | 164.9 | 329.9 | 494.8 | 659.7 | 824.7 | 989.6 | 1154.5 | |||
| 63 | 20 | 双作用 | 伸出 | 3117.2 | 311.7 | 623.4 | 935.2 | 1246.9 | 1558.6 | 1870.3 | 2182.1 |
| 缩回 | 2803.1 | 280.3 | 560.6 | 840.9 | 1121.2 | 1401.5 | 1681.9 | 1962.2 | |||
| 80 | 25 | 双作用 | 伸出 | 5026.5 | 502.7 | 1005.3 | 1508 | 2010.6 | 2513.3 | 3015.9 | 3518.6 |
| 缩回 | 4535.7 | 453.6 | 907.1 | 1360.7 | 1814.3 | 2267.8 | 2721.4 | 3175 | |||
| 100 | 25 | 双作用 | 伸出 | 7854 | 785.4 | 1570.8 | 2356.2 | 3141.6 | 3927 | 4712.4 | 5497.8 |
| 缩回 | 7363.1 | 736.3 | 1472.6 | 2208.9 | 2945.2 | 3681.6 | 4417.9 | 5154.2 | |||