型号筛选
可选加工(可选)
未生成型号,还有 3 项未选择
重置
代码
无数据
产品选型
代码
无数据
缸径
无数据
手指行程
无数据
磁性开关数量
无数据
价格生成中...
图片仅供参考,请以已选的规格为准
气爪 平行开闭型 二爪 宽型 带磁石 缸径10~25 双作用
条件筛选:
产品型号:
未税折扣单价: -- --
含税折扣单价: ----
含税总价 (税率13%): ¥--
预计发货天数:-- 天 (发货天数以下单次日起算,不含周日与法定假日)
购买数量(PCS):
起订量:1PCS
, 加量幅度:1PCS
登录后可查看价格、加入购物车、一键购买
立即登录
价格生成中...
登录后可查看价格、加入购物车、一键购买
立即登录
代码WGY11的技术资料信息曾有所变更,可前往 型号勘误表 查看变更记录
相似商品
同类人气商品
计算选型
技术图档
全部型号
3D预览
技术图档
产品简介
产品问答
材质图
参数图
| 代码 | 类型 | 动作形式 | ||||||||||
| WGY11 | 平行开闭型 | 宽型 | 双作用 | |||||||||

选型表
| 型号 | 手指 行程 |
磁性开关 数量 |
接管 口径 |
夹持力 (N) |
使用 流体 |
使用 压力范围 MPa |
环境流体 温度 ℃ |
重复精度 | |||||||||||||||||||||||||||||||||||||||||||
| 代码 | 缸径 | ||||||||||||||||||||||||||||||||||||||||||||||||||
| WGY11 | 10 | 20 | 0 2 |
M5 | 14 | 空气 | 0.1~0.6 | -10~60 | ±0.1 | ||||||||||||||||||||||||||||||||||||||||||
| 16 | 30 | 45 | |||||||||||||||||||||||||||||||||||||||||||||||||
| 20 | 40 | 74 | |||||||||||||||||||||||||||||||||||||||||||||||||
| 25 | 50 | 131 | |||||||||||||||||||||||||||||||||||||||||||||||||
配套磁性开关WHS23-L2-2。
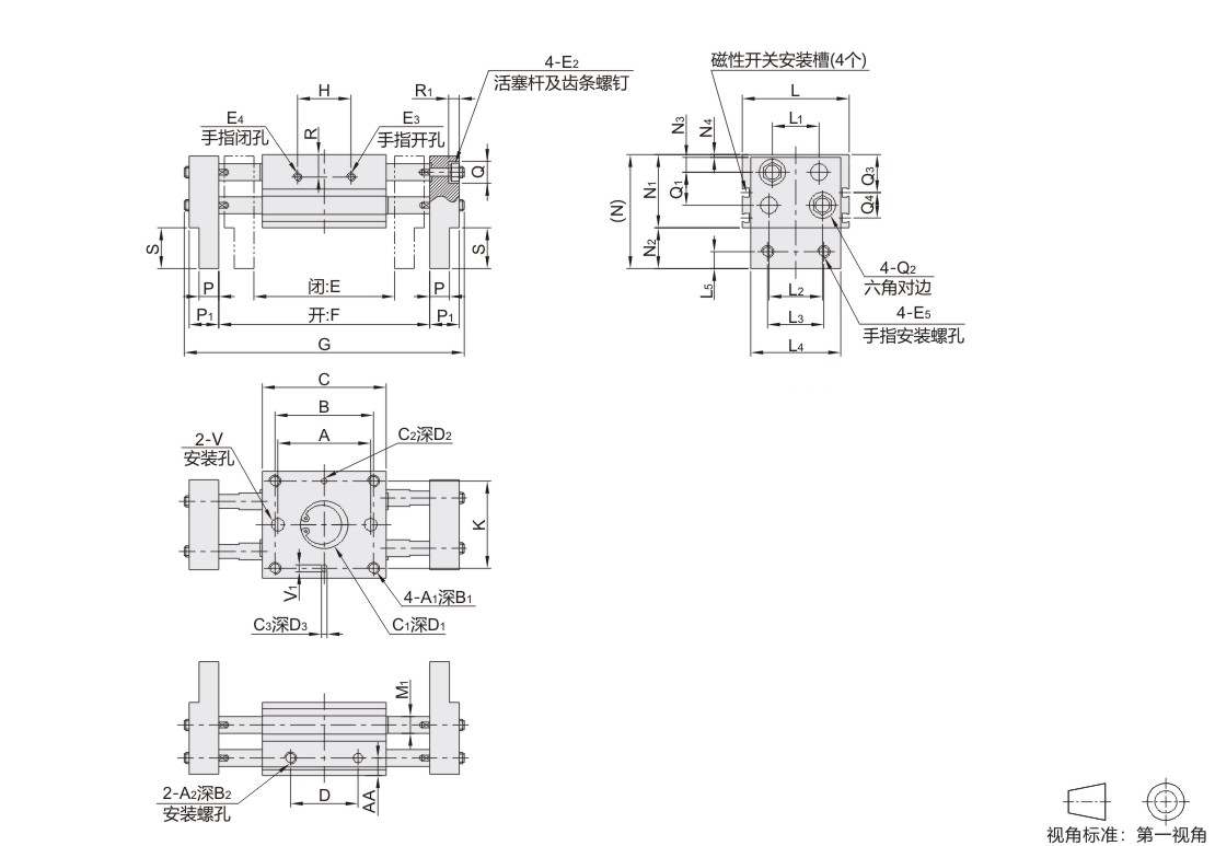
尺寸表
| 缸径 | A | B | C | D | E | F | G | H | A1 | B1 | A2 | B2 | |||||||||||||||||||||||||||||||||||||||
| 10 | 38 | 36 | 51 | 26 | 56 | 76 | 100 | 24 | M4 | 8 | M4 | 5 | |||||||||||||||||||||||||||||||||||||||
| 16 | 40 | 45 | 60 | 28 | 68 | 98 | 128 | 26 | M5 | 10 | M5 | 7 | |||||||||||||||||||||||||||||||||||||||
| 20 | 54 | 58 | 71 | 38 | 82 | 122 | 160 | 32 | M6 | 12 | M6 | ||||||||||||||||||||||||||||||||||||||||
| 25 | 66 | 70 | 88 | 48 | 100 | 150 | 196 | 38 | M8 | 16 | M8 | ||||||||||||||||||||||||||||||||||||||||
| 缸径 | C1 |
D1 | C2 |
D2 | C3 |
D3 | V | V1 | K | AA | M1 | E2 | E3 | E4 | E5 | N | ||||||||||||||||||||||||||||||||||||||
| 10 | 18 | +0.043 0 |
1.5 | 3 | +0.025 0 |
3 | 3 | +0.025 0 |
3 | 4.5 | 4 | 34 | 9 | 6 | M5 | M5 | M5 | M4 | 46 | |||||||||||||||||||||||||||||||||||
| 16 |
23 |
+0.052 0 |
5.5 | 42 | 10 | 8 | M6 | M5 | 58 | |||||||||||||||||||||||||||||||||||||||||||||
| 20 | 27 | +0.052 0 |
4 |
+0.030 0 |
4 | 4 |
+0.030 0 |
4 | 6.6 | 5 | 52 | 11 | 10 | M6 | 70 | |||||||||||||||||||||||||||||||||||||||
| 25 | 32 | +0.052 0 |
4.5 | 4.5 | 9 | 62 | 12.5 | 12 | M8 | M8 | 81 | |||||||||||||||||||||||||||||||||||||||||||
| 缸径 | N1 | N2 | N3 | N4 | Q | Q1 | Q2 | Q3 | Q4 | L | L1 | L2 | L3 | L4 | L5 | R | R1 | S | P | P1 | |||||||||||||||||||||||||||||||
| 10 | 31 | 15 | 8 | 0.5 | 12.4 | 12.5 | 8 | 16.8 | 8.4 | 44 | 18.2 | 20 | 20 | 34 | 7 | 9 | 5.5 | 15 | 7 | 10 | |||||||||||||||||||||||||||||||
| 16 | 39 | 19 | 9 | 0.5 | 15 | 16.5 | 10 | 20.5 | 11 | 55 | 22.6 | 25 | 25 | 43 | 8 | 10 | 6.5 | 19 | 9 | 13 | |||||||||||||||||||||||||||||||
| 20 | 46 | 24 | 10 | 1 | 20 | 24 | 14 | 65 | 28.2 | 30 | 30 | 54 | 10 | 11 | 24 | 12.5 | 17 | ||||||||||||||||||||||||||||||||||
| 25 | 52 | 29 | 11.5 | 1 | 18.5 | 23.5 | 13 | 27 | 18 | 76 | 33.2 | 38 | 40 | 64 | 12 | 16 | 29 | 14 | 21 | ||||||||||||||||||||||||||||||||
产品简介
产品问答
关于此产品的常见问题
1、气缸是否附磁性开关,是否为NPN,PNP磁性开关?
气缸选型尾部-0,表示单独气缸,-2表示附2条磁性开关;-2表示我司标配的磁开为电子式,两线制,2米线长磁开,如需NPN,PNP需在型号后备注。
2、磁性开关能否定位气缸?
磁性开关只是辅助检测气缸有没有走到位,不能起到定位的作用,它靠磁石的感应范围没有精度的。
3、气缸是否有LA,FB安装附件?
目前怡合达官网暂时没有上型该部分附件,如客户需要可以询价备注,按需配好附件。
4、怎么计算气缸的出力大小?
在“产品简介”部分,有气缸理论出力表,可作为参考;但部分特殊气缸需要根据客户实际应用需求具体分析,可联系我司工作人员。
5、WGU02此款气缸导杆伸出较多,可以切掉?
不可以切掉,导杆切了导杆长度不够,气缸活塞杆伸出去会摆动。
1. 添加筛选条件,生成产品型号
客服
购物车
小程序
怡合达商城小程序
随身商城一手掌握
公众号
微信公众号
订单/资讯随手掌握
微信技术交流服务群
扫码添加进群
浏览记录
问题反馈
置顶
Copyright © 2010-2026 东莞怡合达自动化股份有限公司 版权所有 粤ICP备14032684号
营业执照: 91441900566614589Q