型号筛选
可选加工(可选)
未生成型号,还有 4 项未选择
重置
代码
无数据
产品选型
代码
无数据
缸径
无数据
内置磁石
无数据
磁性开关接点类型
无数据
磁性开关线长(m)
无数据
价格生成中...
图片仅供参考,请以已选的规格为准
气爪 肘节型
品牌名称:
怡合达
条件筛选:
产品型号:
未税折扣单价: -- --
含税折扣单价: ----
含税总价 (税率13%): ¥--
预计发货天数:-- 天 (发货天数以下单次日起算,不含周日与法定假日)
购买数量(PCS):
起订量:1PCS
, 加量幅度:1PCS
登录后可查看价格、加入购物车、一键购买
立即登录
价格生成中...
登录后可查看价格、加入购物车、一键购买
立即登录
代码WGY91的技术资料信息曾有所变更,可前往 型号勘误表 查看变更记录
相似商品
同类人气商品
计算选型
技术图档
全部型号
3D预览
技术图档
产品简介
产品问答
材质图
参数图
| 代码 | 类型 | 动作形式 | |||||||||
| WGY91 | 肘节型 | 双作用 | |||||||||

选型表
选择无磁性开关时,无需选择磁性开关线长。
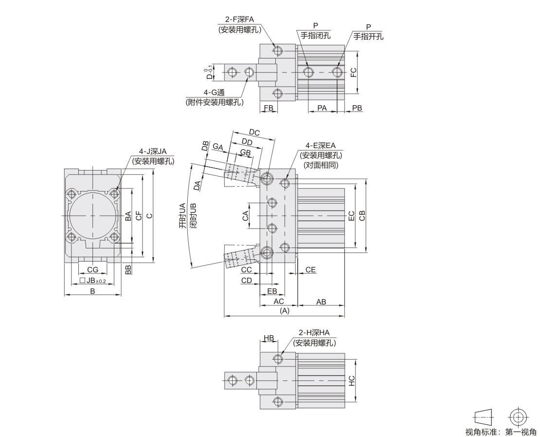
尺寸表
| 缸径 | (A) | AB | AC | B | BA | BB | C | CA | CB | CC | CD | CE | CF | CG | D | DA | DB | DC | DD | E | EA | EB | EC | ||||||||||||||||||||||||||||
| 32 | 123.6 | 48 | 41.6 | 46 | 45 | 4.5 | 86 | 18 | 68 | 8 | 12 | 1.6 | 74 | 22 | 15 | 5.5 | 5.5 | 42 | 32 | M6 | 10 | 28 | 50 | ||||||||||||||||||||||||||||
| 40 | 136.5 | 54.5 | 42 | 53 | 52 | 5 | 96 | 24 | 74 | 8 | 12 | 2 | 82 | 29 | 18 | 7 | 7 | 48 | 37 | M8 | 10 | 28 | 60 | ||||||||||||||||||||||||||||
| 50 | 157 | 60.5 | 52.5 | 66 | 64 | 7 | 124 | 30 | 100 | 10 | 16 | 2.5 | 110 | 36 | 20 | 8 | 8 | 54 | 40 | M10 | 12 | 35 | 80 | ||||||||||||||||||||||||||||
| 63 | 169.2 | 66 | 53.2 | 80 | 77 | 7 | 132 | 36 | 104 | 10 | 17 | 3.2 | 116 | 40 | 24 | 10 | 10 | 60 | 45 | M12 | 17 | 35 | 90 | ||||||||||||||||||||||||||||
| 缸径 | F | FA | FB | FC | G | GA | GB | H | HA | HB | HC | J | JA | JB | P | PA | PB | UA | UB | ||||||||||||||||||||||||||||||||
| 32 | M6 | 15 | 20 | 34 | M6 | 8 | 16 | M6 | 15 | 20 | 34 | M6 | 10 | 34 | Rc1/8 | 30 | 7.5 | 28° | -3° | ||||||||||||||||||||||||||||||||
| 40 | M8 | 12 | 20 | 40 | M8 | 10 | 18 | M8 | 12 | 20 | 40 | M6 | 10 | 40 | Rc1/8 | 35.5 | 8 | 27° | -3° | ||||||||||||||||||||||||||||||||
| 50 | M10 | 12 | 25 | 52 | M10 | 10 | 22 | M10 | 12 | 25 | 52 | M8 | 14 | 50 | Rc1/4 | 39.5 | 10.5 | 23° | -2° | ||||||||||||||||||||||||||||||||
| 63 | M12 | 10 | 25 | 60 | M12 | 11 | 24 | M12 | 10 | 25 | 60 | M10 | 18 | 60 | Rc1/4 | 40.5 | 10.5 | 23° | -2° | ||||||||||||||||||||||||||||||||
产品简介
产品问答
关于此产品的常见问题
1、气缸是否附磁性开关,是否为NPN,PNP磁性开关?
气缸选型尾部-0,表示单独气缸,-2表示附2条磁性开关;-2表示我司标配的磁开为电子式,两线制,2米线长磁开,如需NPN,PNP需在型号后备注。
2、磁性开关能否定位气缸?
磁性开关只是辅助检测气缸有没有走到位,不能起到定位的作用,它靠磁石的感应范围没有精度的。
3、气缸是否有LA,FB安装附件?
目前怡合达官网暂时没有上型该部分附件,如客户需要可以询价备注,按需配好附件。
4、怎么计算气缸的出力大小?
在“产品简介”部分,有气缸理论出力表,可作为参考;但部分特殊气缸需要根据客户实际应用需求具体分析,可联系我司工作人员。
5、WGU02此款气缸导杆伸出较多,可以切掉?
不可以切掉,导杆切了导杆长度不够,气缸活塞杆伸出去会摆动。
1. 添加筛选条件,生成产品型号
客服
购物车
小程序
怡合达商城小程序
随身商城一手掌握
公众号
微信公众号
订单/资讯随手掌握
微信技术交流服务群
扫码添加进群
浏览记录
问题反馈
置顶
Copyright © 2010-2026 东莞怡合达自动化股份有限公司 版权所有 粤ICP备14032684号
营业执照: 91441900566614589Q