型号筛选
可选加工(可选)
未生成型号,还有 2 项未选择
重置
代码
无数据
产品选型
代码
无数据
规格
无数据
联数
无数据
价格生成中...
图片仅供参考,请以已选的规格为准
汇流板 德标电磁阀系列用 VUVGM5系列
品牌名称:
怡合达
条件筛选:
产品型号:
未税折扣单价: -- --
含税折扣单价: ----
含税总价 (税率13%): ¥--
预计发货天数:-- 天 (发货天数以下单次日起算,不含周日与法定假日)
购买数量(PCS):
起订量:1PCS
, 加量幅度:1PCS
登录后可查看价格、加入购物车、一键购买
立即登录
价格生成中...
登录后可查看价格、加入购物车、一键购买
立即登录
代码WMD01的技术资料信息曾有所变更,可前往 型号勘误表 查看变更记录
相似商品
同类人气商品
技术图档
全部型号
3D预览
技术图档
材质图
参数图
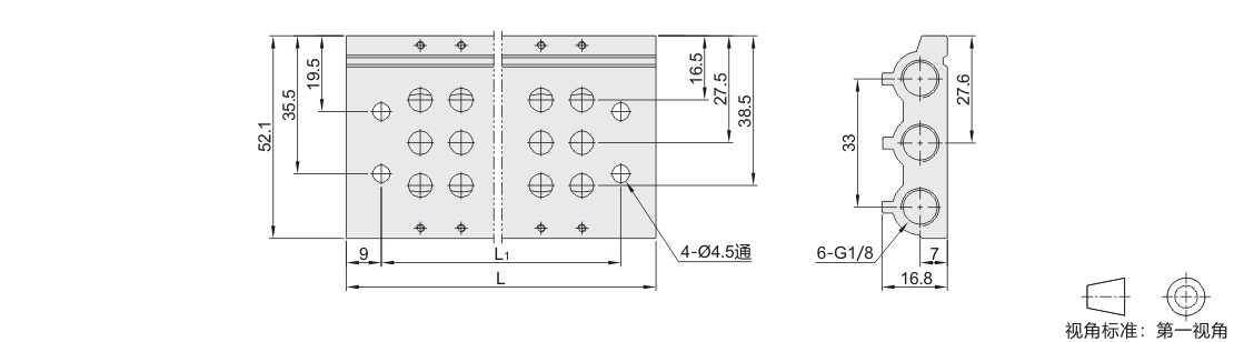
| 代码 | 类型 | 材质 | 表面处理 | |
| WMD01 | VUVGM5系列 | 德标电磁阀系列用 | A6061-T6 | 阳极氧化 |

选型表
| 规格 | 尺寸 | 联数 |
|||||||||||||||||||
| 1F | 2F | 3F | 4F | 5F | 6F | 7F | 8F | 9F | 10F | 11F | 12F | 13F | 14F | 15F | 16F | 17F | 18F | 19F | 20F | ||
| VUVGM5 | L1 | 20 | 30.5 | 41 | 51.5 | 62 | 72.5 | 83 | 93.5 | 104 | 114.5 | 125 | 135.5 | 146 | 156.5 | 167 | 177.5 | 188 | 198.5 | 209 | 219.5 |
| L | 38 | 48.5 | 59 | 69.5 | 80 | 90.5 | 101 | 111.5 | 122 | 132.5 | 143 | 153.5 | 164 | 174.5 | 185 | 195.5 | 206 | 216.5 | 227 | 237.5 | |
| 型号 |
||
| 代码 | 规格 | 联数 |
| WMD01 | VUVGM5 | 1F ~20F |
此型号为单独汇流板,不含垫片和螺丝。
1. 添加筛选条件,生成产品型号
客服
购物车
公众号
微信公众号
订单/资讯随手掌握
微信技术交流服务群
扫码添加进群
浏览记录
问题反馈
置顶
Copyright © 2010-2026 东莞怡合达自动化股份有限公司 版权所有 粤ICP备14032684号
营业执照: 91441900566614589Q