型号筛选
可选加工(可选)
未生成型号,还有 1 项未选择
重置
代码
无数据
产品选型
代码
无数据
喷嘴直径
无数据
价格生成中...
图片仅供参考,请以已选的规格为准
怡合达自营 多级真空发生器 单体 高真空型 螺纹连接型 内置消音器 高级塑胶材质 单体
品牌名称:
怡合达
条件筛选:
产品型号:
未税折扣单价: -- --
含税折扣单价: ----
含税总价 (税率13%): ¥--
预计发货天数:-- 天 (发货天数以下单次日起算,不含周日与法定假日)
购买数量(PCS):
起订量:1PCS
, 加量幅度:1PCS
登录后可查看价格、加入购物车、一键购买
立即登录
价格生成中...
登录后可查看价格、加入购物车、一键购买
立即登录
代码WEF13的技术资料信息曾有所变更,可前往 型号勘误表 查看变更记录
相似商品
同类人气商品
技术图档
全部型号
3D预览
技术图档
产品简介
材质图
参数图
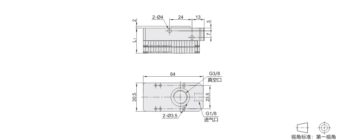
| 代码 | 类型 | 标准附件 | |
| WEF13 | 单体 | 高真空型 | 内置消音器 |
技术参数
| 使用流体 | 过滤后的压缩空气 |
| 最大真空度(kpa) | -92 |
| 供气压力(bar) | 4~6 |
| 最大流量 | 185L/Min |
| 工作温度 | -20~80°C |
| 噪音 | 50~68dBA |
产品特点
● 结构紧凑 ,壳体轻巧 ,可直接安装在吸盘上;
● 多级发生器产生真空 ,流量大;
● 可在耐腐蚀性环境和酸性环境下使用。

选型表
产品简介
1. 添加筛选条件,生成产品型号
客服
购物车
公众号
微信公众号
订单/资讯随手掌握
微信技术交流服务群
扫码添加进群
浏览记录
问题反馈
置顶
Copyright © 2010-2026 东莞怡合达自动化股份有限公司 版权所有 粤ICP备14032684号
营业执照: 91441900566614589Q