型号筛选
可选加工(可选)
未生成型号,还有 7 项未选择
重置
代码
无数据
参数选型
主体材质
无数据
功能
无数据
密封材质
无数据
种类筛选
产品选型
代码
无数据
D
无数据
公称型号
无数据
价格生成中...
图片仅供参考,请以已选的规格为准
怡合达自营 精密型 调速阀 弯接头 标准型 SUS303等效防腐型 外螺纹 出口节流型 进口节流型 快插型
条件筛选:
产品型号:
未税折扣单价: -- --
含税折扣单价: ----
含税总价 (税率13%): ¥--
预计发货天数:-- 天 (发货天数以下单次日起算,不含周日与法定假日)
购买数量():
起订量:0
, 加量幅度:0
登录后可查看价格、加入购物车、一键购买
立即登录
价格生成中...
登录后可查看价格、加入购物车、一键购买
立即登录
代码的技术资料信息曾有所变更,可前往 型号勘误表 查看变更记录
相似商品
同类人气商品
技术图档
全部型号
3D预览
技术图档
产品简介
材质图
参数图
| 代码 |
类型 |
材质 |
表面处理 |
||||
| 主体 | 螺纹部 | 脱离环部 | |||||
| J-XZB01 | 弯接头 |
标准型 |
出口节流型 | 黄铜+PBT |
黄铜 | POM | 镀镍 |
| J-XZB02 | 进口节流型 | ||||||
| J-XZB21 | SUS303 等效防腐型 |
出口节流型 |
SUS303等效+PBT |
SUS303等效 | — | ||
| J-XZB22 | 进口节流型 | ||||||

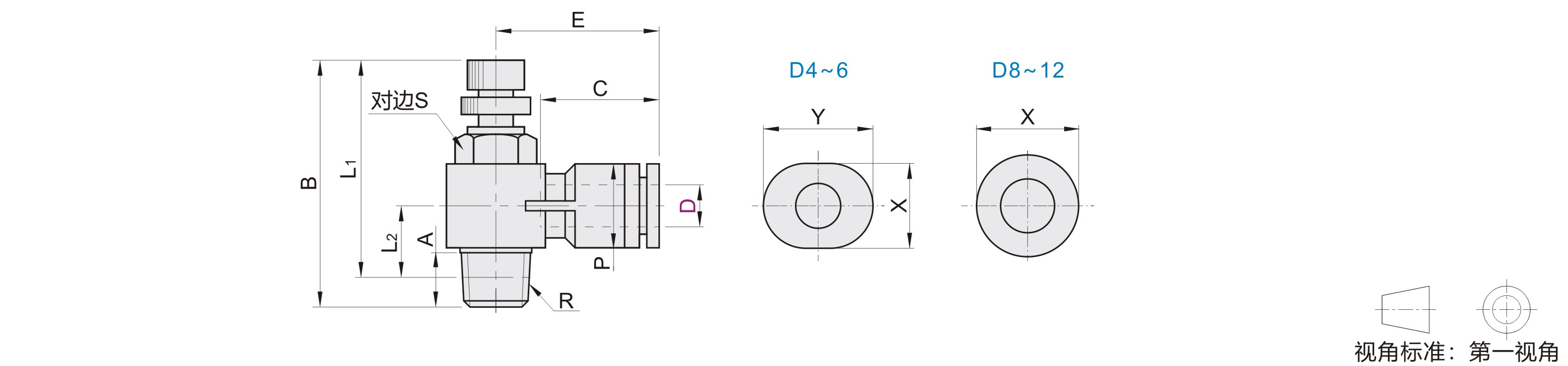
J-XZB01~2
| 型号 |
公称 型号 |
R | A | B | L1 | L2 | P | C | E | S | X | Y | 重量 (g) |
||||||||||||||||||||||||||||
| 代码 | D | min | max | min | max | ||||||||||||||||||||||||||||||||||||
| J-XZB01 J-XZB02 |
4 | M5 | M5 | 3.5 | 29 | 32 | 25.5 | 28.5 | 7.5 | 11 | 15.7 | 19.5 | 8 | 7.8 | 9.8 | 7.2 | |||||||||||||||||||||||||
| 1 | R1/8 | 7.5 | 35 | 40 | 31 | 36 | 10.5 | 22.5 | 12 | 17 | |||||||||||||||||||||||||||||||
| 6 | M5 | M5 | 3.5 | 29 | 32 | 25.5 | 28.5 | 8.5 | 13 | 16 | 21.5 | 8 | 9.8 | 11.8 | 7.9 | ||||||||||||||||||||||||||
| 1 | R1/8 | 7.5 | 35 | 40 | 31 | 36 | 10.5 | 23.5 | 12 | 18 | |||||||||||||||||||||||||||||||
| 2 | R1/4 | 10.5 | 41 | 46.5 | 35 | 40.5 | 12.5 | 25.5 | 14 | 35 | |||||||||||||||||||||||||||||||
| 8 | 1 | R1/8 | 7.5 | 35 | 40 | 31 | 36 | 11.5 | 14.5 | 18.7 | 26.5 | 12 | 13.8 | — | 21 | ||||||||||||||||||||||||||
| 2 | R1/4 | 10.5 | 41 | 46.5 | 35 | 40.5 | 13 | 28 | 14 | 38 | |||||||||||||||||||||||||||||||
| 3 | R3/8 | 11.5 | 46.5 | 52 | 40 | 45.5 | 14.5 | 29 | 19 | 65 | |||||||||||||||||||||||||||||||
| 10 | 2 | R1/4 | 10.5 | 41 | 46.5 | 35 | 40.5 | 15 | 18.5 | 20.4 | 31 | 14 | 16.8 | 41 | |||||||||||||||||||||||||||
| 3 | R3/8 | 11.5 | 46.5 | 52 | 40 | 45.5 | 16.5 | 33 | 19 | 69 | |||||||||||||||||||||||||||||||
| 4 | R1/2 | 15 | 54 | 60 | 46 | 52 | 18 | 34.5 | 24 | 104 | |||||||||||||||||||||||||||||||
| 12 | 3 | R3/8 | 11.5 | 46.5 | 52 | 40 | 45.5 | 18 | 21 | 23 | 35 | 19 | 19.8 | 72 | |||||||||||||||||||||||||||
| 4 | R1/2 | 15 | 54 | 60 | 46 | 52 | 19.5 | 37 | 24 | 107 | |||||||||||||||||||||||||||||||
J-XZB21~22
| 型号 |
公称 型号 |
R | A | B | L1 | L2 | P | C | E | S | X | Y | 重量 (g) |
||||||||||||||||||||||||||||
| 代码 | D | min | max | min | max | ||||||||||||||||||||||||||||||||||||
| J-XZB21 J-XZB22 |
4 | M5 | M5 | 5 | 30.5 | 33.5 | 27 | 30 | 7.5 | 11 | 15.7 | 19.5 | 8 | 7.8 | 9.8 | 7 | |||||||||||||||||||||||||
| 1 | R1/8 | 7.5 | 35 | 40 | 31 | 36 | 10.5 | 22.5 | 12 | 17 | |||||||||||||||||||||||||||||||
| 6 | M5 | M5 | 5 | 30.5 | 33.5 | 25.5 | 28.5 | 8.5 | 13 | 16 | 21.5 | 8 | 9.8 | 11.8 | 7.6 | ||||||||||||||||||||||||||
| 1 | R1/8 | 7.5 | 35 | 40 | 31 | 36 | 10.5 | 23.5 | 12 | 17 | |||||||||||||||||||||||||||||||
| 2 | R1/4 | 10.5 | 41 | 46.5 | 35 | 40.5 | 12.5 | 25.5 | 14 | 33 | |||||||||||||||||||||||||||||||
| 8 | 1 | R1/8 | 7.5 | 35 | 40 | 31 | 36 | 11.5 | 14.5 | 18.7 | 26.5 | 12 | 13.8 | — | 20 | ||||||||||||||||||||||||||
| 2 | R1/4 | 10.5 | 41 | 46.5 | 35 | 40.5 | 13 | 28 | 14 | 36 | |||||||||||||||||||||||||||||||
| 3 | R3/8 | 11.5 | 46.5 | 52 | 40 | 45.5 | 14.5 | 29 | 19 | 63 | |||||||||||||||||||||||||||||||
| 10 | 2 | R1/4 | 10.5 | 41 | 46.5 | 35 | 40.5 | 15 | 18.5 | 20.4 | 31 | 14 | 16.8 | 39 | |||||||||||||||||||||||||||
| 3 | R3/8 | 11.5 | 46.5 | 52 | 40 | 45.5 | 16.5 | 33 | 19 | 66 | |||||||||||||||||||||||||||||||
| 4 | R1/2 | 15 | 54 | 60 | 46 | 52 | 18 | 34.5 | 24 | 98 | |||||||||||||||||||||||||||||||
| 12 | 3 | R3/8 | 11.5 | 46.5 | 52 | 40 | 45.5 | 18 | 21 | 23 | 35 | 19 | 19.8 | 69 | |||||||||||||||||||||||||||
| 4 | R1/2 | 15 | 54 | 60 | 46 | 52 | 19.5 | 37 | 24 | 101 | |||||||||||||||||||||||||||||||
产品简介
1. 添加筛选条件,生成产品型号
客服
购物车
小程序
怡合达商城小程序
随身商城一手掌握
公众号
微信公众号
订单/资讯随手掌握
微信技术交流服务群
扫码添加进群
浏览记录
问题反馈
置顶
Copyright © 2010-2026 东莞怡合达自动化股份有限公司 版权所有 粤ICP备14032684号
营业执照: 91441900566614589Q