型号筛选
可选加工(可选)
未生成型号,还有 2 项未选择
重置
代码
无数据
产品选型
代码
无数据
D
无数据
M
无数据
价格生成中...
图片仅供参考,请以已选的规格为准
怡合达自营 精密型 真空接头 外六角十字接头 外螺纹 宝塔型 黄铜材质 镀镍
条件筛选:
产品型号:
未税折扣单价: -- --
含税折扣单价: ----
含税总价 (税率13%): ¥--
预计发货天数:-- 天 (发货天数以下单次日起算,不含周日与法定假日)
购买数量(PCS):
起订量:1PCS
, 加量幅度:1PCS
登录后可查看价格、加入购物车、一键购买
立即登录
价格生成中...
登录后可查看价格、加入购物车、一键购买
立即登录
代码J-XYD71的技术资料信息曾有所变更,可前往 型号勘误表 查看变更记录
相似商品
同类人气商品
技术图档
全部型号
3D预览
技术图档
产品简介
材质图
参数图
| 代码 | 类型 | 材质 | 表面处理 | |
| J-XYD71 | 外螺纹 | 外六角十字接头 | 黄铜 | 镀镍 |

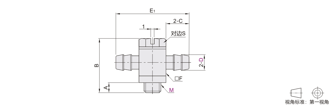
选型表
| 型号 | M | A | B |
C |
E1 | F |
S |
喷嘴 直径 |
有效断面积 (mm²) |
重量 (g) |
|
| 代码 | 配管直径D | ||||||||||
| J-XYD71 | 2 | M3 | 2.2 | 11.5 | 6 | 17.5 | 5.5 | 5.5 | 1.0 | 0.5 | 2 |
| M5 | 3.2 | 16 | 20 | 8 | 7 | 1.2 | 0.8 | 5.3 | |||
| 2.5 | M3 | 2.2 | 11.5 | 7 | 19.5 | 5.5 | 5.5 | 1.0 | 0.5 | 2.1 | |
| M5 | 3.2 | 16 | 22 | 8 | 7 | 1.6 | 1.2 | 5.4 | |||
| 4 | 1.5 | 6.5 | |||||||||
产品简介
1. 添加筛选条件,生成产品型号
客服
购物车
公众号
微信公众号
订单/资讯随手掌握
微信技术交流服务群
扫码添加进群
浏览记录
问题反馈
置顶
Copyright © 2010-2026 东莞怡合达自动化股份有限公司 版权所有 粤ICP备14032684号
营业执照: 91441900566614589Q