型号筛选
可选加工(可选)
未生成型号,还有 3 项未选择
重置
代码
无数据
参数选型
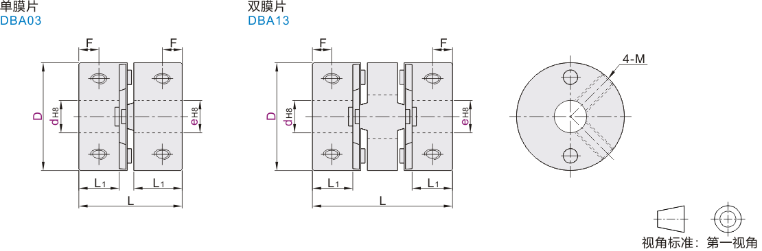
膜片
无数据
产品选型
代码
无数据
外径D(mm)
无数据
轴孔径d(mm)
无数据
轴孔径e(mm)
无数据
DC
DC
DD
DD
价格生成中...
图片仅供参考,请以已选的规格为准
膜片式联轴器 螺钉固定型 铝合金
品牌名称:
怡合达
条件筛选:
产品型号:
未税折扣单价: -- --
含税折扣单价: ----
含税总价 (税率13%): ¥--
预计发货天数:-- 天 (发货天数以下单次日起算,不含周日与法定假日)
购买数量(PCS):
起订量:1PCS
, 加量幅度:1PCS
登录后可查看价格、加入购物车、一键购买
立即登录
价格生成中...
登录后可查看价格、加入购物车、一键购买
立即登录
代码DBA03的技术资料信息曾有所变更,可前往 型号勘误表 查看变更记录
相似商品
同类人气商品
引导式选型
规格参数
全部型号
3D预览
规格参数
可选加工
产品简介
产品问答
联轴器安装SOP
选型工具
材质图
参数图
| 代码 |
类型 |
材质 |
表面处理 | 附件 |
||
| 主体 | 膜片 | 主体 | ||||
| DBA03 | 螺钉固定型 | 单膜片 | 铝合金 | 不锈钢 | 本色阳极氧化 | 内六角紧定螺钉 |
| DBA13 | 双膜片 | |||||
特点:传递转矩及扭转刚性非常良好,平衡性能良好。

偏心、偏角轴向位移如果同时出现多种偏差时,则各种偏差值为容许值的1/2。
选型表
| 型号 | d-e | ||||||||||||
| 代码 | D | ||||||||||||
| 单膜片 DBA03 双膜片 DBA13 |
16 | d | 4 | 5 | 6 | 6.35 | 7 | 8 | |||||
| e | 4 5 6 6.35 7 8 | 5 6 6.35 7 8 | 6 6.35 7 8 | 6.35 7 8 | 7 8 | 8 | |||||||
| 20 | d | 4 | 5 | 6 | 6.35 | 7 | 8 | 10 | |||||
| e | 4 5 6 6.35 7 8 10 | 5 6 6.35 7 8 10 | 6 6.35 7 8 10 | 6.35 7 8 10 | 7 8 10 | 8 10 | 10 | ||||||
| 25 | d | 5 | 6 | 6.35 | 7 | 8 | 9.53 | 10 | 11 | 12 | |||
| e | 5 6 6.35 7 8 9.53 10 11 12 | 6 6.35 7 8 9.53 10 11 12 | 6.35 7 8 9.53 10 11 12 | 7 8 9.53 10 11 12 | 8 9.53 10 11 12 | 9.53 10 11 12 | 10 11 12 | 11 12 | 12 | ||||
| 32 | d | 6 | 6.35 | 7 | 8 | 9.53 | 10 | 11 | 12 | 14 | 15 | 16 | |
| e | 6 6.35 7 8 9.53 10 11 12 14 15 16 | 6.35 7 8 9.53 10 11 12 14 15 16 | 7 8 9.53 10 11 12 14 15 16 | 8 9.53 10 11 12 14 15 16 | 9.53 10 11 12 14 15 16 | 10 11 12 14 15 16 | 11 12 14 15 16 | 12 14 15 16 | 14 15 16 | 15 16 | 16 | ||
| 40 | d | 8 | 9.53 | 10 | 11 | 12 | 14 | 15 | 16 | 18 | 20 | ||
| e | 8 9.53 10 11 12 14 15 16 18 20 | 9.53 10 11 12 14 15 16 18 20 | 10 11 12 14 15 16 18 20 | 11 12 14 15 16 18 20 | 12 14 15 16 18 20 | 14 15 16 18 20 | 15 16 18 20 | 16 18 20 | 18 20 | 20 | |||
| 50 | d | 14 | 15 | 16 | 18 | 20 | 22 | 24 | 25 | ||||
| e | 14 15 16 18 20 22 24 25 | 15 16 18 20 22 24 25 | 16 18 20 22 24 25 | 18 20 22 24 25 | 20 22 24 25 | 22 24 25 | 24 25 | 25 | |||||
尺寸性能表
| 型号 |
L |
L1 |
F |
M |
锁紧 扭矩 (N ·m) |
额定 扭矩 (N ·m) |
容许安装偏差 |
静态扭转刚性 (N ·m/rad) |
最高 转速 (r/min) |
惯性力矩 (kg·m²) |
重量(g) |
||||||||||
| 代码 | D | DBA03 | DBA13 | 角向(°) | 径向(mm) | 轴向(mm) | |||||||||||||||
| DBA03 | DBA13 | DBA03 | DBA13 | DBA03 | DBA13 | DBA03 | DBA13 | DBA03 | DBA13 | DBA03 | DBA13 | ||||||||||
| 单膜片 DBA03 双膜片 DBA13 |
16 | 17.7 | 23.8 | 7.8 | 3 | M3 | 0.7 | 0.6 | 1 | 2.5 | 0.05 | 0.2 | ±0.1 | ±0.3 | 160 | 130 | 23000 | 2.0×10⁻⁷ | 2.4×10⁻⁷ | 7 | 9 |
| 20 | 18.7 | 26 | 7.5 | 3.7 | 1 | 290 | 220 | 22000 | 6.0×10⁻⁷ | 7.2×10⁻⁷ | 11 | 14 | |||||||||
| 25 | 21.7 | 30 | 9 | 4 | M4 | 1.7 | 2.2 | ±02 | ±0.4 | 550 | 440 | 19000 | 1.8×10⁻⁶ | 2.2×10⁻⁶ | 22 | 27 | |||||
| 32 | 28.3 | 40.8 | 12.4 | 6 | 3.8 | 0.1 | 0.3 | 1200 | 960 | 15000 | 5.2×10⁻⁶ | 6.0×10⁻⁶ | 50 | 60 | |||||||
| 40 | 35 | 47 | 15.5 | 7.8 | M5 | 4 | 6.8 | ±0.5 | 2200 | 1900 | 10000 | 1.3×10⁻⁵ | 1.7×10⁻⁵ | 85 | 104 | ||||||
| 50 | 40.5 | 57 | 18 | 9 | M6 | 7 | 11 | 2600 | 2250 | 8000 | 3.6×10⁻⁵ | 4.6×10⁻⁵ | 170 | 210 | |||||||
惯性力矩和重量按最大孔径计算。
可选加工

产品简介
产品问答
关于此产品的常见问题
1、不同材质的本体应该怎么选?
膜片式联轴器本体材质主要为铝合金、不锈钢和碳钢,铝合金材质适用于运转稳定、轻微冲撞的工况,刚性和惯性力矩小;
不锈钢和碳钢适用于冲撞相对大的工况,刚性和惯性力矩大,其中不锈钢适用于对防锈和防腐蚀要求高的工况。
2、膜片式联轴器的寿命一般是多长?
联轴器的使用寿命跟使用工况息息相关,包括环境因素,负载情况,维护保养情况,工作频率。
在正常的使用条件下,联轴器在整个寿命周期内能传递大于一百万次的动态载荷。
3、导致膜片断裂的原因是什么?
1、安装轴的同心度超出所选联轴器的容差范围
2、出现瞬时过载扭矩超出联轴器最大扭矩的情况
3、所选联轴器的扭矩不满足工况使用
4、安装联轴器时,轴超过膜片位置,导致运转时,膜片受轴挤压断裂
4、膜片联轴器能能否承受轴向力?
膜片联轴器虽然为挠性联轴器,能容许一定的轴向偏差,但联轴器主要用于扭矩传递,在传递扭矩的同时受轴向力,将大大减弱膜片的扭矩传递性能,影响联轴器的使用寿命。
联轴器安装SOP
选型工具
1. 添加筛选条件,生成产品型号
客服
购物车
公众号
微信公众号
订单/资讯随手掌握
微信技术交流服务群
扫码添加进群
浏览记录
问题反馈
置顶
Copyright © 2010-2026 东莞怡合达自动化股份有限公司 版权所有 粤ICP备14032684号
营业执照: 91441900566614589Q