型号筛选
可选加工(可选)
未生成型号,还有 7 项未选择
重置
代码
无数据
产品选型
代码
无数据
导程
无数据
滑块
无数据
L
无数据
精度等级
无数据
护盖
无数据
极限开关安装轨道
无数据
马达连接支座
无数据
价格生成中...
图片仅供参考,请以已选的规格为准
银泰 KY单轴驱动器 65系列 无护盖 含铝护盖 伺服马达型 导程25 染黑处理
品牌名称:
银泰
条件筛选:
产品型号:
未税折扣单价: -- --
含税折扣单价: ----
含税总价 (税率13%): ¥--
预计发货天数:-- 天 (发货天数以下单次日起算,不含周日与法定假日)
购买数量(PCS):
起订量:1PCS
, 加量幅度:1PCS
登录后可查看价格、加入购物车、一键购买
立即登录
价格生成中...
登录后可查看价格、加入购物车、一键购买
立即登录
代码KY65的技术资料信息曾有所变更,可前往 型号勘误表 查看变更记录
相似商品
同类人气商品
技术图档
全部型号
3D预览
技术图档
产品问答
材质图
参数图
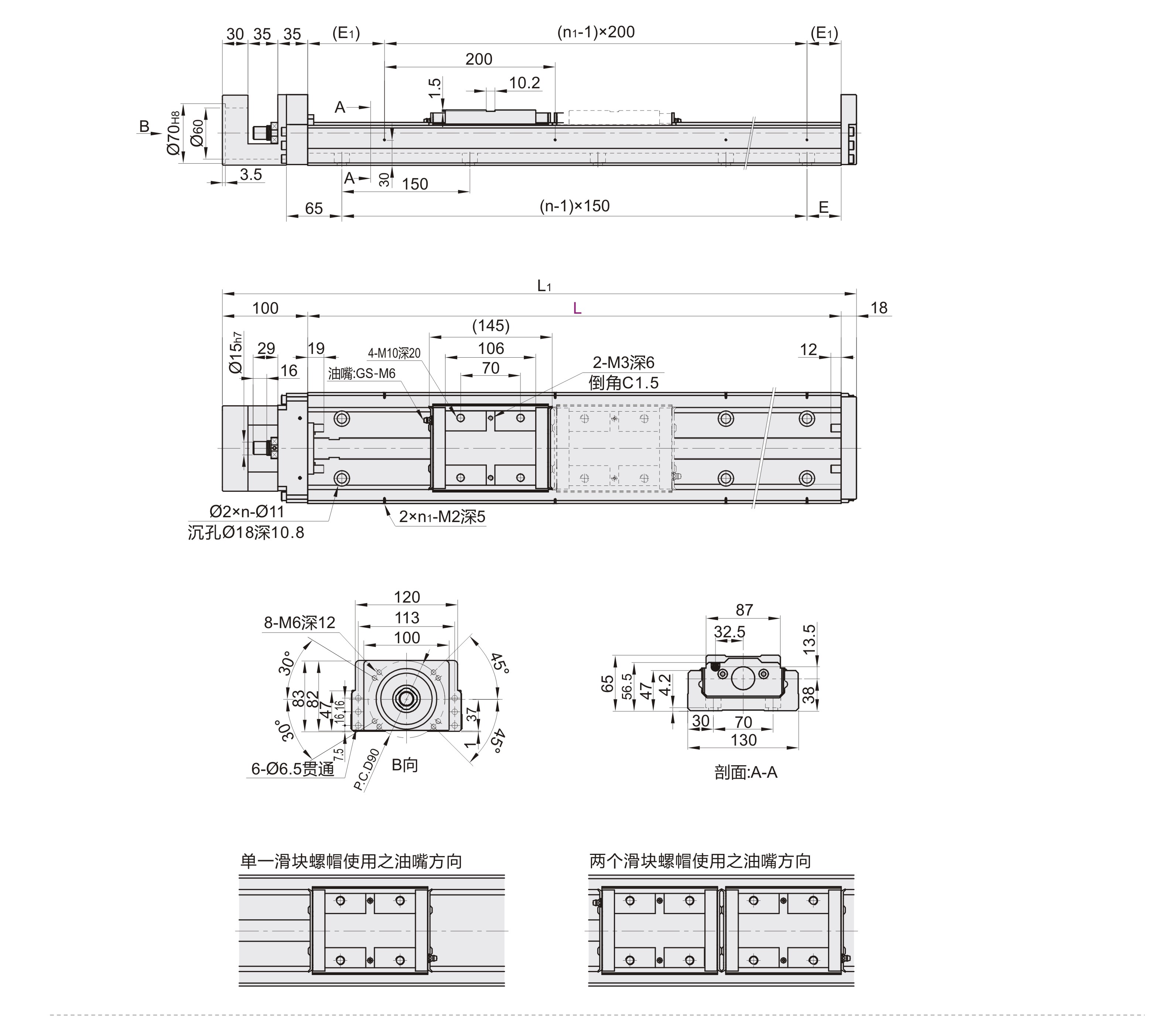
65系列·标准型·无护盖
| 代码 |
类型 |
滚珠丝杠 导程 |
滑座 | 底座 |
马达支座 |
||
| 材质 | 材质 | 硬度 | 材质 | 表面处理 | |||
| KY65 | 伺服马达型 | 25 | SCM | 铬钼合金 |
58~62HRC | 铝合金 | 染黑 |



65系列·标准型·含铝护盖
| 代码 |
类型 |
滚珠丝杠 导程 |
滑座 | 底座 |
马达支座 |
||
| 材质 | 材质 | 硬度 | 材质 | 表面处理 | |||
| KY65 | 伺服马达型 | 25 | SCM | 铬钼合金 |
58~62HRC | 铝合金 | 染黑 |



选型表
65系列·标准型·无护盖
| 型号 | 滑块 | 轨道长度 L |
精密等级 | 护盖 |
极限开关 安装轨道选择 |
马达连接 支座选择 |
滚珠丝杠 |
工作台长度 L1 |
E | E1 |
n |
n1 | 最大行程 |
重量(kg) |
||||
| 代码 | 规格 | 轴径 | 导程 | 单滑座 | 双滑座 | 单滑座 | 双滑座 | |||||||||||
| KY65 |
25 |
A(单滑座) B(双滑座) |
900 | H(精密级) P(高精密级) |
0(无护盖) |
1(只有极限轨道) 2(安装轨道+EE-SX671) 3(安装轨道+EE-SX674) |
60 |
25 |
25 |
1098 | 40 | 90 | 7 | 5 | 800 | 655 | 31.6 | 34.6 |
| 1180 | 1298 | 65 | 90 | 80 | 6 | 1000 | 855 | 67 | 40.4 | |||||||||
| 1380 | 1498 | 90 | 90 | 9 | 7 | 1200 | 1055 | 42.4 | 45.4 | |||||||||
| 1680 | 1798 | 90 | 40 | 11 | 7 | 1500 | 1355 | 50.5 | 53.5 | |||||||||
65系列·标准型·含铝护盖
| 型号 | 滑块 | 轨道长度 L |
精密等级 | 护盖 |
极限开关 安装轨道选择 |
马达连接 支座选择 |
滚珠丝杠 |
工作台长度 L1 |
E | E1 |
n |
n1 | 最大行程 |
重量(kg) |
||||
| 代码 | 规格 | 轴径 | 导程 | 单滑座 | 双滑座 | 单滑座 | 双滑座 | |||||||||||
| KY65 |
25 |
A(单滑座) B(双滑座) |
900 | H(精密级) P(高精密级) |
1(铝护盖) |
1(只有极限轨道) 2(安装轨道+EE-SX671) 3(安装轨道+EE-SX674) |
60 |
25 |
25 |
1098 | 40 | 90 | 7 | 5 | 800 | 655 | 31.6 | 34.6 |
| 1180 | 1298 | 65 | 90 | 80 | 6 | 1000 | 855 | 67 | 40.4 | |||||||||
| 1380 | 1498 | 90 | 90 | 9 | 7 | 1200 | 1055 | 42.4 | 45.4 | |||||||||
| 1680 | 1798 | 90 | 40 | 11 | 9 | 1500 | 1355 | 50.5 | 53.5 | |||||||||
精度等级
| 代码 |
轨道长度 L |
反覆定位精度 |
定位精度 |
行走平行度 |
背隙 |
启动扭矩 |
|||||
| 精密级 | 高精密级 | 精密级 | 高精密级 | 精密级 | 高精密级 | 精密级 | 高精密级 | 精密级 | 高精密级 | ||
| KY55 |
980 | ±0.01 |
±0.005 |
— |
0.035 |
— |
0.025 |
0.050 |
0.005 |
12 |
20 |
| 1180 | |||||||||||
| 1380 | 15 | 22 | |||||||||
| 1680 | ±0.012 | — | — | — | |||||||
性能表
容许静力矩
| 代码 |
导程 |
容许静力矩 |
|||||||
| 直线导轨 | |||||||||
| 俯仰MP(N-m) | 偏摆MY(N-m) | 滚动MR(N-m) | |||||||
| 单滑座 | 双滑座 | 单滑座 | 双滑座 | 单滑座 | 双滑座 | ||||
| KY65 | 25 | 1299.6 | 7001.3 | 1299.6 | 7001.3 | 3917.9 | 7835.8 | ||

容许负载
| 代码 | 导程 | 基本额定负载(KN) | |||||
| 直线导轨 | 滚珠丝杠 | ||||||
| C(动) | Co(静) | C(动) | Co(静) | ||||
| 精密级/高精密级 | 精密级 | 高精密级 | 精密级 | 高精密级 | |||
| KY65 | 25 | 50.75 | 81.62 | 6.72 | 9.02 | 17.32 | 18.91 |
产品问答
关于此产品的常见问题
1、传感器是否安装好发出?
传感器组件随本体同捆发出,到货后需要客户自行安装。
2、KK钢制模组与铝基模组有什么优势?
KK钢制模组是一种集成了滚珠丝杠和U型线性滑轨的精密直线运动模组。其滑座同时作为滚珠丝杠的驱动螺帽及线性滑轨的导引滑块,结构紧凑且封闭,有效隔绝外部污染物。
3、封闭式KK钢制模组适用于哪些环境?
无尘、潮湿或多水、腐蚀性、多尘或多颗粒环境
1. 添加筛选条件,生成产品型号
客服
购物车
公众号
微信公众号
订单/资讯随手掌握
微信技术交流服务群
扫码添加进群
浏览记录
问题反馈
置顶
Copyright © 2010-2026 东莞怡合达自动化股份有限公司 版权所有 粤ICP备14032684号
营业执照: 91441900566614589Q