型号筛选
可选加工(可选)
未生成型号,还有 1 项未选择
重置
代码
无数据
产品选型
代码
无数据
规格
无数据
价格生成中...
图片仅供参考,请以已选的规格为准
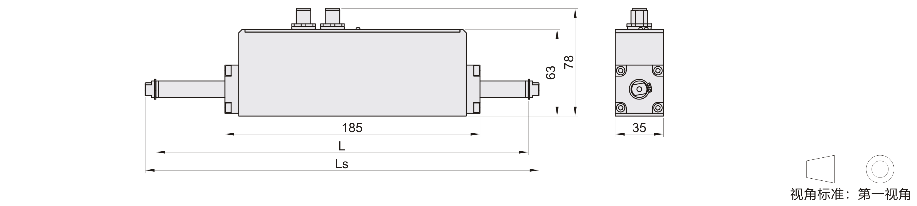
管状直线电机 带集成控制器 滑座长度185
条件筛选:
产品型号:
未税折扣单价: -- --
含税折扣单价: ----
含税总价 (税率13%): ¥--
预计发货天数:-- 天 (发货天数以下单次日起算,不含周日与法定假日)
购买数量(PCS):
起订量:1PCS
, 加量幅度:1PCS
登录后可查看价格、加入购物车、一键购买
立即登录
价格生成中...
登录后可查看价格、加入购物车、一键购买
立即登录
代码BCZ13的技术资料信息曾有所变更,可前往 型号勘误表 查看变更记录
相似商品
同类人气商品
计算选型
技术图档
全部型号
3D预览
技术图档
材质图
参数图
| 代码 | 类型 | 滑座材质 | 本体颜色 |
| BCZ13 | 带集成控制器 | 铝型材 | 银白色 |
特点:
● 直线电机驱动、磁栅定位、无背隙误差;
● 结构紧凑、小巧节省空间;
● 无磨损、少维护:
● 高精度、高速度、高稳定性。

选型表
电机参数
| 额定推力(N) | 20.6 |
| 峰值推力(N) | 137.28 |
| 滑座长度(mm) | 185 |
| 滑座宽度(mm) | 35 |
| 输出轴重量(Kg/m) | 0.78 |
| 输出轴直径(mm) | 10.3 |
| 磁极距(mm) | 60 |
| 力常数(N/A) | 12 |
| 额定电流(A) | 2 |
| 反电动势(Vms/m/s) | 5.9 |
| 相电阻(ohm) | 5.96 |
| 相电感(mH) | 3.02 |
| 重复定位精度(mm) | 0.029 |
1. 添加筛选条件,生成产品型号
客服
购物车
公众号
微信公众号
订单/资讯随手掌握
微信技术交流服务群
扫码添加进群
浏览记录
问题反馈
置顶
Copyright © 2010-2026 东莞怡合达自动化股份有限公司 版权所有 粤ICP备14032684号
营业执照: 91441900566614589Q