型号筛选
可选加工(可选)
未生成型号,还有 2 项未选择
重置
代码
无数据
产品选型
代码
无数据
d
无数据
L
无数据
价格生成中...
图片仅供参考,请以已选的规格为准
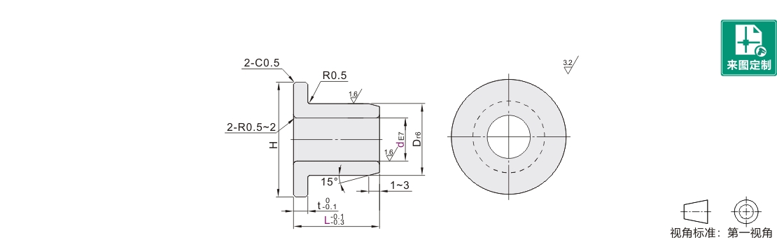
无油衬套 带肩型 高力黄铜
条件筛选:
产品型号:
未税折扣单价: -- --
含税折扣单价: ----
含税总价 (税率13%): ¥--
预计发货天数:-- 天 (发货天数以下单次日起算,不含周日与法定假日)
购买数量(PCS):
起订量:1PCS
, 加量幅度:1PCS
登录后可查看价格、加入购物车、一键购买
立即登录
价格生成中...
登录后可查看价格、加入购物车、一键购买
立即登录
代码OFG31的技术资料信息曾有所变更,可前往 型号勘误表 查看变更记录
相似商品
同类人气商品
技术图档
全部型号
3D预览
技术图档
产品简介
产品问答
材质图
参数图
| 代码 | 类型 | 材质 | 内径公差 | 外径公差 | 耐热温度 |
| OFG31 | 肩型 | 特殊铜合金 | E7 | r6 | -30~150℃ |
与本产品相配轴径公差:f8、g6(仅供参考)。
与本产品相配固定座直径公差:H7(仅供参考)
0产品压入座孔时在座孔端部或者内壁涂抹
少许润滑油,利用油压机或台钳将其慢慢
压入座孔,请勿用力敲击产品,以免引起
产品变形。
高速轻载(供油条件下)使用。
请在使用时定期润滑。

选型表
产品简介
产品问答
关于此产品的常见问题
1、不加石墨的衬套更适合应用在哪方面?
适合高速轻载的工况,需要在有润滑油的状态下运行。
2、产品的使用寿命有多久?
产品使用寿命与运行的工况有关,包含速度、负载、运动方式,是否承受较大的偏心力等,建议定期进行维护、加注润滑油,延长产品的使用寿命。
3、与本产品相配的轴、安装孔公差范围如何选择?
安装孔:H7
轴:f8、g6,需要根据实际运行状况进行选择。
1. 添加筛选条件,生成产品型号
客服
购物车
小程序
怡合达商城小程序
随身商城一手掌握
公众号
微信公众号
订单/资讯随手掌握
微信技术交流服务群
扫码添加进群
浏览记录
问题反馈
置顶
Copyright © 2010-2026 东莞怡合达自动化股份有限公司 版权所有 粤ICP备14032684号
营业执照: 91441900566614589Q