型号筛选
可选加工(可选)
未生成型号,还有 1 项未选择
重置
代码
无数据
产品选型
代码
无数据
内径d(mm)
无数据
价格生成中...
图片仅供参考,请以已选的规格为准
经济型直线轴承箱式单元 中型 加高方型 阳极氧化
条件筛选:
产品型号:
未税折扣单价: -- --
含税折扣单价: ----
含税总价 (税率13%): ¥--
预计发货天数:-- 天 (发货天数以下单次日起算,不含周日与法定假日)
购买数量(PCS):
起订量:1PCS
, 加量幅度:1PCS
登录后可查看价格、加入购物车、一键购买
立即登录
价格生成中...
登录后可查看价格、加入购物车、一键购买
立即登录
代码E-LMY21的技术资料信息曾有所变更,可前往 型号勘误表 查看变更记录
相似商品
同类人气商品
引导式选型
技术图档
全部型号
3D预览
技术图档
产品简介
产品问答
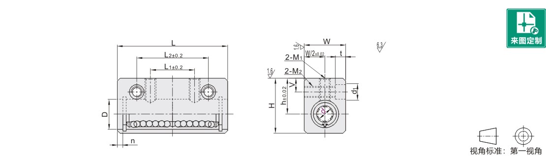
材质图
参数图
| 代码 | 类型 | 固定座 | 使用环境温度 | ||
| 材质 | 表面处理 | ||||
| E-LMY21 | 双衬型 | 中型 | 铝合金 | 阳极氧化 | -15~80°C |

选型表
kgf=N×0.101972
产品简介
产品问答
关于此产品的常见问题
1、为什么直线轴承箱式单元会出现较大噪音?
润滑不足或润滑剂污染、轴承或导轨磨损、安装不当导致的对齐问题都会导致产品使用过程中产品较大噪音。
2、直线轴承箱式单元的使用寿命如何延长?如何降低使用噪音
维持良好的润滑、保持清洁,避免外部污染物进入产品内部;
确保正确安装和对齐。
3、直线轴承箱式单元有哪些应用?
自动化设备:用于机器人手臂、传送带和自动化装配线,提供平稳的直线运动。
CNC机床:在数控铣床、车床等设备中,作为运动导向部件,确保加工精度。
3D打印机:用于打印头或平台的移动,保证打印过程中的稳定性和精确性。
医疗设备:在某些医疗仪器中,实现精密的直线移动,比如CT扫描仪的部件。
包装设备:在包装机械中,帮助实现快速和精准的物品搬运。
1. 添加筛选条件,生成产品型号
客服
购物车
公众号
微信公众号
订单/资讯随手掌握
微信技术交流服务群
扫码添加进群
浏览记录
问题反馈
置顶
Copyright © 2010-2026 东莞怡合达自动化股份有限公司 版权所有 粤ICP备14032684号
营业执照: 91441900566614589Q