图片仅供参考,请以已选的规格为准

医疗 微型直线导轨 普通级 精密级 滑块加长型 不锈钢材质
条件筛选:
产品型号:
未税折扣单价: -- --
含税折扣单价: ----
含税总价 (税率13%): ¥--
预计发货天数:-- 天 (发货天数以下单次日起算,不含周日与法定假日)
购买数量():
起订量:0
, 加量幅度:0
登录后可查看价格、加入购物车、一键购买
立即登录
价格生成中...
登录后可查看价格、加入购物车、一键购买
立即登录
代码的技术资料信息曾有所变更,可前往 型号勘误表 查看变更记录
相似商品
同类人气商品
型号筛选
可选加工(可选)
未生成型号,还有 5 项未选择
重置
代码
无数据
参数选型
滑块数量
无数据
精度等级
无数据
产品选型
代码
无数据
H
无数据
L
价格生成中...
技术图档
全部型号
3D预览
技术图档
产品问答
材质图
参数图
| 代码 | 类型 |
精度等级 | 滑块固定方式 |
滑块数量 | 导轨固定方式 | 材质 |
|
| 滑轨 | 滑块 | ||||||
| Y-GXA11 | 组件 | 普通级 | 上锁式 | 单滑块 | 上锁式 | SUS440C | SUS440C |
| Y-GXA12 | 双滑块 | ||||||
| Y-GXA15 | 精密级 | 单滑块 | |||||
| Y-GXA16 | 双滑块 | ||||||

选型表
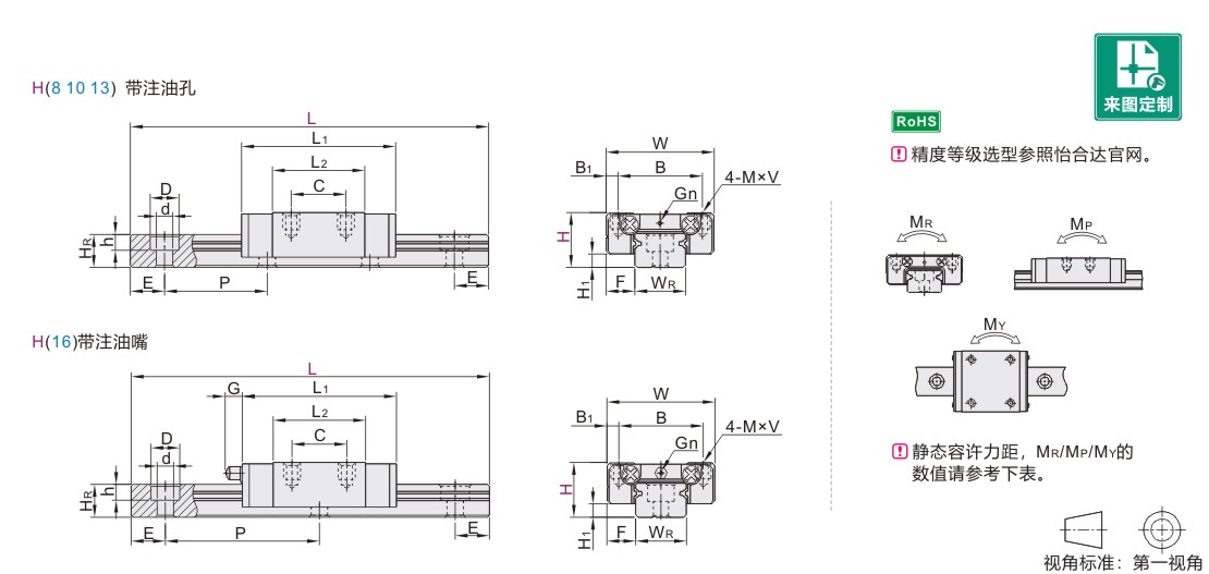
| 型号 | L | 润滑 系统 |
H1 | F | 滑块尺寸 | ||||||||||||||||||||||||||||||||||||||||||||
| 代码 | H | W | B | B1 | C | L1 | L2 | G | Gn | M×V | |||||||||||||||||||||||||||||||||||||||
| Y-GXA11 Y-GXA12 Y-GXA15 Y-GXA16 |
8 | 40~130 | 注油孔 | 1.5 | 5 | 17 | 12 | 2.5 | 13 | 30.8 | 20.8 | — | Ø1.2 | M2×2.5 | |||||||||||||||||||||||||||||||||||
| 10 | 45~275 | 2.2 | 5.5 | 20 | 15 | 16 | 39.8 | 29.2 | M3×3 | ||||||||||||||||||||||||||||||||||||||||
| 13 | 60~470 | 3 | 7.5 | 27 | 20 | 3.5 | 20 | 44 | 30 | M3×3.5 | |||||||||||||||||||||||||||||||||||||||
| 16 | 70~670 | 注油嘴 | 4 | 8.5 | 32 | 25 | 25 | 57 | 41 | 4.5 | Ø3 | M3×4 | |||||||||||||||||||||||||||||||||||||
L尺寸的最小值由滑块长度与滑块数量而定。
每个规格滑轨长度L最大可做到1000mm/条。
| 滑轨尺寸 | 基本额定负载(KN) | 静态容许力矩(N-m) | 重量 | ||||||||||
| WR | HR | D | h | d | P | 固定螺钉 | C(动) | Co(静) | MR | MP | MY | 滑块(Kg) | 滑轨(Kg/m) |
| 7 | 4.7 | 4.2 | 2.3 | 2.4 | 15 | M2×6 | 1.38 | 1.98 | 7.64 | 4.82 | 4.82 | 0.012 | 0.22 |
| 9 | 6.05 | 6 | 3.3 | 3.5 | 20 | M3×8 | 2.61 | 4.12 | 19.66 | 18.64 | 18.64 | 0.023 | 0.35 |
| 12 | 7.5 | 4.5 | 25 | 3.78 | 5.92 | 38.3 | 36.34 | 36.34 | 0.048 | 0.63 | |||
| 15 | 9.5 | 40 | M3×10 | 6.41 | 9.13 | 73.6 | 57.98 | 57.98 | 0.081 | 1.03 | |||
N(安装孔数)/E(螺钉中心孔至端面距离)
| H | L 最小单位1 |
N (安装孔数) |
E | H | L 最小单位1 |
N (安装孔数) |
E | |
| 8 | 40~50 | 3 | E=[L-(N-1)×P]/2 | 13 | 333~357 | 14 | E=[L-(N-1)×P]/2 | |
| 51~65 | 4 | 358~382 | 15 | |||||
| 66~80 | 5 | 383~407 | 16 | |||||
| 81~95 | 6 | 408~432 | 17 | |||||
| 96~110 | 7 | 433~457 | 18 | |||||
| 111~125 | 8 | 458~470 | 19 | |||||
| 126~130 | 9 | 16 | 70~87 | 2 | ||||
| 10 | 45~47 | 2 | 88~127 | 3 | ||||
| 48~67 | 3 | 128~167 | 4 | |||||
| 68~87 | 4 | 168~207 | 5 | |||||
| 88~107 | 5 | 208~247 | 6 | |||||
| 108~127 | 6 | 248~287 | 7 | |||||
| 128~147 | 7 | 288~327 | 8 | |||||
| 148~167 | 8 | 328~367 | 9 | |||||
| 168~187 | 9 | 368~407 | 10 | |||||
| 188~207 | 10 | 408~447 | 11 | |||||
| 208~227 | 11 | 448~487 | 12 | |||||
| 228~247 | 12 | 488~527 | 13 | |||||
| 248~267 | 13 | 528~567 | 14 | |||||
| 268~275 | 14 | 568~607 | 15 | |||||
| 13 | 60~82 | 3 | 608~647 | 16 | ||||
| 83~107 | 4 | 648~670 | 17 | |||||
| 108~132 | 5 | / | ||||||
| 133~157 | 6 | |||||||
| 158~182 | 7 | |||||||
| 183~207 | 8 | |||||||
| 208~232 | 9 | |||||||
| 233~257 | 10 | |||||||
| 258~282 | 11 | |||||||
| 283~307 | 12 | |||||||
| 308~332 | 13 | |||||||
P:螺钉孔间距离
E:螺钉中心孔至端面距离
精度基准
| 类型 | 尺寸精度(µm) | 普通级 | 精密级 | |
| 单组导轨 | 单滑块 | 高度H的容许尺寸误差 | ±0.04 | ±0.02 |
| 宽度F的容许尺寸误差 | ±0.025 | |||
| 双滑块 | 高度H的相互误差 | 0.03 | 0.015 | |
| 宽度F的相互误差 | 0.02 | |||
| 多组导轨 | 多组导轨高度H的相互误差 | 0.07 | 0.04 | |
| 单组/多组导轨 | 滑块C面对滑轨A面的行走平行度 | 请在怡合达网站参阅行走精度表 | ||
| 滑块D面对滑轨B面的行走平行度 | ||||

产品问答
关于此产品的常见问题
1、直线导轨轨道和滑块是否可以单独购买?
考虑组装成品的精度和预压等级,单出轨道和滑块半成品精度只能保证为普通级,无法调整预压,如需购买可在在标准型号基础上备注,或咨询相关工作人员。
2、直线导轨的长度和滑块数超出选型范围怎么下单?
长度和滑块数可以任意指定,轨道长度可直接更改参数(超过整根长度的需拼接);
滑块数可在型号后+“-B*”,如“IAC01-H8-L200-B4”表示配4个滑块,但轨道长度不得小于滑块组装后总长度(含油嘴)。
3、直线导轨负载和寿命如何计算?
直线导轨的应用,必须对选用的型号与使用条件来验算其负荷容量及寿命,根据这些结果来判断选择的直线导轨型号是否符合需求。
负荷容量的验算是利用基本额定静负荷(C0 ),求出静安全系数,即确定其静的负荷限度;
而寿命的验算则是利用基本额定动负荷(C ),来计算额定寿命。详情和计算方法可咨询相关技术人员。
4、直线导轨倒装的负载怎么计算?
怡合达标准型号导轨均为“4方向等负荷型”,理论上倒装与正装承载能力相同,但考虑滑块固定连接强度,倒装在正装的基础上安全系数扩大1.2倍。
5、直线导轨为什么会生锈,如何处理和预防?
直线导轨材质不具备防锈能力,空气湿度较高、表面无油膜覆盖或接触腐蚀性液体就会生锈;
如果非滚动沟槽部位轻微生锈并不影响使用,可用1200目及以上砂纸打磨后,重新涂抹防锈油即可。
可在轨道表面做镀硬铬或黑铬处理提高耐腐蚀性能,或物理隔绝(加风琴罩等防护)。
1. 添加筛选条件,生成产品型号
客服
购物车
小程序
怡合达商城小程序
随身商城一手掌握
公众号
微信公众号
订单/资讯随手掌握
微信技术交流服务群
扫码添加进群
浏览记录
问题反馈
置顶
Copyright © 2010-2026 东莞怡合达自动化股份有限公司 版权所有 粤ICP备14032684号
营业执照: 91441900566614589Q