图片仅供参考,请以已选的规格为准
经济型宽幅直线导轨 普通级 滑块四方型•超高扭矩阻抗
条件筛选:
产品型号:
未税折扣单价: -- --
含税折扣单价: ----
含税总价 (税率13%): ¥--
预计发货天数:-- 天 (发货天数以下单次日起算,不含周日与法定假日)
购买数量():
起订量:0
, 加量幅度:0
登录后可查看价格、加入购物车、一键购买
立即登录
价格生成中...
登录后可查看价格、加入购物车、一键购买
立即登录
代码的技术资料信息曾有所变更,可前往 型号勘误表 查看变更记录
相似商品
同类人气商品
型号筛选
可选加工(可选)
未生成型号,还有 7 项未选择
重置
代码
无数据
参数选型
材质
无数据
滑轨宽度
无数据
产品选型
代码
无数据
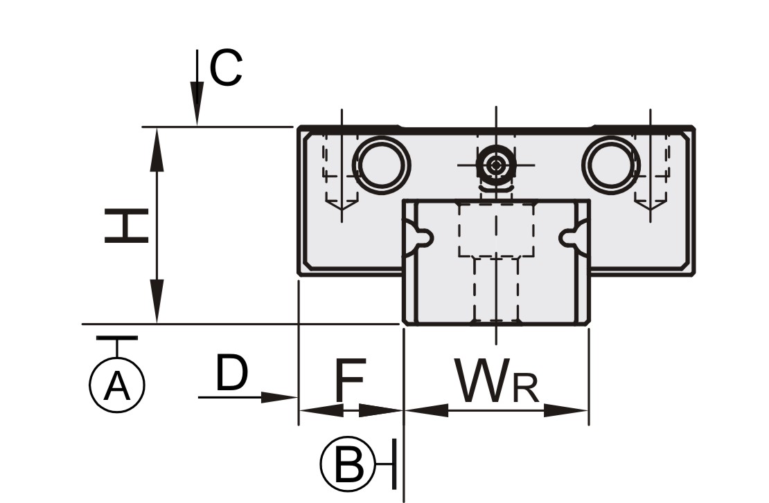
H
无数据
L
B
E
价格生成中...
技术图档
全部型号
3D预览
技术图档
可选加工
材质图
参数图
| 代码 | 类型 | 精度等级 | 预压等级 | 滑块固定 方式 |
滑轨固定 方式 |
材质 | 使用温度范围 | |
| 滑块 | 滑轨 | |||||||
| IWS71 | 组件 | 普通级 | 轻预压 | 上锁式 | 上锁式 | 不锈钢 | -20~80℃ | |
| IWS77 | 合金钢 | |||||||

选型表
| 型号 |
L 最小单位1 |
B 滑块数量 |
E 最小单位0.5 |
组件尺寸 |
滑块尺寸 |
||||||||||||||
| 代码 | H | H1 | F | W | B1 | B2 | C | L1 | L2 | K2 | G | GN | M×V | T | H2 | H3 | |||
| IWS71 | 12 | 50~1000 | 1~10 | 5~35 | 2.9 | 6 | 30 | 21 | 4.5 | 12 | 38.5 | 27.5 | — | — | Ø1.2 | M3×3 | — | 2.4 | — |
| 14 | 50~1000 | 3.4 | 8 | 40 | 28 | 6 | 15 | 45.1 | 31.3 | M3×3.6 | 2.8 | ||||||||
| IWS77 | 17 | 55~2000 | 2.5 | 8.5 | 50 | 29 | 10.5 | 15 | 50.6 | 35 | 3.1 | 4 | — | M4×5 | 6 | 4 | 3 | ||
| 21 | 65~2000 | 5~45 | 3 | 8.5 | 54 | 31 | 11.5 | 19 | 59 | 41.7 | 3.65 | 12 | M5×6 | 8 | 4.5 | 4.2 | |||
| 27 | 80~2000 | 5~55 | 4 | 10 | 62 | 46 | 8 | 32 | 72.8 | 51.8 | 3.5 | M6×6 | 10 | 6 | 5 | ||||
选型需满足条件:滑轨总长L>滑块数量B×滑轨总长L的最小值(例 :50、55、65、80)
端面距离E的尺寸 ,最好不要大于1/2 × P ,防止因E的尺寸过大 ,导致导轨装配后端部的不稳定 ,而降低直线导轨的精度 ,亦不可取用过小的E值,
以避免螺栓孔/螺丝孔破孔。
| 型号 |
滑轨尺寸 |
固定螺栓 尺寸 |
基本额定负载(KN) | 静态容许力矩(N·m) |
重量 | |||||||||||
| 代码 | H | WR | WB | HR | D | h | d | P | C(动) | CO(静) | MR | MP | MY | 滑块(kg) | 滑轨(kg/m) | |
| IWS71 | 12 | 18 | — | 7 | 7.5 | 5.3 | 4.5 | 40 | M4×6 | 2.75 | 4.12 | 40.12 | 18.96 | 18.96 | 0.04 | 0.91 |
| 14 | 24 | 8.5 | 8 | 4.5 | M4×8 | 3.92 | 5.59 | 70.34 | 27.8 | 27.8 | 0.071 | 1.49 | ||||
| IWS77 | 17 | 33 | 18 | 9.3 | 7.5 | 5.3 | M4×12 | 5.23 | 9.64 | 149.85 | 59.94 | 59.94 | 0.120 | 2.2 | ||
| 21 | 37 | 22 | 11 | 50 | M4×12 | 7.21 | 13.7 | 219.78 | 99.9 | 99.9 | 0.200 | 3 | ||||
| 27 | 42 | 24 | 15 | 60 | M4×16 | 12.4 | 21.6 | 409.59 | 159.84 | 159.84 | 0.350 | 4.7 | ||||
预压等级表
| 预压等级 | 预压力 | 适用精度 | 适用范围 |
| ZF(间隙预压) | 0~0.02C | 普通级 | 负荷方向固定且冲击小,精度要求低 |
| ZA(轻预压) | 0.03~0.05C | 普通级 、高级 、精密级 | 轻负荷且要求高精度 |
| ZB(中预压) | 0.06~0.08C | 普通级 、高级 、精密级 | 刚性要求,且有振动,有冲击的使用环境 |
C为基本额定动负载。
安装基座的肩部高度和圆角半径
| H 组装高度 |
r1 滑轨肩部 最大圆角 半径 |
r2 滑块肩部 最大倒角 半径 |
h1 滑轨肩部 高度 |
h2 滑块肩部 高度 |
H2 滑块底部 距滑轨底部 高度 |
![]() |
| 12 | 0.3 | 0.3 | 2.5 | 3.0 | 2.9 | |
| 14 | 0.3 | 0.3 | 3.0 | 4.0 | 3.4 | |
| 17 | 0.4 | 0.4 | 2.0 | 4.0 | 2.5 | |
| 21 | 0.4 | 0.4 | 2.5 | 5.0 | 3 | |
| 27 | 0.5 | 0.4 | 3.0 | 7.0 | 4 |
行走平行精度表
| 滑轨长度L (mm) |
精度等级(μm) |
||
| 普通级 | 高级 | 精密级 | |
| 100以下 | 12 | 7 | 3 |
| 100~200 | 14 | 9 | 4 |
| 201~300 | 15 | 10 | 5 |
| 301~500 | 17 | 12 | 6 |
| 501~700 | 20 | 13 | 7 |
| 701~900 | 22 | 15 | 8 |
| 901~1100 | 24 | 16 | 9 |
| 1101~1500 | 26 | 18 | 11 |
| 1501~1900 | 28 | 20 | 13 |
| 1901~2000 | 31 | 22 | 15 |
精度基准
| 组装高度H |
12/14/17/21 |
27 |
![]() |
||||
| 精度等级 | 普通级 | 高级 | 精密级 | 普通级 | 高级 | 精密级 | |
| 高度H的容许尺寸误差 | ±0.04 | ±0.02 | ±0.01 | ±0.1 | ±0.04 | -0.04 0 |
|
| 宽度F的容许尺寸误差 | ±0.04 | ±0.025 | ±0.015 | ±0.1 | ±0.04 | -0.04 0 |
|
| 成对高度H的相互误差 |
0.03 | 0.015 | 0.007 | 0.02 | 0.015 | 0.007 | |
| 成对宽度F的相互误差 | 0.03 | 0.02 | 0.01 | 0.03 | 0.015 | 0.007 | |
| 滑块C面对滑轨A面的行走平行度 | 见行走平行精度表 |
||||||
| 滑块D面对滑轨B面的行走平行度 | |||||||
安装面的容许误差
| H 组装高度 |
轴的平行度误差(e1) (μm) |
轴的水平度误差(e2) (μm) |
![]() |
||||
| 间隙预压 | 轻预压 | 中预压 | 间隙预压 | 轻预压 | 中预压 | ||
| 12 | 10 | 10 | 7.5 | 35 | 20 | 6 | |
| 14 | 20 | 15 | 9 | 50 | 20 | 12 | |
| 17 | 20 | 15 | 9 | 65 | 20 | 12 | |
| 21 | 25 | 18 | 9 | 130 | 85 | 45 | |
| 27 | 25 | 20 | 13 | 130 | 85 | 45 | |
可选加工

1. 添加筛选条件,生成产品型号
客服
购物车
公众号
微信公众号
订单/资讯随手掌握
微信技术交流服务群
扫码添加进群
浏览记录
问题反馈
置顶
Copyright © 2010-2026 东莞怡合达自动化股份有限公司 版权所有 粤ICP备14032684号
营业执照: 91441900566614589Q

