图片仅供参考,请以已选的规格为准
经济型高组装直线导轨 普通级 滑块长法兰型
品牌名称:
怡合达
条件筛选:
产品型号:
登录后可查看价格、加入购物车、一键购买
立即登录
型号筛选
可选加工(可选)
未生成型号,还有 4 项未选择
重置
代码
产品选型
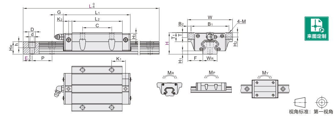
H
L
B
E
技术图档
3D预览
材质图
参数图
| 代码 | 类型 | 精度等级 | 预压等级 | 滑块固定方式 | 滑轨固定方式 | 材质 | 使用温度范围 |
| E-IBP77 | 组件 | 普通级 | 无预压 | 上锁式 | 上锁式 | 合金钢 | -20~80℃ |
静态容许力矩,MR/MP/MY的数值请参考下表。
选型表
| H | 滑轨尺寸 | 基本额定负载 | 静态容许力矩(KN·m) | 重量 | ||||||||||
| WR | HR | D | h | d | P | 固定螺钉 | C(动) | Co(静) | MR | MP | MY | 滑块(kg) | 滑轨(kg/m) | |
| 30 | 20 | 17.5 | 9.5 | 8.5 | 6 | 60 | M5×16 | 31.07 | 45.56 | 0.33 | 0.33 | 0.33 | 0.52 | 2.21 |
| 36 | 23 | 22 | 11 | 9 | 7 | M6×20 | 40.09 | 65.62 | 0.53 | 0.54 | 0.54 | 0.8 | 3.21 | |
| 42 | 28 | 26 | 14 | 12 | 9 | 80 | M8×25 | 55.67 | 89.29 | 0.84 | 0.87 | 0.87 | 1.44 | 4.47 |
| 48 | 34 | 29 | 74.01 | 116.63 | 1.46 | 1.33 | 1.33 | 2.06 | 6.3 | |||||
| 60 | 45 | 38 | 20 | 17 | 14 | 105 | M12×35 | 119.04 | 182.26 | 2.5 | 2.55 | 2.55 | 3.69 | 10.41 |
L尺寸选型需满足条件:H=30时,L≥B×110;H=36时,L≥B×120;H=42时,L≥B×140;H=48时,L≥B×160;H=60时,L≥B×190。
每个规格滑轨长度L最大可做到4000mm/条,长度L超过需拼接,有拼接需求可联系怡合达工作人员。
如有表面处理需求,请联系怡合达工作人员。
组合成品已调好预压和精度等级,如需单独购买滑轨、滑块请联系怡合达工作人员。
安装尺寸与其他品牌同规格产品相同,组合成品可以替换使用;各品牌滑轨和滑块不能互配,因此滑块和滑轨无法单独替换使用。
精度基准
| 组装高度H | 30 | 36/42/48 | 60 | ![]() |
||||||
| 精度等级 | 普通级 | 高级 | 精密级 | 普通级 | 高级 | 精密级 | 普通级 | 高级 | 精密级 | |
| 高度H的容许尺寸误差 | ±0.1 | ±0.03 | 0 -0.03 |
±0.1 | ±0.04 | 0 -0.04 |
±0.1 | ±0.05 | 0 -0.05 |
|
| 宽度F的容许尺寸误差 | ±0.1 | ±0.03 | 0 -0.03 |
±0.1 | ±0.04 | 0 -0.04 |
±0.1 | ±0.05 | 0 -0.05 |
|
| 成对高度H的相互误差 | 0.02 | 0.01 | 0.006 | 0.02 | 0.015 | 0.007 | 0.03 | 0.015 | 0.007 | |
| 成对宽度F的相互误差 | 0.02 | 0.01 | 0.006 | 0.03 | 0.015 | 0.007 | 0.03 | 0.02 | 0.01 | |
| 滑块C面对滑轨A面的行走平行度 | 见行走平行精度表 | |||||||||
| 滑块D面对滑轨B面的行走平行度 | ||||||||||
预压等级表
| 预压等级 | 预压力 | 使用条件 |
| Z0(无预压) | 0~0.02C | 负荷方向固定且冲击小,精度要求低 |
| ZB(中预压) | 0.05~0.07C | 轻负荷且要求高精度 |
| ZC(重预压) | 0.10~0.12C | 有刚性要求和振动冲击的使用环境 |
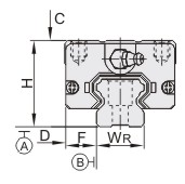
安装基座的肩部高度和圆角半径
| H 组装高度 |
r1 滑轨肩部 最大圆角半径 |
r2 滑块肩部 最大倒角半径 |
h1 滑轨肩部 高度 |
h2 滑块肩部 高度 |
H2 滑块底部距 轨道底部高度 |
![]() |
| 30 | 0.5 | 0.5 | 3.5 | 5 | 4.6 | |
| 36 | 1 | 1 | 5 | 5 | 5.5 | |
| 42 | 1 | 1 | 5 | 5 | 5 | |
| 48 | 1 | 1 | 6 | 6 | 7.5 | |
| 60 | 1 | 1 | 8 | 8 | 9.5 |
行走平行度表
| 滑轨长度L (mm) |
精度等级(μm) | ||
| 普通级 | 高级 | 精密级 | |
| 150~200 | 14 | 9 | 4 |
| 201~300 | 15 | 10 | 5 |
| 301~500 | 17 | 12 | 6 |
| 501~700 | 20 | 13 | 7 |
| 701~900 | 22 | 15 | 8 |
| 901~1100 | 24 | 16 | 9 |
| 1101~1500 | 26 | 18 | 11 |
| 1501~1900 | 28 | 20 | 13 |
| 1901~2500 | 31 | 22 | 15 |
| 2501~3100 | 33 | 25 | 18 |
| 3101~3600 | 36 | 27 | 20 |
| 3601~4000 | 37 | 28 | 21 |
安装面的容许误差
以下是对滚动阻力或寿命没有影响时安装面的容许误差值。
| H 组装高度 |
轴的平行度误差(e1)(μm) | 轴的水平度误差(e2)(μm) | ![]() |
||||
| Z0(无预压) | ZB(中预压) | ZC(重预压) | Z0(无预压) | ZB(中预压) | ZC(重预压) | ||
| 30 | 25 | 20 | 18 | 130 | 85 | 50 | |
| 36 | 30 | 22 | 20 | 130 | 85 | 70 | |
| 42 | 40 | 30 | 27 | 170 | 110 | 90 | |
| 48 | 50 | 35 | 30 | 210 | 150 | 120 | |
| 60 | 60 | 40 | 35 | 250 | 170 | 140 | |