图片仅供参考,请以已选的规格为准
经济型低组装直线导轨 普通级 滑块短法兰型
品牌名称:
怡合达
条件筛选:
产品型号:
未税折扣单价: -- --
含税折扣单价: ----
含税总价 (税率13%): ¥--
预计发货天数:-- 天 (发货天数以下单次日起算,不含周日与法定假日)
购买数量(PCS):
起订量:1PCS
, 加量幅度:1PCS
登录后可查看价格、加入购物车、一键购买
立即登录
价格生成中...
登录后可查看价格、加入购物车、一键购买
立即登录
代码E-IAV77的技术资料信息曾有所变更,可前往 型号勘误表 查看变更记录
相似商品
同类人气商品
型号筛选
可选加工(可选)
未生成型号,还有 4 项未选择
重置
代码
无数据
产品选型
代码
无数据
H
无数据
L
B
E
ZA
ZA
ZB
ZB
价格生成中...
技术图档
全部型号
3D预览
技术图档
可选加工参数
技术图档
参数图
| 代码 | 类型 | 精度等级 | 预压等级 | 滑块固定方式 | 滑轨固定方式 | 材质 | 使用温度范围 |
| E-IAV77 | 组件 | 普通级 | 无预压 | 上锁式 | 上锁式 | 合金钢 | -20~80℃ |
静态容许力矩,MR/MP/MY的数值请参考下表。
选型表
| H | 滑轨尺寸 |
基本额定负载(KN) | 静态容许力矩(KN·m) | 重量 | ||||||||||
| WR | HR | D | h | d | P | 固定螺钉 | C(动) | Co(静) | MR | MP | MY | 滑块(kg) | 滑轨(kg/m) | |
| 24 | 15 | 12.5 | 7.5 | 5.3 | 4.5 | 60 | M4×16 | 5.08 | 8.93 | 0.08 | 0.04 | 0.04 | 0.12 | 1.25 |
| 28 | 20 | 15.5 | 9.5 | 8.5 | 6 | M5×16 | 6.87 | 12.1 | 0.12 | 0.06 | 0.06 | 0.19 | 2.08 | |
| 33 | 23 | 18 | 11 | 9 | 7 | M6×20 | 10.83 | 18.53 | 0.22 | 0.11 | 0.11 | 0.35 | 2.67 | |
| 42 | 28 | 23 | 14 | 12 | 9 | 80 | M8×25 | 15.6 | 26.7 | 0.38 | 0.2 | 0.2 | 0.62 | 4.35 |
L尺寸选型需满足条件:H=24时,L≥B×50;H=28时,L≥B×60;H=33时,L≥B×70;H=42时,L≥B×100。
每个规格滑轨长度L最大可做到4000mm/条,长度L超过需拼接,有拼接需求可联系怡合达工作人员。
如有表面处理需求,请联系怡合达工作人员。
组合成品已调好预压和精度等级,如需单独购买滑轨、滑块请联系怡合达工作人员。
安装尺寸与其他品牌同规格产品相同,组合成品可以替换使用;各品牌滑轨和滑块不能互配,因此滑块和滑轨无法单独替换使用。
精度基准
| 组装高度H | 24/28 | 33/42 | ![]() |
||||
| 精度等级 | 普通级 | 高级 | 精密级 | 普通级 | 高级 | 精密级 | |
| 高度H的容许尺寸误差 | ±0.1 | ±0.03 | 0 -0.03 |
±0.1 | ±0.04 | 0 -0.04 |
|
| 宽度F的容许尺寸误差 | ±0.1 | ±0.03 | 0 -0.03 |
±0.1 | ±0.04 | 0 -0.04 |
|
| 成对高度H的相互误差 | 0.02 | 0.01 | 0.006 | 0.02 | 0.015 | 0.007 | |
| 成对宽度F的相互误差 | 0.02 | 0.01 | 0.006 | 0.03 | 0.015 | 0.007 | |
| 渭块C面对滑轨A面的行走平行度 | 见行走平行精度表 | ||||||
| 滑块D面对滑轨B面的行走平行度 | |||||||
预压等级表
| 预压等级 | 预压力 | 使用条件 |
| Z0(无预压) | 0~0.02C | 负荷方向固定且冲击小,精度要求低 |
| ZA(轻预压 | 0.03~0.05C | 轻负荷且要求高精度 |
| ZB(中预压) | 0.06~0.08C | 有刚性要求和振动冲击的使用环境 |
C为基本额定动负载。
安装基座的肩部高度和圆角半径
| H 组装高度 |
r1 滑轨肩部 最大圆角半径 |
r2 滑块肩部 最大倒角半径 |
h1 滑轨肩部 高度 |
h2 滑块肩部 高度 |
H2 滑块底部距 轨道底部高度 |
![]() |
| 24 | 0.5 | 0.5 | 2.7 | 5 | 4.5 | |
| 28 | 0.5 | 0.5 | 5 | 7 | 6 | |
| 33 | 1 | 1 | 5 | 7.5 | 7 | |
| 42 | 1 | 1 | 7 | 7 | 10 |
行走平行度表
| 滑轨长度L (mm) |
精度等级(μm) | ||
| 普通级 | 高级 | 精密级 | |
| 100 | 12 | 7 | 3 |
| 101~200 | 14 | 9 | 4 |
| 201~300 | 15 | 10 | 5 |
| 301~500 | 17 | 12 | 6 |
| 501~700 | 20 | 13 | 7 |
| 701~900 | 22 | 15 | 8 |
| 901~1100 | 24 | 16 | 9 |
| 1101~1500 | 26 | 18 | 11 |
| 1501~1900 | 28 | 20 | 13 |
| 1901~2500 | 31 | 22 | 15 |
| 2501~3100 | 33 | 25 | 18 |
| 3101~3600 | 36 | 27 | 20 |
| 3601~4000 | 37 | 28 | 21 |
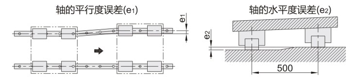
安装面的容许误差
以下是对滚动阻力或寿命没有影响时安装面的容许误差值。
| H 组装高度 |
轴的平行度误差(e1)(μm) | 轴的水平度误差(e2)(μm) | ![]() |
||||
| Z0(无预压) | ZA(轻预压) | ZB(中预压) | Z0(无预压) | ZA(轻预压) | ZB(中预压) | ||
| 24 | 25 | 18 | 一 | 130 | 85 | 一 | |
| 28 | 25 | 20 | 18 | 130 | 85 | 50 | |
| 33 | 30 | 22 | 20 | 130 | 85 | 70 | |
| 42 | 40 | 30 | 27 | 170 | 110 | 90 | |
可选加工

1. 添加筛选条件,生成产品型号
客服
购物车
公众号
微信公众号
订单/资讯随手掌握
微信技术交流服务群
扫码添加进群
浏览记录
问题反馈
置顶
Copyright © 2010-2026 东莞怡合达自动化股份有限公司 版权所有 粤ICP备14032684号
营业执照: 91441900566614589Q

