型号筛选
可选加工(可选)
未生成型号,还有 1 项未选择
重置
代码
无数据
产品选型
代码
无数据
规格
无数据
价格生成中...
图片仅供参考,请以已选的规格为准
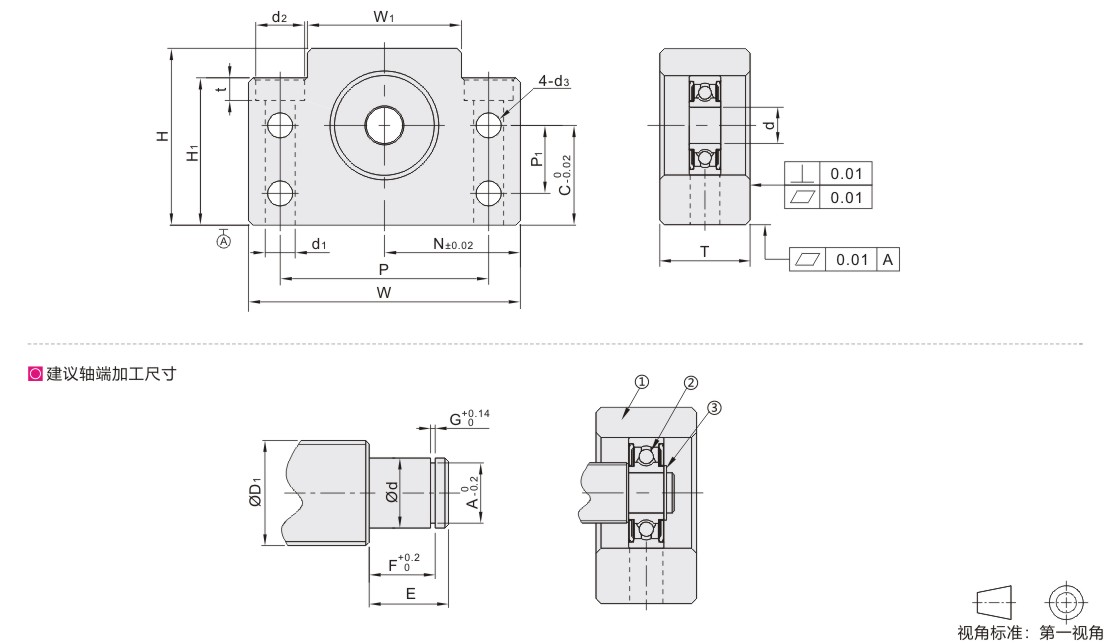
方形丝杠支座组件 支撑侧 侧面带孔型
品牌名称:
怡合达
条件筛选:
产品型号:
未税折扣单价: -- --
含税折扣单价: ----
含税总价 (税率13%): ¥--
预计发货天数:-- 天 (发货天数以下单次日起算,不含周日与法定假日)
购买数量(PCS):
起订量:1PCS
, 加量幅度:1PCS
登录后可查看价格、加入购物车、一键购买
立即登录
价格生成中...
登录后可查看价格、加入购物车、一键购买
立即登录
代码LEK71的技术资料信息曾有所变更,可前往 型号勘误表 查看变更记录
相似商品
同类人气商品
计算选型
技术图档
全部型号
3D预览
技术图档
材质图
参数图
| 代码 | 类型 | 材质 | 表面处理 | |||
| ① | ② | ③ | ① | |||
| LEK71 | 侧面带孔型 | 支撑侧 | S45C | 不锈钢 | 弹簧钢 | 发黑 |
构成零件
| 编号 | 零件名称 | 数量 |
| ① | 轴承座本体 | 1 |
| ② | 径向轴承 6级 | 1 |
| ③ | C型挡圈 | 1 |
轴承已经封入适量锂皂基抗极压润滑脂。
使用不锈钢材质深沟球轴承,适用于中低转速、中低载荷用途。
适用锂电行业:禁铜、锌材质。
选型表
1. 添加筛选条件,生成产品型号
客服
购物车
小程序
怡合达商城小程序
随身商城一手掌握
公众号
微信公众号
订单/资讯随手掌握
微信技术交流服务群
扫码添加进群
浏览记录
问题反馈
置顶
Copyright © 2010-2026 东莞怡合达自动化股份有限公司 版权所有 粤ICP备14032684号
营业执照: 91441900566614589Q