型号筛选
可选加工(可选)
未生成型号,还有 3 项未选择
重置
代码
无数据
参数选型
表面处理
无数据
产品选型
代码
无数据
规格
无数据
价格生成中...
图片仅供参考,请以已选的规格为准
方形丝杠支座组件 矮型 固定侧 精密型 标准型
条件筛选:
产品型号:
未税折扣单价: -- --
含税折扣单价: ----
含税总价 (税率13%): ¥--
预计发货天数:-- 天 (发货天数以下单次日起算,不含周日与法定假日)
购买数量():
起订量:0
, 加量幅度:0
登录后可查看价格、加入购物车、一键购买
立即登录
价格生成中...
登录后可查看价格、加入购物车、一键购买
立即登录
代码的技术资料信息曾有所变更,可前往 型号勘误表 查看变更记录
相似商品
同类人气商品
计算选型
技术图档
全部型号
3D预览
技术图档
产品简介
产品问答
技术图档(二)
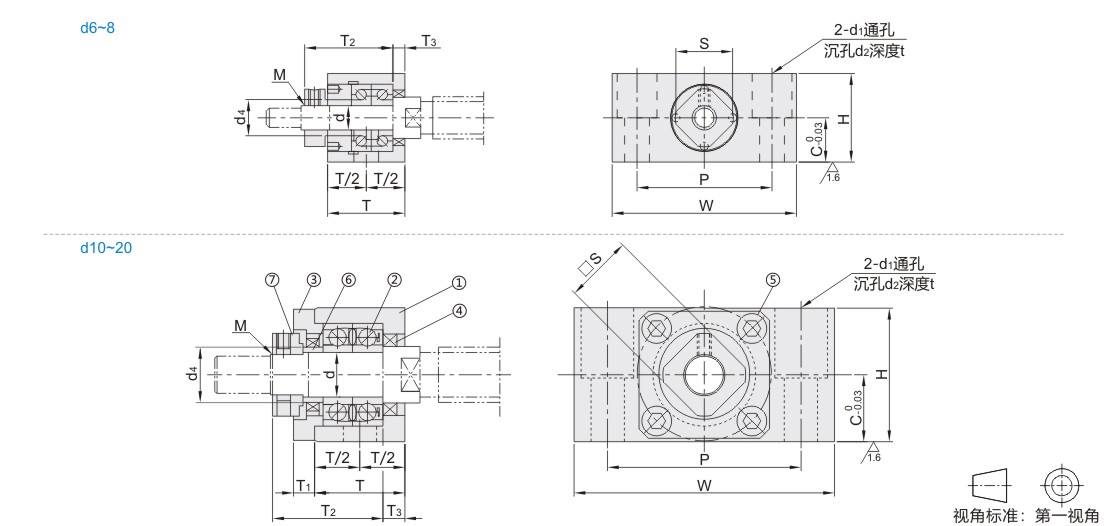
材质图
参数图
| 代码 | 类型 | 材质 | 表面处理 | ||
| ① ③ ⑦ | ⑥ | ① ③ ⑥ ⑦ | |||
| LEB65 | 矮型 | 固定测 | S45C | SUJ2 | 发黑 |
| LED65 | 无电解镀镍 | ||||
使用经预压调整后的JIS 5级的角接触球轴承、最适用于高
精度、高速旋转用途。
| 编码 | 零件名称 | 数量 |
| ① | 轴承座本体 | 1 |
| ② | 角接触轴承 5级 | 1对 |
| ③ | 轴承盖 | 1 |
| ④ | 油封(Ø6一个,Ø8一个) | 2 |
| ⑤ | 内六角圆柱头螺钉 | 4 |
| ⑥ | 轴环 | 2 |
| ⑦ | 紧固螺帽 | 1 |

选型表
产品简介
产品问答
关于此产品的常见问题
1、标准型号支座包含哪些部分?
1.固定侧丝杠支座包含支座本体、支座压盖、角接触球轴承、支座用间隔环、油封、支座用螺母
2.支撑侧丝杠支座包含支座本体、深沟球轴承、挡圈
2、丝杠支座选型需要注意哪些方面?
1.固定侧支座与支撑侧支座中心高度C值要保持一致
2.支座从外形上分类有圆法兰型和方型,根据实际安装工况进行选择
3、丝杠支座产品发货形式是怎么样的?
通常情况下,对于固定侧丝杠支座,支座用间隔环和支座用螺母属于配件,独立包装后与支座主体部分一起放置于包装盒内;
对于支撑侧支座,深沟球轴承和挡圈属于配件,独立包装后与支座本体一起放置于包装盒内
4、丝杠支座支持定制吗?
丝杠支座支持定制,可根据客户多样化需求定制支座
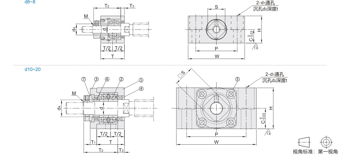
材质图
参数图
| 代码 | 类型 | 材质 | 表面处理 | ||
| ① ③ ⑦ | ⑥ | ① ③ ⑥ ⑦ | |||
| LEB65 | 矮型 | 固定侧 | S45C | SUJ2 | 发黑 |
| LED65 | 无电解镀镍 | ||||
使用经预压调整后的JIS 5级的角接触球轴承、最适用于高精度、高速旋转用途。
构成零件
| 编号 | 零件名称 | 数量 |
| ① | 轴承座本体 | 1 |
| ② | 角接触轴承 5级 | 1对 |
| ③ | 轴承盖 | 1 |
| ④ | 油封(Ø6一个,Ø8一个) | 2 |
| ⑤ | 内六角圆柱头螺钉 | 4 |
| ⑥ | 轴环 | 2 |
| ⑦ | 紧固螺帽 | 1 |

| 型号 | d | T | T1 | T2 | T3 | W | H | C | P | d1 | d2 | t | M (细牙螺纹) |
S | 油封适用 轴径d4 |
轴环厚度 | |||||||
| 代码 | 规格 | ||||||||||||||||||||||
| 发黑 LEB65 无电解镀镍 LED65 |
6 | 6 | 20 | 一 | 22 | 3.5 | 42 | 22 | 11 | 30 | 5.5 | 9.5 | 12 | M6×0.75 | 12 | 9.4 | 5 | ||||||
| 8S | 8 | 23 | 26 | 4 | 52 | 28 | 14 | 38 | 6.6 | 11 | 15 | M8×1.0 | 14 | 10 | 5.5 | ||||||||
| 8 | 11.4 | ||||||||||||||||||||||
| 10S | 10 | 24 | 6 | 29.5 | 6 | 70 | 36 | 18 | 52 | 9 | 14 | 19 | M10×1.0 | 16 | 12 | ||||||||
| 10 | 14.4 | ||||||||||||||||||||||
| 12 | 12 | M12×1.0 | 19 | 15.4 | |||||||||||||||||||
| 15 | 15 | 25 | 36 | 5 | 80 | 41 | 21 | 60 | 11 | 17 | 21 | M15×1.0 | 22 | 19.4 | 10 | ||||||||
| 20 | 20 | 42 | 10 | 50 | 10 | 95 | 56 | 28 | 75 | 29 | M20×1.0 | 30 | 25.4 | 11 | |||||||||
1. 添加筛选条件,生成产品型号
客服
购物车
小程序
怡合达商城小程序
随身商城一手掌握
公众号
微信公众号
订单/资讯随手掌握
微信技术交流服务群
扫码添加进群
浏览记录
问题反馈
置顶
Copyright © 2010-2026 东莞怡合达自动化股份有限公司 版权所有 粤ICP备14032684号
营业执照: 91441900566614589Q