LEF55-d10-F60-h22
复制
型号筛选
可选加工(可选)
型号已生成
重置
代码
无数据
产品选型
代码
无数据
d
无数据
F
无数据
h
无数据
价格生成中...
图片仅供参考,请以已选的规格为准
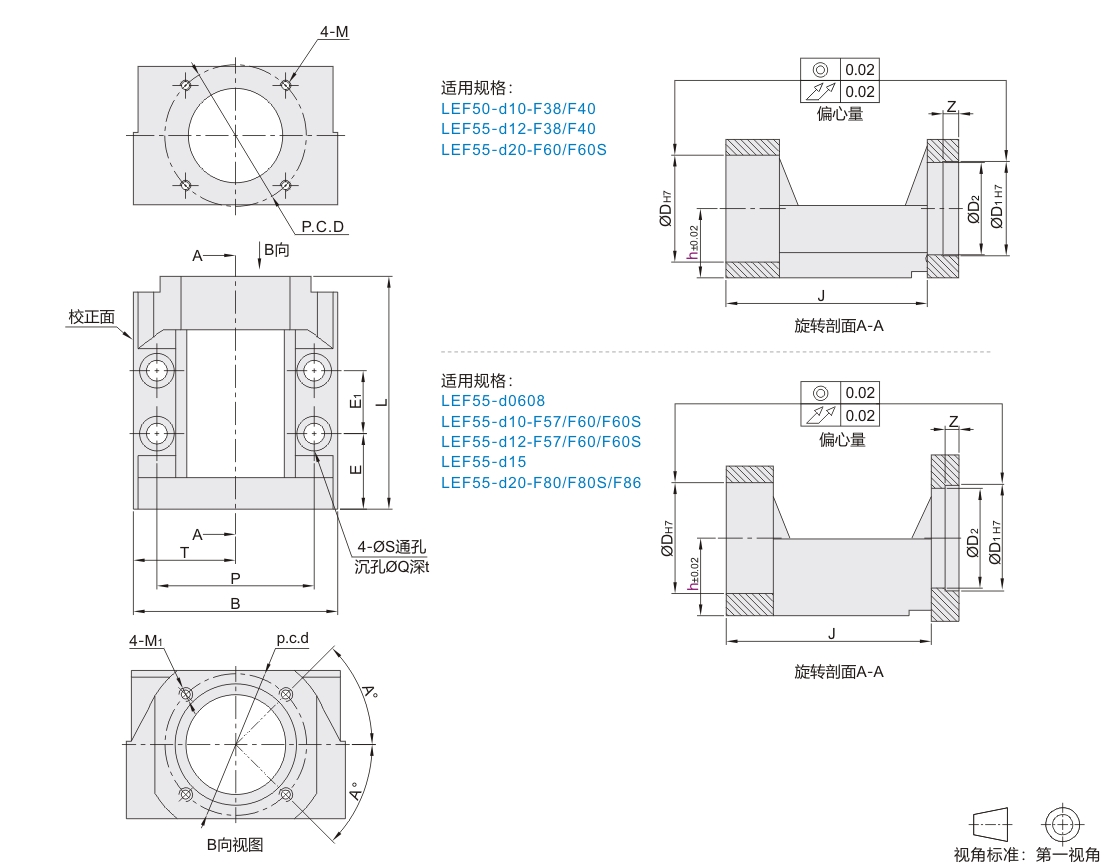
丝杠支座组件 一般型传动座 铸铁材质 窄轨型
条件筛选:
产品型号:
LEF55-d10-F60-h22
未税折扣单价: -- --
含税折扣单价: ----
含税总价 (税率13%): ¥--
预计发货天数:-- 天 (发货天数以下单次日起算,不含周日与法定假日)
购买数量(PCS):
起订量:1PCS
, 加量幅度:1PCS
登录后可查看价格、加入购物车、一键购买
立即登录
价格生成中...
登录后可查看价格、加入购物车、一键购买
立即登录
代码LEF55的技术资料信息曾有所变更,可前往 型号勘误表 查看变更记录
相似商品
同类人气商品
计算选型
技术图档
全部型号
3D预览
技术图档
产品简介
材质图
参数图
| 代码 | 类型 | 材质 | 表面处理 | |
| LEF55 | 一般型传动座 |
窄轨型 |
铸铁 | 发黑 |

选型表
*带S为松下电机,不带为其它品牌电机。
※0608适用丝杠轴径Ø6或Ø8。
产品简介
请先筛选参数,生成产品型号
客服
购物车
公众号
微信公众号
订单/资讯随手掌握
微信技术交流服务群
扫码添加进群
浏览记录
问题反馈
置顶
Copyright © 2010-2026 东莞怡合达自动化股份有限公司 版权所有 粤ICP备14032684号
营业执照: 91441900566614589Q