型号筛选
可选加工(可选)
未生成型号,还有 1 项未选择
重置
代码
无数据
产品选型
代码
无数据
规格
无数据
价格生成中...
图片仅供参考,请以已选的规格为准
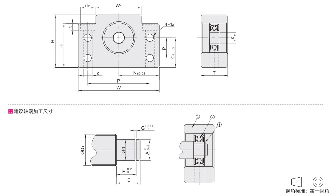
经济型方形丝杠支座组件 径向轴承 侧面带孔型 支撑侧
条件筛选:
产品型号:
未税折扣单价: -- --
含税折扣单价: ----
含税总价 (税率13%): ¥--
预计发货天数:-- 天 (发货天数以下单次日起算,不含周日与法定假日)
购买数量(PCS):
起订量:1PCS
, 加量幅度:1PCS
登录后可查看价格、加入购物车、一键购买
立即登录
价格生成中...
登录后可查看价格、加入购物车、一键购买
立即登录
代码E-LEB71的技术资料信息曾有所变更,可前往 型号勘误表 查看变更记录
相似商品
同类人气商品
计算选型
技术图档
全部型号
3D预览
技术图档
产品问答
材质图
参数图
| 代码 | 类型 | 材质 | 表面处理 | |
| ① | ① ③ | |||
| E-LEB71 | 侧面带孔型 | 支撑侧 | S45C | 发黑 |
轴承已经封入适量锂皂基抗极压润滑脂。
轴承为双铁盖。
使用径向轴承、最适用于一般精度、高速旋转用途。
构成零件
| 编号 | 零件名称 | 数量 |
| ① | 轴承座本体 | 1 |
| ② | 径向轴承 | 1 |
| ③ | C型挡圈 | 1 |

选型表
产品问答
关于此产品的常见问题
1、支持侧支座组件内的轴承是活动的可以拿下来的吗?
支持侧支座组件内的轴承可以轴向移动,主要是由于丝杠运转后会有一定程度的形变,
支撑侧轴承轴向移动可以有效消除其带来的影响,避免形变导致的异响等情况发生。
1. 添加筛选条件,生成产品型号
客服
购物车
小程序
怡合达商城小程序
随身商城一手掌握
公众号
微信公众号
订单/资讯随手掌握
微信技术交流服务群
扫码添加进群
浏览记录
问题反馈
置顶
Copyright © 2010-2026 东莞怡合达自动化股份有限公司 版权所有 粤ICP备14032684号
营业执照: 91441900566614589Q