型号筛选
可选加工(可选)
未生成型号,还有 1 项未选择
重置
代码
无数据
产品选型
代码
无数据
规格
无数据
价格生成中...
图片仅供参考,请以已选的规格为准
方形丝杠支座组件 标准肩高 精密型 支撑侧•日本轴承
条件筛选:
产品型号:
未税折扣单价: -- --
含税折扣单价: ----
含税总价 (税率13%): ¥--
预计发货天数:-- 天 (发货天数以下单次日起算,不含周日与法定假日)
购买数量(PCS):
起订量:1PCS
, 加量幅度:1PCS
登录后可查看价格、加入购物车、一键购买
立即登录
价格生成中...
登录后可查看价格、加入购物车、一键购买
立即登录
代码J-LEB51的技术资料信息曾有所变更,可前往 型号勘误表 查看变更记录
相似商品
同类人气商品
计算选型
技术图档
全部型号
3D预览
技术图档
材质表
参数表
| 代码 | 类型 | 材质 |
表面处理 | |||
| ① | ② | ③ | ① | |||
| J-LEB51 | 精密型 | 支撑侧 | S45C | SUJ2 | 弹簧钢 | 发黑 |
轴承已经封入适量锂皂基抗极压润滑脂。
轴承为双铁盖。
使用JIS 6级的径向球轴承、最适用于高精度、高速旋转用途。
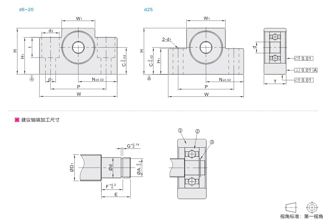
构成零件
| 编号 | 零件名称 | 数量 |
| ① | 轴承座本体 | 1 |
| ② | 日本径向轴承6级 | 1 |
| ③ | C型挡圈 | 1 |

|
型号
|
Ød
|
T
|
W
|
H
|
C
|
W1
|
H1
|
P
|
Ød1
|
Ød2
|
t
|
N
|
建议轴端加工尺寸
|
使用C型挡圈
|
|||||||
|
代码
|
规格
|
搭配丝杠轴径
|
轴端部外径
|
挡圈沟槽尺寸
|
|||||||||||||||||
|
ØD1
|
Ød
|
ØA
|
E
|
F
|
G
|
||||||||||||||||
|
J-LEB51
|
6
|
6
|
12
|
42
|
25
|
13
|
18
|
20
|
30
|
5.5
|
9.5
|
11
|
21
|
8
|
6
|
-0.005
-0.012
|
5.7
|
9
|
6.8
|
0.8
|
TBP01-6
|
|
8
|
6
|
14
|
52
|
32
|
17
|
25
|
26
|
38
|
6.6
|
11
|
12
|
26
|
8/10
|
||||||||
|
10
|
8
|
20
|
70
|
43
|
25
|
36
|
35
|
52
|
9
|
14
|
11
|
35
|
12/14/15
|
8
|
-0.005
-0.012
|
7.6
|
10
|
7.9
|
0.9
|
TBP01-8
|
|
|
12
|
10
|
14/15/16
|
10
|
-0.005
-0.012
|
9.6
|
11
|
9.15
|
1.15
|
TBP01-10
|
||||||||||||
|
15
|
15
|
80
|
49
|
30
|
41
|
40
|
60
|
40
|
18/20
|
15
|
-0.005
-0.014
|
14.3
|
13
|
10.15
|
TBP01-15
|
||||||
|
20
|
20
|
26
|
95
|
58
|
56
|
45
|
75
|
11
|
17
|
15
|
47.5
|
25/28/30
|
20
|
-0.005
-0.014
|
19
|
19
|
15.35
|
1.35
|
TBP01-20
|
||
|
25
|
25
|
30
|
105
|
68
|
35
|
66
|
25
|
85
|
11
|
—
|
—
|
52.5
|
28/30/32
|
25
|
-0.005
-0.015
|
23.9
|
21
|
16.35
|
TBP01-25
|
||
1. 添加筛选条件,生成产品型号
客服
购物车
公众号
微信公众号
订单/资讯随手掌握
微信技术交流服务群
扫码添加进群
浏览记录
问题反馈
置顶
Copyright © 2010-2026 东莞怡合达自动化股份有限公司 版权所有 粤ICP备14032684号
营业执照: 91441900566614589Q