型号筛选
可选加工(可选)
未生成型号,还有 1 项未选择
重置
代码
无数据
产品选型
代码
无数据
规格
无数据
价格生成中...
图片仅供参考,请以已选的规格为准
方形丝杠支座组件 侧面带孔型 精密型 固定侧•日本轴承
条件筛选:
产品型号:
未税折扣单价: -- --
含税折扣单价: ----
含税总价 (税率13%): ¥--
预计发货天数:-- 天 (发货天数以下单次日起算,不含周日与法定假日)
购买数量(PCS):
起订量:1PCS
, 加量幅度:1PCS
登录后可查看价格、加入购物车、一键购买
立即登录
价格生成中...
登录后可查看价格、加入购物车、一键购买
立即登录
代码J-LEB61的技术资料信息曾有所变更,可前往 型号勘误表 查看变更记录
相似商品
同类人气商品
计算选型
技术图档
全部型号
3D预览
技术图档
材质表
参数表
| 代码 | 类型 | 材质 | 表面处理 | ||
| ①③⑥ | ④ | ①③④⑥ | |||
| J-LEB61 | 精密型 | 固定侧 | S45C | SUJ2 | 发黑 |
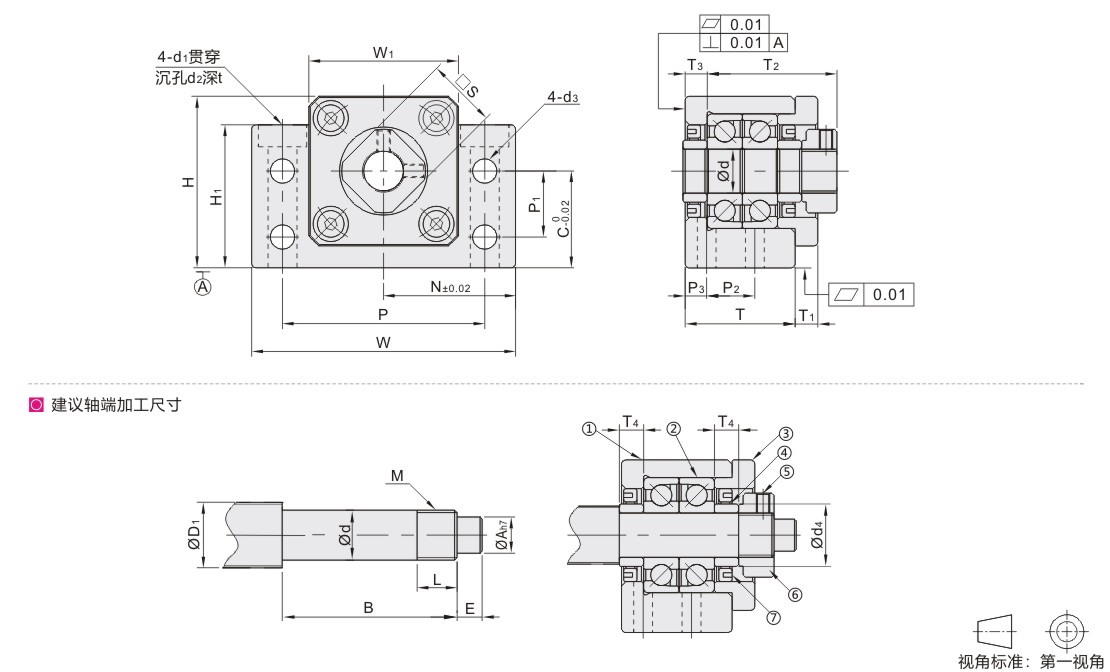
①②③为一体,请勿拆解,否则将影响精度。
轴承已经封入适量锂皂基抗极压润滑脂。
使用经预压调整后的JIS 5级的角接触球轴承、最适用于高精度、高速旋转用途。
构成零件
| 代码 | 零件名称 | 数量 |
| ① | 轴承座本体 | 1 |
| ② | 日本角接触轴承 5级 | 1对 |
| ③ | 轴承盖 | 1 |
| ④ | 间隔环 | 2 |
| ⑤ | 内六角紧定螺丝附铜片 | 2 |
| ⑥ | 紧固螺帽 | 1 |
| ⑦ | 油封(Ø8以下1个) | 2 |

|
选型
|
Ød
|
T
|
T1
|
T2
|
T3
|
W
|
H
|
C
|
W1
|
H1
|
P
|
P1
|
P2
|
P3
|
Ød1
|
Ød2
|
t
|
N
|
Ød3
|
S
|
油封适用轴径Ød4
|
建议轴端加工尺寸
|
|||||||||
|
搭配丝杠轴径
|
轴端部外径
|
轴端部加工尺寸
|
公称螺纹
|
间隔环长度
|
|||||||||||||||||||||||||||
|
代码
|
规格
|
ØD1
|
Ød
|
ØA
|
B
|
E
|
M
|
L
|
T4
|
||||||||||||||||||||||
|
J-LEB61
|
10S
|
10
|
25
|
5
|
29.5
|
5
|
60
|
39
|
22
|
34
|
32.5
|
46
|
15
|
13
|
6
|
6.6
|
11
|
5
|
30
|
5.5
|
16
|
12
|
12/14/15
|
10
|
-0.005
-0.012
|
8
|
36
|
15
|
M10×P1.0
|
16
|
5.5
|
|
10
|
14.4
|
||||||||||||||||||||||||||||||
|
12
|
12
|
43
|
25
|
35
|
18
|
1.5
|
19
|
15.4
|
14/15/16
|
12
|
-0.005
-0.012
|
10
|
M12×P1.0
|
14
|
|||||||||||||||||
|
15
|
15
|
27
|
6
|
32
|
6
|
70
|
48
|
28
|
40
|
38
|
54
|
18
|
15
|
6.5
|
35
|
22
|
19.4
|
18/20
|
15
|
-0.005
-0.014
|
12
|
40
|
20
|
M15×P1.0
|
12
|
6
|
|||||
|
17
|
17
|
35
|
9
|
44
|
7
|
86
|
64
|
39
|
50
|
55
|
68
|
28
|
19
|
8
|
9
|
14
|
8.6
|
43
|
6.6
|
24
|
24.4
|
20/25
|
17
|
-0.005
-0.014
|
15
|
53
|
23
|
M17×P1.0
|
17
|
7
|
|
|
20
|
20
|
35
|
8
|
43
|
8
|
88
|
60
|
34
|
52
|
50
|
70
|
22
|
8.5
|
44
|
30
|
27.4
|
25/28
|
20
|
-0.005
-0.014
|
17
|
53
|
25
|
M20×P1.0
|
15
|
8
|
||||||
|
25
|
25
|
42
|
12
|
54
|
9
|
106
|
80
|
48
|
64
|
70
|
85
|
33
|
22
|
10
|
11
|
17.5
|
11
|
53
|
9
|
35
|
31.4
|
32/36
|
25
|
-0.005
-0.014
|
20
|
65
|
30
|
M25×P1.5
|
18
|
9
|
|
|
30
|
30
|
45
|
14
|
61
|
128
|
89
|
51
|
76
|
78
|
102
|
23
|
11
|
14
|
20
|
13
|
64
|
11
|
40
|
37.4
|
36/40
|
30
|
-0.005
-0.015
|
25
|
72
|
38
|
M30×P1.5
|
25
|
||||
|
35
|
35
|
50
|
14
|
67
|
12
|
140
|
96
|
52
|
88
|
79
|
114
|
35
|
26
|
12
|
14
|
20
|
13
|
70
|
50
|
44.4
|
45
|
35
|
-0.008
-0.018
|
30
|
82
|
45
|
M35×P1.5
|
26
|
12
|
||
|
40
|
40
|
61
|
18
|
76
|
15
|
160
|
110
|
60
|
100
|
90
|
130
|
37
|
33
|
14
|
18
|
26
|
17.5
|
80
|
14
|
50
|
49.4
|
50
|
40
|
-0.008
-0.018
|
35
|
94
|
50
|
M40×P1.5
|
30
|
15
|
|
1. 添加筛选条件,生成产品型号
客服
购物车
公众号
微信公众号
订单/资讯随手掌握
微信技术交流服务群
扫码添加进群
浏览记录
问题反馈
置顶
Copyright © 2010-2026 东莞怡合达自动化股份有限公司 版权所有 粤ICP备14032684号
营业执照: 91441900566614589Q