型号筛选
可选加工(可选)
未生成型号,还有 3 项未选择
重置
代码
无数据
产品选型
代码
无数据
d
无数据
F
无数据
h
无数据
价格生成中...
图片仅供参考,请以已选的规格为准
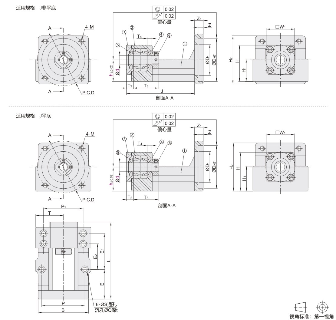
丝杠支座组件 长型 外压盖整合型传动座
品牌名称:
怡合达
条件筛选:
产品型号:
未税折扣单价: -- --
含税折扣单价: ----
含税总价 (税率13%): ¥--
预计发货天数:-- 天 (发货天数以下单次日起算,不含周日与法定假日)
购买数量(PCS):
起订量:1PCS
, 加量幅度:1PCS
登录后可查看价格、加入购物车、一键购买
立即登录
价格生成中...
登录后可查看价格、加入购物车、一键购买
立即登录
代码LEJ15的技术资料信息曾有所变更,可前往 型号勘误表 查看变更记录
相似商品
同类人气商品
计算选型
技术图档
全部型号
3D预览
技术图档
材质图
参数图
| 代码 | 类型 | 材质 | 表面处理 | ||||
| ① | ③⑥ | ④ | ①③ | ④⑥ | |||
| LEJ15 | 外压盖整合型 传动座 |
长型 | 铸铁 | S45C | SUJ2 | 磷化 | 发黑 |
①②③⑤为一体,请勿拆解,否则将影响精度。
轴承已经封入适量锂皂基抗极压润滑脂
使用之轴承经预压处理,轴向0间隙。
轴承采用P5配对DF组装,最适宜滚珠丝杠使用。
构成零件
| 编号 | 零件名称 | 数量 |
| ① | 传动座本体 | 1 |
| ② | 轴承 | 1组 |
| ③ | 压板 | 1 |
| ④ | 间隔环 | 2 |
| ⑤ | 油封 | 2 |
| ⑥ | 锁紧螺母 | 1组 |
锁紧螺母规格
| 适用丝杠轴径 d |
适用 锁紧螺母 |
| 15 | M15×1 |

选型表
1. 添加筛选条件,生成产品型号
客服
购物车
公众号
微信公众号
订单/资讯随手掌握
微信技术交流服务群
扫码添加进群
浏览记录
问题反馈
置顶
Copyright © 2010-2026 东莞怡合达自动化股份有限公司 版权所有 粤ICP备14032684号
营业执照: 91441900566614589Q