型号筛选
未生成型号,还有 5 项未选择
代码
参数选型
负载
产品选型
d
F
h
图片仅供参考,请以已选的规格为准
丝杠支座组件 高型 外压盖整合型传动座
品牌名称:
怡合达
条件筛选:
产品型号:
登录后可查看价格、加入购物车、一键购买
立即登录
计算选型
技术图档
全部型号
3D预览
材质图
参数图
| 代码 | 类型 | 材质 | 表面处理 | |||||
| ① | ③⑥ | ④ | ①③ | ④⑥ | ||||
| LEJ25 | 外压盖整合型 传动座 |
高型 | 轻载型 | 铸铁 | S45C | SUJ2 | 磷化 | 发黑 |
| LEJ26 | 中载型 | |||||||
| LEJ27 | 重载型 | |||||||
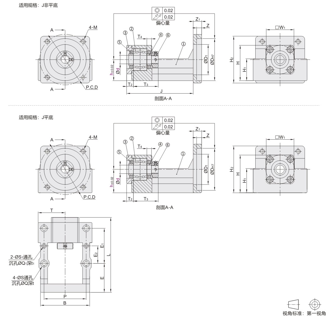
①②③⑤为一体,请勿拆解,否则将影响精度。
轴承已经封入适量锂皂基抗极压润滑脂
使用之轴承经预压处理,轴向0间隙。
轴承采用P5配对DF组装,最适宜滚珠丝杠使用。
构成零件
| 编号 | 零件名称 | 数量 |
| ① | 传动座本体 | 1 |
| ② | 轴承 | 1组 |
| ③ | 压板 | 1 |
| ④ | 间隔环 | 2 |
| ⑤ | 油封 | 2 |
| ⑥ | 锁紧螺母 | 1组 |
锁紧螺母规格
| 适用丝杠轴径 d |
适用 锁紧螺母 |
| 17 | M17×1 |
| 20 | M20×1 |
| 25 | M25×1.5 |
| 30 | M30×1.5 |
| 35 | M35×1.5 |
| 40 | M40×1.5 |

选型表