型号筛选
可选加工(可选)
未生成型号,还有 1 项未选择
重置
代码
无数据
产品选型
代码
无数据
规格
无数据
价格生成中...
图片仅供参考,请以已选的规格为准
方形丝杠支座组件 固定侧 低肩型 标准型
品牌名称:
怡合达
条件筛选:
产品型号:
未税折扣单价: -- --
含税折扣单价: ----
含税总价 (税率13%): ¥--
预计发货天数:-- 天 (发货天数以下单次日起算,不含周日与法定假日)
购买数量(PCS):
起订量:1PCS
, 加量幅度:1PCS
登录后可查看价格、加入购物车、一键购买
立即登录
价格生成中...
登录后可查看价格、加入购物车、一键购买
立即登录
代码LEK21的技术资料信息曾有所变更,可前往 型号勘误表 查看变更记录
相似商品
同类人气商品
计算选型
技术图档
全部型号
3D预览
技术图档
材质图
参数图
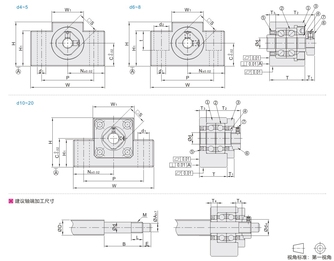
| 代码 | 类型 | 材质 | 表面处理 | ||
| ①③⑥ | ④ | ①③④⑥ | |||
| LEK21 | 标准型 | 固定侧 | S45C | SUJ2 | 发黑 |
构成零件
| 编号 | 零件名称 | 数量 |
| ① | 轴承座本体 | 1 |
| ② | 角接触轴承 5级 | 1对 |
| ③ | 轴承盖 | 1 |
| ④ | 间隔环 | 2 |
| ⑤ | 油封(Ø4-5无油封,Ø6-8 1个) | 2 |
| ⑥ | 支座用螺母 | 1 |
| ⑦ | 内六角紧定螺丝(附铝合金垫片) | 2 |
①②③为一体,请勿拆解,否则将影响精度。
轴承已经封入适量锂皂基抗极压润滑脂。
使用经预压调整后的JIS 5级的角接触球轴承、最适用于高精度、高速旋转用途。
适用锂电行业:禁铜、锌材质。
选型表
1. 添加筛选条件,生成产品型号
客服
购物车
小程序
怡合达商城小程序
随身商城一手掌握
公众号
微信公众号
订单/资讯随手掌握
微信技术交流服务群
扫码添加进群
浏览记录
问题反馈
置顶
Copyright © 2010-2026 东莞怡合达自动化股份有限公司 版权所有 粤ICP备14032684号
营业执照: 91441900566614589Q