图片仅供参考,请以已选的规格为准
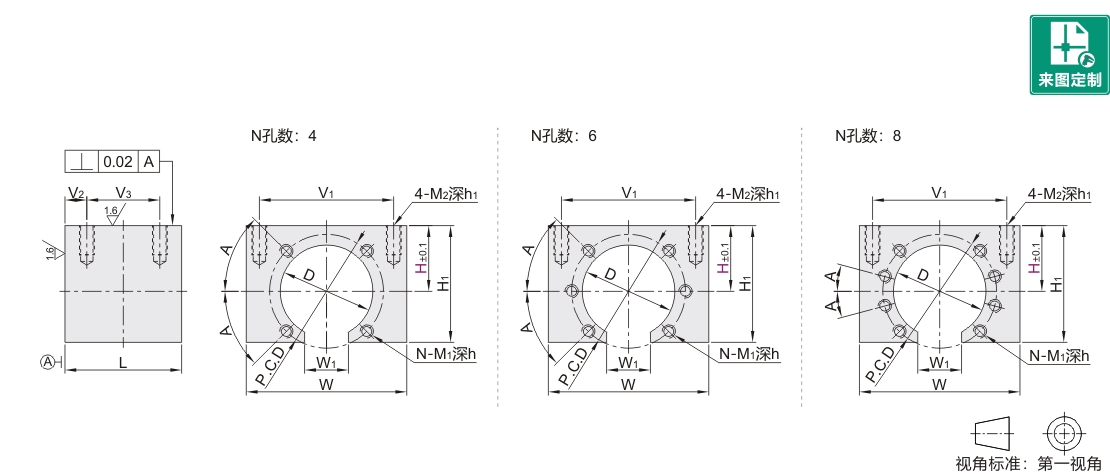
滚珠丝杠螺帽支架 圆孔开口型 专用型
品牌名称:
怡合达
条件筛选:
产品型号:
登录后可查看价格、加入购物车、一键购买
立即登录
计算选型
型号筛选
未生成型号,还有 5 项未选择
代码
参数选型
材质
表面处理
产品选型
规格
H
技术图档
3D预览
材质图
参数图
| 代码 | 类型 | 材质 | 表面处理 | |
| 高度选择型 | 高度指定型 | |||
| LFF01 | LFF03 | 专用型 | S45C | 发黑 |
| LFF02 | LFF04 | 无电解镀镍 | ||
| LFF06 | LFF07 | A6061 | 喷细砂本色阳极氧化 | |

选型表