图片仅供参考,请以已选的规格为准
医疗 30度梯形丝杠组件 固定侧+固定侧 加宽方型螺帽
条件筛选:
产品型号:
未税折扣单价: -- --
含税折扣单价: ----
含税总价 (税率13%): ¥--
预计发货天数:-- 天 (发货天数以下单次日起算,不含周日与法定假日)
购买数量():
起订量:0
, 加量幅度:0
登录后可查看价格、加入购物车、一键购买
立即登录
价格生成中...
登录后可查看价格、加入购物车、一键购买
立即登录
代码的技术资料信息曾有所变更,可前往 型号勘误表 查看变更记录
相似商品
同类人气商品
计算选型
型号筛选
可选加工(可选)
未生成型号,还有 8 项未选择
重置
代码
无数据
参数选型
材质
无数据
螺纹旋向
无数据
表面处理
无数据
产品选型
代码
无数据
D
无数据
螺距
无数据
L
S
价格生成中...
技术图档
全部型号
3D预览
技术图档
可选加工
材质图
参数图
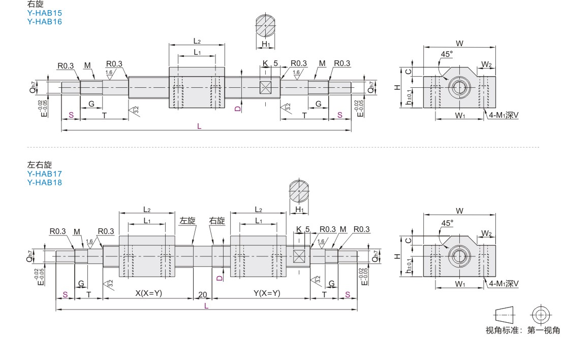
| 代码 | 类型 | 材质 | 表面处理 | ||||
| 右旋 | 左右旋 | 丝杠 | 螺帽 | 丝杠 | 螺帽 | ||
| Y-HAB15 | Y-HAB17 | 固定侧+固定侧 | 加宽方型 螺帽 |
S45C | 黄铜 | 发黑 | 一 |
| Y-HAB16 | Y-HAB18 | SUS303 | 一 | ||||
X、Y请根据使用要求制定尺寸,最小单位0.5mm。

Y-HAB17/18需满足条件:L>2×(L2+T+S)+20。
可选加工

1. 添加筛选条件,生成产品型号
客服
购物车
小程序
怡合达商城小程序
随身商城一手掌握
公众号
微信公众号
订单/资讯随手掌握
微信技术交流服务群
扫码添加进群
浏览记录
问题反馈
置顶
Copyright © 2010-2026 东莞怡合达自动化股份有限公司 版权所有 粤ICP备14032684号
营业执照: 91441900566614589Q