图片仅供参考,请以已选的规格为准
医疗 30度梯形丝杠组件 支持侧+支持侧 法兰型螺帽
条件筛选:
产品型号:
未税折扣单价: -- --
含税折扣单价: ----
含税总价 (税率13%): ¥--
预计发货天数:-- 天 (发货天数以下单次日起算,不含周日与法定假日)
购买数量():
起订量:0
, 加量幅度:0
登录后可查看价格、加入购物车、一键购买
立即登录
价格生成中...
登录后可查看价格、加入购物车、一键购买
立即登录
代码的技术资料信息曾有所变更,可前往 型号勘误表 查看变更记录
相似商品
同类人气商品
计算选型
型号筛选
可选加工(可选)
未生成型号,还有 10 项未选择
重置
代码
无数据
参数选型
材质
无数据
螺纹旋向
无数据
表面处理
无数据
产品选型
代码
无数据
D
无数据
螺距
无数据
L
S
F
无数据
R
无数据
价格生成中...
技术图档(二)
全部型号
3D预览
技术图档(二)
可选加工
材质图
参数图
| 代码 | 类型 | 材质 | 表面处理 | ||||
| 右旋 | 左右旋 | 丝杠 | 螺帽 | 丝杠 | 螺帽 | ||
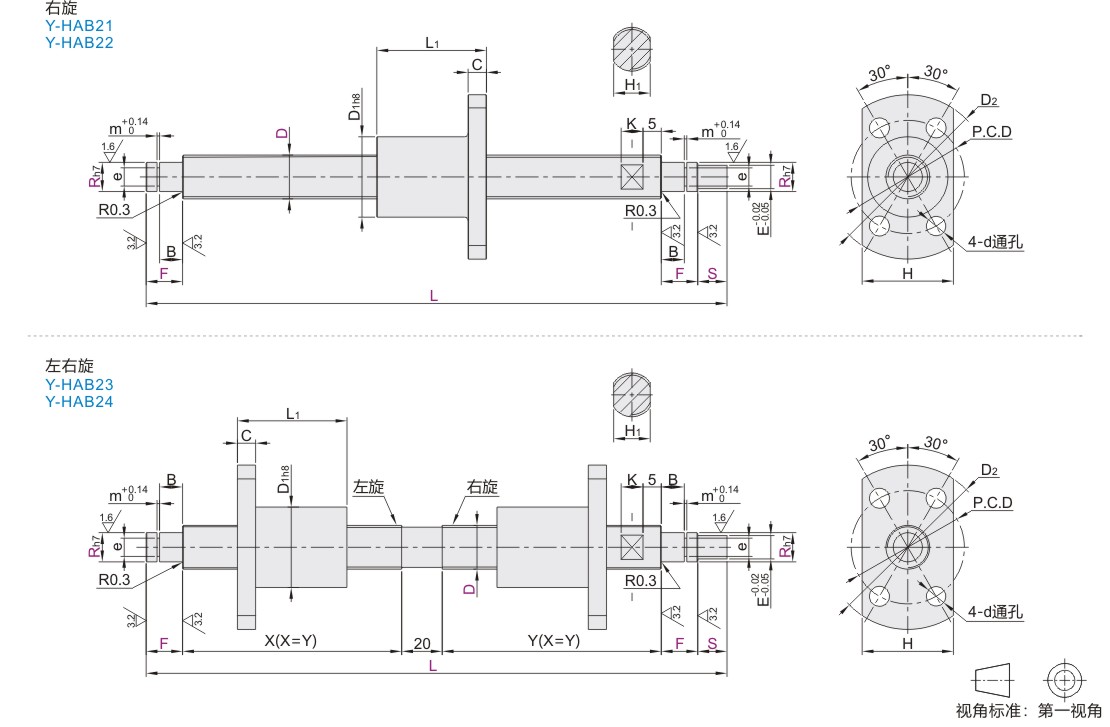
| Y-HAB21 | Y-HAB23 | 支持侧+支持侧 | 法兰型 螺帽 |
S45C | 黄铜 | 发黑 | 一 |
| Y-HAB22 | Y-HAB24 | SUS303 | 一 | ||||
X、Y请根据使用要求制定尺寸,最小单位0.5mm。
挡圈槽尺寸表
| R | e | e公差 | m | B |
| 8 | 5 | +0.075 0 |
0.7 | 7 |
| 10 | 9.6 | 0 -0.09 |
1.15 | 8 |
| 12 | 11.5 | 0 -0.11 |
||
| 15 | 14.3 | 9 |

| 型号 | 螺距 | 最小单位0.5 | F | R | 螺帽尺寸 | 丝杠尺寸 | 轴向 间隙 |
径向 间隙 |
动态 容许推力KN |
理论 传动 效率 |
||||||||||
| 代码 | 丝杠 轴径D |
L | S | D1 | L1 | D2 | C | P.C.D | d | H | E | H1 | K | |||||||
| 右旋 Y-HAB21 Y-HAB22 左右旋 Y-HAB23 Y-HAB24 |
12 | 2 | 130~1000 | 2~100 | 10 | 8 | 22 | 30 | 45 | 5 | 31 | 5.3 | 25 | 6 | 10 | 5 | 0.1mm 以内 |
0.3mm 以内 |
3.9 | ≈32% |
| 14 | 3 | 10 12 | 8 10 | 8 | 12 | 7 | 4.5 | ≈39% | ||||||||||||
| 16 | 3 | 130~1200 | 8 10 12 | 28 | 35 | 52 | 6 | 38 | 6.3 | 31 | 10 | 14 | 8 | 6.62 | ≈35% | |||||
| 20 | 4 | 10 15 | 32 | 40 | 57 | 42 | 35 | 12 | 17 | 9.8 | ≈37% | |||||||||
| 25 | 5 | 36 | 50 | 62 | 7 | 47 | 41 | 23 | 14.2 | |||||||||||
Y-HAB23/24需满足条件:L>2×(L1+F)+20+S。
可选加工

1. 添加筛选条件,生成产品型号
客服
购物车
公众号
微信公众号
订单/资讯随手掌握
微信技术交流服务群
扫码添加进群
浏览记录
问题反馈
置顶
Copyright © 2010-2025 东莞怡合达自动化股份有限公司 版权所有 粤ICP备14032684号
营业执照: 91441900566614589Q