型号筛选
可选加工(可选)
未生成型号,还有 5 项未选择
重置
代码
无数据
参数选型
材质
无数据
表面处理
无数据
产品选型
代码
无数据
规格
无数据
中心高度
无数据
价格生成中...
图片仅供参考,请以已选的规格为准
经济型测角手动位移台 αβ轴 燕尾槽式 蜗轮驱动式 铝合金材质 黑色氟树脂/黑色阳极氧化处理
条件筛选:
产品型号:
未税折扣单价: -- --
含税折扣单价: ----
含税总价 (税率13%): ¥--
预计发货天数:-- 天 (发货天数以下单次日起算,不含周日与法定假日)
购买数量():
起订量:0
, 加量幅度:0
登录后可查看价格、加入购物车、一键购买
立即登录
价格生成中...
登录后可查看价格、加入购物车、一键购买
立即登录
代码的技术资料信息曾有所变更,可前往 型号勘误表 查看变更记录
相似商品
同类人气商品
技术图档
全部型号
3D预览
技术图档
产品简介
产品问答
材质图
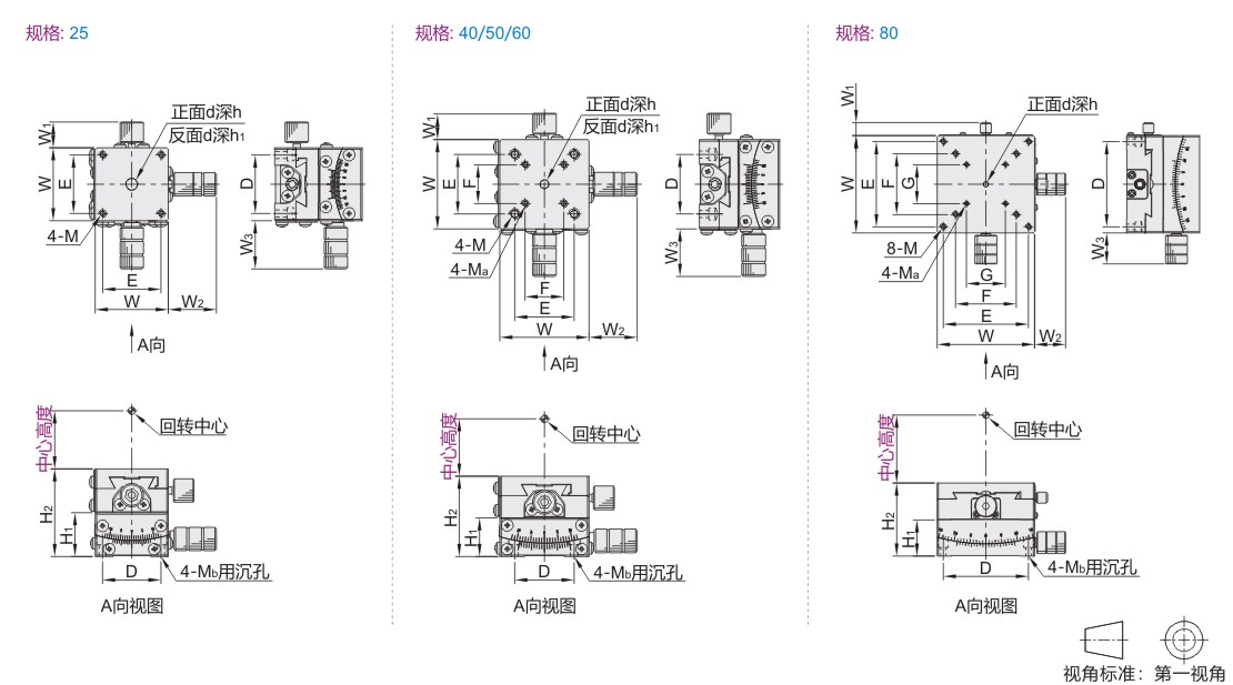
参数图
| 代码 | 类型 | 传动方向 | 材质 | 表面处理 |
| E-ELK01 | 蜗轮驱动型 | αβ轴 | 铜合金 | 黑色氟树脂 |
| E-ELK02 | 铝合金 | 黑色阳极氧化 |
该产品的倒装负载、垂直负载和侧装负载一般为水平负载的1/3,实际负载与具体使用工况有关。
耐负载数值仅为参考值,震动和负载有大力臂等工况不适合使用。
使用方法:将锁紧旋钮松开后,调节驱动机构(微分头/进给丝杠)至目标位后拧紧锁紧旋钮。
请注意:拧紧锁紧旋钮后禁止调节驱动机构(微分头/进给丝杠)或用手大力推动,
由于驱动机构的驱动力远远大于锁紧旋钮产生的摩擦力,会导致台面偏移。

图上刻度只做参考,具体以实物为准。
E-ELK01
| 型号 |
中心 高度 |
台面尺寸 W×W |
移动量 | 把手回 转一圈 移动量 |
标尺刻 度最小 读取量 |
D | E | F | H1 | H2 | W1 | W2 | W3 | M | Ma | Mb | d | h | h1 | 水平 耐负载 (N) |
主体 重量 (kg) |
|
| 代码 | 规格 | |||||||||||||||||||||
| (铜合金) E-ELK01 |
25 | 20 | 25×25 | 上±15°下±10° | 上2.0°下2.0° | 0.1° | 20 | 20 | — | 15 | 30 | 8.8 | 16.5 | 16.5 | M2深3 | — | M2 | 4 | 3 | 1 | 19.6 | 0.16 |
| 40 | 25 | 40×40 | 上±20°下±15° | 上2.2°下1.89° | 32 | 32 | 20 | 20 | 35 | 9.4 | 19.5 | 16.5 | M3深4 | M2深4 | M3 | 5 | 3 | 29.4 | 0.45 | |||
| 40 | 上±15°下±10° | 上1.89°下1.33° | 40 | 19.5 | 0.5 | |||||||||||||||||
| 50 | 50 | 50×50 | 上±10°下±10° | 上1.55°下1.2° | 40 | 40 | 30 | 18 | 36 | 9.6 | 18 | 18 | M3深3 | M3深3 | 4 | 1 | 0.7 | |||||
| 68 | 上±10°下±8° | 上1.2°下0.97° | ||||||||||||||||||||
| 60 | 35 | 60×60 | 上±25°下±20° | 上2.0°下1.3° | 50 | 50 | 32 | 20 | 45 | 11 | 18.5 | 18.5 | M4深6 | M3深5 | M4 | 5 | 2 | 58.8 | 1.55 | |||
| 60 | 上±20°下±15° | 上1.3°下1.0° | 40 | 1.5 | ||||||||||||||||||
E-ELK02
| 型号 |
中心 高度 |
台面尺寸 W×W |
移动量 | 把手回 转一圈 移动量 |
标尺刻 度最小 读取量 |
D | E | F | G | H1 | H2 | W1 | W2 | W3 | M | Ma | Mb | d | h | h1 | 水平 耐负载 (N) |
主体 重量 (kg) |
|
| 代码 | 规格 | ||||||||||||||||||||||
| (铝合金) E-ELK02 |
25 | 20 | 25×25 | 上±15°下±10° | 上2.0°下2.0° | 0.1° | 20 | 20 | — | — | 15 | 30 | 6.8 | 16.5 | 16.5 | M2深3 | — | M2 | 4 | 3 | 1 | 19.6 | 0.08 |
| 40 | 25 | 40×40 | 上±20°下±15° | 上2.2°下1.89° | 32 | 32 | 20 | 20 | 35 | 10.6 | 19.5 | M3深4 | M2深4 | M3 | 5 | — | 29.4 | 0.21 | |||||
| 40 | 上±15°下±10° | 上1.89°下1.33° | 40 | 19.5 | 0.22 | ||||||||||||||||||
| 50 | 50 | 50×50 | 上±10°下±10° | 上1.55°下1.2° | 40 | 40 | 30 | 18 | 36 | 8.6 | 18 | 18 | M3深3 | M3深3 | 4 | 1 | 0.28 | ||||||
| 68 | 上±10°下±8° | 上1.2°下0.97° | |||||||||||||||||||||
| 60 | 35 | 60×60 | 上±25°下±20° | 上2.0°下1.3° | 50 | 50 | 32 | 20 | 45 | 10.6 | 19.5 | 19.5 | M4深6 | M3深5 | M4 | 5 | — | 49 | 0.51 | ||||
| 60 | 上±20°下±15° | 上1.3°下1.0° | 40 | 58.8 | 0.52 | ||||||||||||||||||
| 80 | 100 | 80×80 | 上±18°下±15° | 上1.0°下1.0° | 70 | 70 | 50 | 32 | 30 | 60 | 25.5 | 25.5 | 49 | 1.12 | |||||||||
产品简介
产品问答
关于此产品的常见问题
1、什么是角测位移台旋转中心高(H)?
角测台旋转中心高度是指滑台上台面到旋转球心的垂直距离
2、微分头旋钮型手动滑台的复位方式是什么?使用上应该注意哪些?
微分头旋钮型手动滑台是通过拉伸弹簧来复位的。
若施加的负载大于弹簧负载时,滑台面有可能无法正常复位,或直接损坏弹簧,使用时请注意。
3、可以根据图纸定制吗?
可以的
4、滑台可以垂直安装吗?需要注意什么?
可以,但是需要注意耐负载为水平安装时的1/3左右;
并且注意进给方向,不要与重力处于同一方向,因为如果施加作用力大于弹簧负载时,滑台面有可能因无法承重而下落。
1. 添加筛选条件,生成产品型号
客服
购物车
公众号
微信公众号
订单/资讯随手掌握
微信技术交流服务群
扫码添加进群
浏览记录
问题反馈
置顶
Copyright © 2010-2026 东莞怡合达自动化股份有限公司 版权所有 粤ICP备14032684号
营业执照: 91441900566614589Q